这里介绍一种玩具电话,它的电路很简单,使用零件少,能在20~30米距离之内通话,适合青少年业余制作。
使用玩具电话通话时,甲方拿一台甲机,乙方拿乙机。甲方先扳动甲机上开关K\(_{2}\)接通电源,然后把K1拨动开关拨到“讲”处。这时甲方对准喇叭讲话即能向乙方呼叫。然后甲方把K\(_{1}\)拔到“听”处,如乙方回答,向乙机喇叭说话,从甲方喇叭就能听到说话声音。甲方要继续讲话时,仍应把K1扳回“讲”处。
工作用理
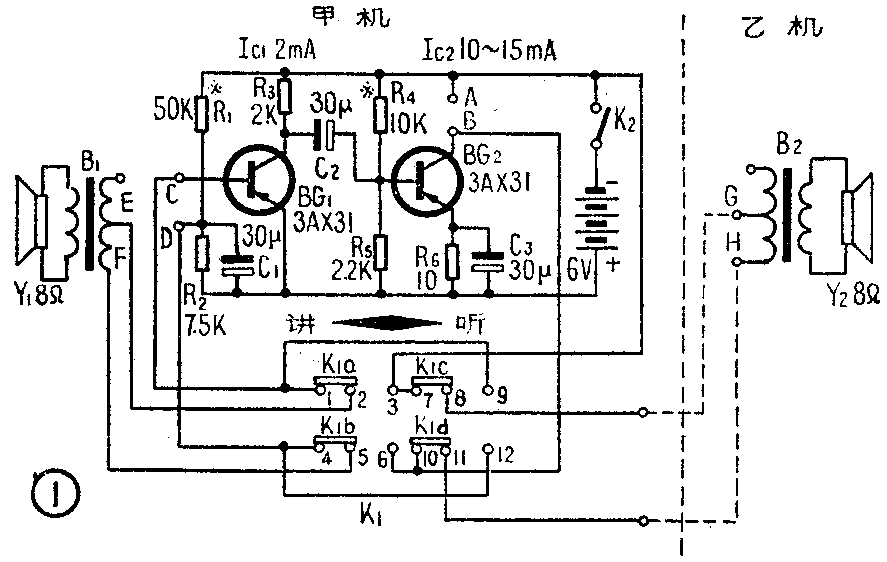
玩具电话的电路如图1所示,左边为甲机电路,右边为乙机电路。甲机内包括喇叭、放大器、转换开关和电源。乙机内仅装一喇叭和变压器。两机由双股导线连接。

甲机内电话放大器由两级音频放大电路组成。前级是电压放大,后级采用甲类功放输出。机内的喇叭在使用时有两个用处:当发话时,它接在放大器输入端,当话筒用。在听对方说话时,接在放大器输出端当听筒用。喇叭连接位置的转换由K\(_{1}\)(四刀双掷拨动开关)来担任。为了接线方便,我们在K1上编上数字(见图3),四个刀分别为K\(_{la}\)、Klb、K\(_{1c}\)、KlD。变压器B\(_{1}\)次级E、F分别接在Kla的2和K\(_{1b}\)的5上,B2变压器次级G、H通过导线分别接在K\(_{1c}\)的8和K1D的11上。当K\(_{1}\)扳向“讲”时,Kla把1、 2连接;K\(_{lb}\)把4、5连接;这样E、F与C、D两端连接,这时喇叭Y1作为话筒。与此同时K\(_{lc}\)把7、8连接,K1D把10、11连接,G、H两端接至A、B,喇叭Y\(_{2}\)作为听筒。由Y1送入的话音信号将通过B\(_{1}\)和放大器放大后,从A、B点输出,再经过B2送到Y\(_{2}\),从Y2可以听到这个话音信号。同理,当K\(_{1}\)扳向“听”时,Y1喇叭作听筒,Y\(_{2}\)喇叭作话筒。图1中虚线表示甲机和乙机中间的电话线。

元件选择
图1电路中BG\(_{1}\)、BG2晶体管选用3AX31型。也可用3AX21等小功率锗低频管,电阻R\(_{1}\)~R5年均可用\(\frac{1}{8}\)瓦碳膜电阻。C\(_{1}\)、C2、C\(_{3}\)为小型电解电容器。B1\(_{2}\)是利用现成的推挽输出变压器,电路中只用此变压器初级线圈的一半。Y1、Y\(_{2}\)两个喇叭均用65毫米小型喇叭。K2为单刀单掷开关。
安装与调整
将图1电路中的元件(除电池、喇叭和开关外)焊在图2所示的印刷线路板上。元件焊接无误后,就可调整晶体管的工作点。调整前在电路中A、B两点上用引线暂时焊上一个输出变压器及喇叭,并且串进万用表的电流档(如图4所示)。接通电源后,改变电阻R\(_{4}\)的大小,使电流读数为10~15毫安,BG2晶体管工作点即基本调好。接着把万用表电压档并联在电阻R\(_{3}\)两端,改变电阻R1的大小,使电压读数为2伏,BG\(_{1}\)晶体管工作点就初步调好。这时在放大器输入端(图1中C、D两点)接进另一只喇叭及变压器即可试验放大器的工作情况。试验一下,向C、D输入端讲话时,听听输出端喇叭放出的声音是否响亮、失真小。否则可对工作点再作调整。试验时人说话的声音往往会与输出的话音混淆,这时可用一台播音的收音机对准输入喇叭放音,并把放音喇叭拿远些,这样就能听清放音喇叭输出的声音了。


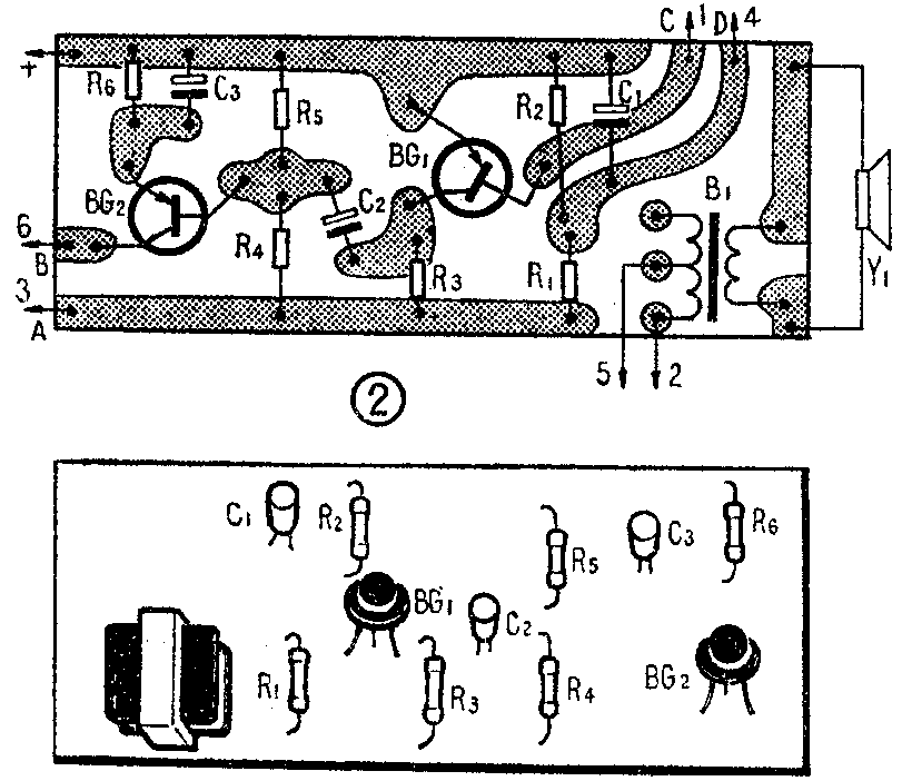
放大器工作点调整好后,把电源开关K\(_{2}\)、拨动开关K1,喇叭一个、5号电池四节和印刷线路板一块装进133×70×40立方毫米的盒内(售品一号电池的电池盒),此机为甲机,如图5所示。在甲机面板上K\(_{1}\)位置处要标上“讲”和“听”;在K2位置处标上“开”和“关”。参照图2把K\(_{1}\)上各接线端与印刷线路板连接好。

把另一个喇叭和输出变压器装入另一个一号电池盒内作为乙机,二机之间用20~30米长的导线连接好,此玩具电话就装好了。(陈鹏飞)