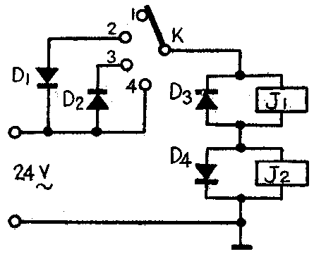
在图示电路中,J\(_{1}\)和J2是两只相同的继电器,额定直流电压在12~24伏之间。想想看,当开关K分别转到1~4档位置时,继电器如何动作(设继电器的直流电阻远大于二极管D\(_{3}\)、D4的正向电阻)?

本期“想想看”答案
图中,当开关K置于位置“1”时,继电器J\(_{1}\)、J2因绕组无电流均不吸动;当K置于位置“2”时,交流电流经过二极管D\(_{1}\)、D3半波整流后,使继电器J\(_{2}\)吸动,继电器J1被D\(_{3}\)旁路而不吸动;当K置于位置“3”时,交流电流经D2、D\(_{4}\)整流后,便继电器J1吸动,继电器J\(_{2}\)则不吸动;当K置于位置“4”时,继电器J1、J\(_{2}\)均吸动,因为交流电流经D4半波整流;带动J\(_{1}\)吸动,经D3半波整流带动J\(_{2}\)吸动。(阎和成)