把普通的半导体收音机放在大房间或人多的地方使用,音量往往不足。如果装制一个功率接续器,并接上大口径的扬声器,问题就解决了。本文介绍了两种功率接续器,电路简单,装制和调整都较容易,适合上述需要。接续器的输入信号取自半导体收音机的耳机插口,其激励功率有几十毫瓦就够了。这些接续器能输出5~20瓦的功率,如改接号筒喇叭,还可供文化室、小型学校作转播广播体操和新闻节目之用。
变压器耦合式功率接续器
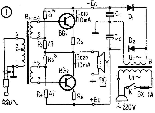
电路见图1。这是个简单的推挽放大电路。由于采用了正负对称电源,所以能把扬声器直接接在放大器输出端与电源中线之间,不用输出变压器,也不需隔直电容器。从收音机送来的节目信号,经变压器B\(_{1}\)倒相耦合,激励晶体管BG1和BG\(_{2}\)作功率放大。BG1和BG\(_{2}\)工作在接近乙类的状态,由R1、R\(_{2}\)、R3、R\(_{4}\)为它们提供适当的静态偏置,使之消除交越失真。

在表1里已列出了几种不同输出功率的接续器可选用的晶体管型号及元件数值,可供装制时选择参考。如BG\(_{1}\)、BG2改用NPN型的硅大功率管,需把图1的电源极性倒过来,并适当减小R\(_{1}\)、R3的阻值。
表1:
R\(_{L}\) PomaxU\(_{2}\)~ Ec R1、R\(_{3}\) R5、R\(_{6}\) C1、C\(_{2}\) D1、D\(_{2}\) BG1、BG\(_{2}\)
5W 10V 12V 2K 0 2200μ16V 2CZllA 3AD6A
8Ω 10W 12V 15V 2.7K 0.5Ω 3300μ16V 2CZ12A 3AD6B
20W 16V 21V 3.9K 0.5Ω 4700μ25V 2CZ12A 3AD30C
16Ω 5W 12V 15V 2.7K 0.5Ω 1000μl6V 2CZllA 3AD6B
10W 16V 21V 3.9K 1Ω 2200μ25V 2CZllA 3AD6C
输入变压器B\(_{1}\)的数据如下:铁芯用D42硅钢片,截面积6×8mm\(^{2}\)。初级用QZ0.35漆包线绕制,①-②80圈,②-③40圈;次级④-⑤、⑥-⑦用QZ0.23漆包线双线并绕200圈,图1中标有“△”的为同名端。输入信号线通常接在Bl的①、③两端,但当接续器得不到足够的激励,或所配合的收音机是用4Ω的扬声器时,可把信号改从B\(_{1}\)的①、②端输入。
互补对称式功率接续器
电路见图2。这是全对称的复合互补功率放大器,同样也用对称电源,扬声器直接耦合。该电路发挥了PNP型和NPN型晶体管能互补工作的优点,不需要输入和输出变压器,电性能也较好。由图可见,BG\(_{3}\)与BG5组成复合管,BG\(_{4}\)与BG6也组成复合管,这两对复合管互补工作。由于电路对称,信号一进入接续器,便由C\(_{3}\)、C4分送到两边的互补复合管,进行推挽放大了。该电路的晶体管工作于甲乙类状态,R\(_{7}\)、R8、R\(_{9}\)、R10是偏流电阻,调节R\(_{7}\)、R10可使晶体管得到合适的工作电流(见表2)。R\(_{11}\)、R12的作用是提高大功率管的击穿电压,减弱反向电流,使电路稳定。由于四个晶体管都是共发射极接法,所以本电路有较高的功率增益。R\(_{13}\)、R14是负反馈电阻,加大或减小R\(_{14}\)的阻值,反馈量便改变,电路的增益也随之提高或降低,我们可根据需要来确定R14。

当互补接续器的输出功率为5W、10W、20W时,电路及有关元件的数据规格见表2。
表2:
R\(_{L}\) Pomax IC5 IC\(_{6}\) R7 R\(_{1}\)0 BG3 BG\(_{4}\) BG5 BG\(_{6}\) U2~、E\(_{C}\)
C\(_{1}\)、C2、
D\(_{1}\)、D2、
8Ω 5W 0.4A 24K 3CG21A 3DG4A 3DD100A 3AD6A 同
表
10W 0.6A 33K 3CG22E IDG7B 3DD103A 3AD6B 1
20W 0.8A 43K 3CG23E 3DG12A3DD101A 3AD30C
16Ω 5W 0.3A 47K 3CG21E 3DG4A 3DD100A 3AD6B
10W 0.4A 56K 3CG22B 3DG7C 3DD100A 3AG6C
电源
图1和图2的电源均用对称式倍压整流电路。该电路结构简单、元件省,电源变压器只需一个两线端的次级绕组就行,便于外购成品变压器装制。当然,改用对称输出的桥式整流电路也可以。
表3列出了几种适用的电源变压器数据,同供自绕时参考。如手头上有容量足够、电压也接近的节电灯变压器或电视机电源变压器,可直接代用。
表3:
接续器 变压器 铁心截面 初级绕组 次 级 绕 组
输出功率 容 量 积mm\(^{2}\)
5W 10VA 19×24 QZO.17 QZO.80 120T\(^{*}\)
2390T QZO.72 14 4T\(^{**}\)
10W 20VA 22×22 QZO.25 QZ1.0 134T\(^{*}\)
2240T QZO.90 180T\(^{**}\)
20W 40VA 22×44 QZO.31 QZ1.2 90T\(^{*}\)
1120T
注:* R\(_{L}\)=8Ω** RL=16Ω
安装与调整
上述两种功率接续器都可安装在一个铝饭盒之类的铝制小盒里:电源变压器和滤波电容器紧固在盒底;前侧板上装上电源开关和保险丝盒;两只大功率管垫上聚酯薄膜或云母片后装在后侧板上,铝盒便代替了散热器;电源、喇叭线和输入信号线分从盒的左、右侧引出;其他元件由于数量不多,利用支架焊接或自制小型印刷电路板安装都可以。
接续器安装完毕,检查接线无误,便可通电调试。首先应调整工作点:对图1电路只需调整R\(_{1}\)和R3,图2电路只需调整R\(_{7}\)和R10,调到大功率管的集电极电流达到图1和表2所列的数值,并使放大器输出端的直流电位为零伏就行。一般经此调整后,接续器便可试听使用了。如接续器靠近收音机时出现高频振荡,可把铝盒接上地线来解决。如声音失真大,并且在增大输出时,扬声器两端的直流电压也跟着增到0.5V以上,便是晶体管的h\(_{FE}\)不对称;如声音小时不失真,声音大时显著失真,并且输出功率不够,则是晶体管的Icm不足,均可检查更换之。
调整好的功率接续器,一般能达到的性能是:频响100~7000Hz±3dB,谐波失真在5%以内。互补式接续器的性能较变压器耦合式的好一些。(李应楷)