无线电调频广播与调幅广播相比具有抗干扰性强,通频带觉,音色优美等优点,受到广大听众的欢迎。我国有些地方已开放调频节目,今后还要发展,如果自己有一台调频收音机就可以方便地接收调频节目了。为了帮助广大业余无线电爱好者自制调频收音机,这里向大家介绍一个电声性能较好,业余条件下容易实现的电路。电路中所用元件在市场上均能买到,安装方便,调试简单。我们按这个电路试装了一台,收听效果很好。
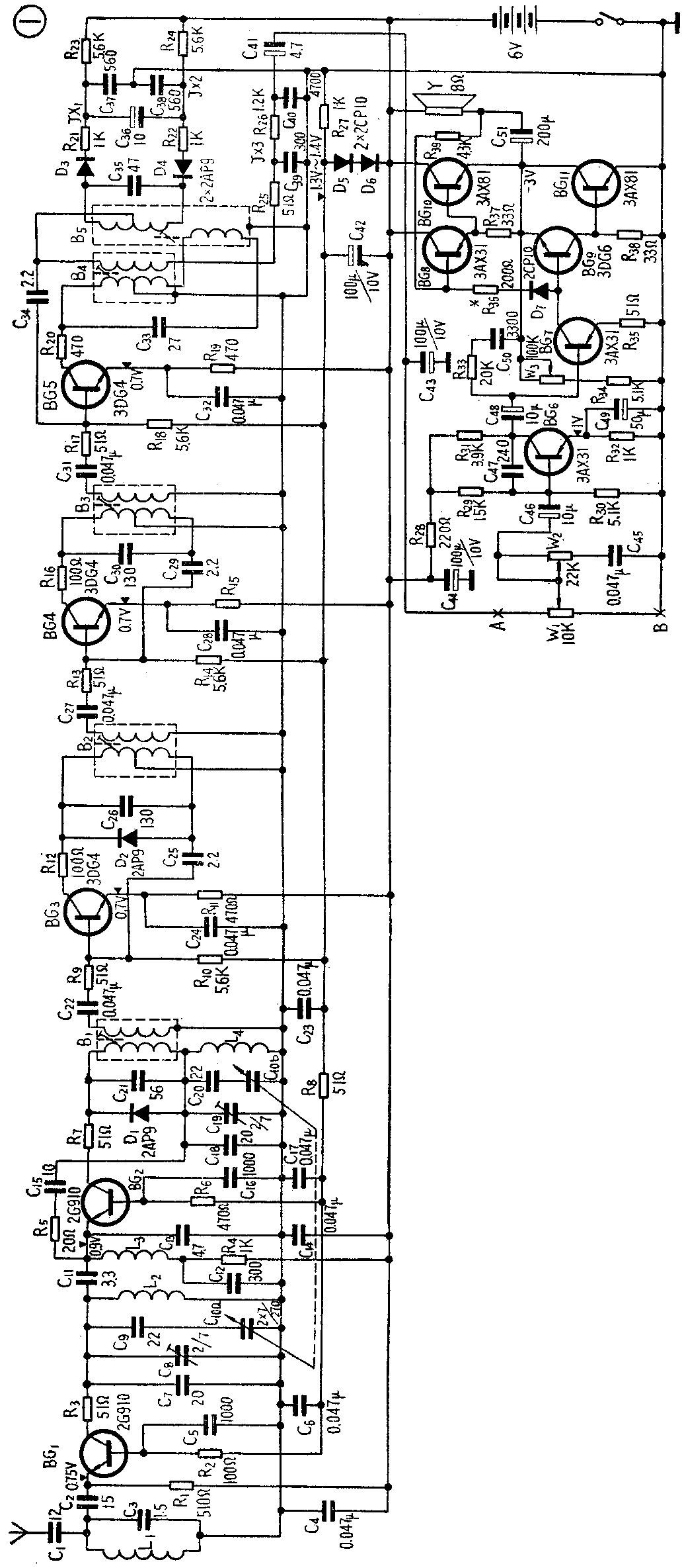
整机电路见图1。全机由高频头(即高频调谐器),中频放大器和低频放大器三部分组成。一般高频头是由高频放大、本机振荡、混频三级组成。该电路的本机振荡与混频由一只晶体管完成。节省了一只晶体管,简化了电路。L\(_{1}\)和C3构成输入回路。其通频带应满足88~108兆赫的带宽要求。中心频率调谐到98兆赫上。BG\(_{1}\)作共基极高频放大器,BG2作电容三点式科毕兹形式的本机振荡器并兼作混频。BG\(_{2}\)的发射极对地有一个串联谐振电路,用来对10.7兆赫的中频信号陷波。BG3、BG\(_{4}\)、BG5组成三级中频放大器,谐振槽路调谐在10.7兆赫。D\(_{3}\)、D4\(_{4}\)5组成比例鉴频器,其作用是从调频信号中检出音频信号。 R\(_{26}\)、C40为去加重电路,用来校正发射时对音频高端的预加重。低放部分采用互补对称功放电路(即OTL电路)。

元件制作及对晶体管的要求如下;B\(_{1}\)用φ0.15mm漆包线,初级n1-3绕14圈,次级n\(_{4}\)-6绕2圈,电感量L1-3为4μH;B\(_{2}\)用φ0.15mm漆包线,初级n1-2绕5圈,n\(_{2}\)-3绕5圈,次级n4-6绕2圈,电感量L\(_{1}\)-3为1.62μH;B3的绕制数据与B\(_{2}\)相同;B4用φ0.15mm漆包线,初级n\(_{1}\)-2绕2圈,n2-3绕15圈,次级n\(_{4}\)-6绕6圈,电感量L1-3为6.75μH;B\(_{5}\)用φ0.15mm漆包线,初级n1-3、n\(_{2}\)-3双线并绕6圈,次级n4-6绕1圈,电感量L\(_{1}\)-3为4.55μH。电原理图参考图2。各电感量都是在7.6兆赫的频率上测量的数值,Q值均大于60。L1~L\(_{4}\)的数据分别是用φ0.69mm漆包线绕成空芯脱胎线圈,L1绕8圈内径φ4mm;L\(_{2}\)绕4圈内径φ6mm;L3绕14.5圈内径φ6mm;L\(_{4}\)绕3圈内径φ6mm。间距均为0.69mm。

B\(_{1}\)-B5的外罩和骨架可采用一般市售半导体收音机用的10×10mm中频变压器的外罩和骨架。磁芯、磁帽使用NX-40或NX—60均可,工字形或王字形不限。市售10×10mm标有蓝色标记的短波振荡线圈可直接改制。绕中频变压器时应注意次级绕在里面,初级绕在外面。若用王字形磁芯,应将初级和次级都均分在两个槽内。绕时线要拉紧些,并注意绕制方向和顺序,起端和末端不可弄错。特别是鉴频线圈B\(_{5}\)初级要双线并绕,以保证鉴频特性的对称。它的抽头为一个线圈的尾与另一个线圈的头相连引出。L1、L\(_{2}\)、L3、L\(_{4}\)是空心脱胎线圈,绕制时要注意脱胎后的回弹。L2、L\(_{4}\)绕完之后稍微均匀地拉开一些再装到印制板上。L1、L\(_{2}\)、L4卧放在印制板上,L\(_{3}\)立式安装。中放管用3DG4E或3DG6B,色标为绿色就可使用。高放管和本振管均应使用高频低噪声功率增益大的管子。用3DG79、3DG56、3DG80、2G910、2G210均可,要求β大于40。鉴频器的两只二极管正向电阻应尽量小,反向电阻大于500千欧,并尽可能对称。凡是槽路的调谐电容尽量选用云母电容或瓷介电容。D5、D\(_{6}\)串接后的正向电阻在900欧左右(用万用表对Ω×100档),一般2CP1到2CP10均可。
按图3印制板的排列焊接元件。调试之前仔细检查安装是否有误。然后用万用表Ω×100档,测量电源线(-6V)对地之间的电阻应在1千欧左右。本机测量调整方法如下:

1.首先用万用表测量直流静态电压。图1给出的是各管发射极电阻两端的电压参考值。D\(_{5}\)正极对地的电压值如与图1数值不符,应调换D5、D\(_{6}\)。
2. 低放电路是一个标准OTL电路,调整W\(_{3}\)使中点电压为负3伏。调整R36使低放部分的静态电流为10毫安左右(将高额部分各管电源断开单测低放部分)。对低放管子要求是:BG\(_{7}\)的β应大于80,BG8、BG\(_{9}\)应尽可能对称,BG10、BG\(_{11}\)的β也应对称,并且β在20~50之间。
3.将各级中频变压器的磁帽旋在中间位置,将微调电容C\(_{8}\)、C19也调在中间位置,若无调频广播,此时应从喇叭发出丝丝声,这是正常的现象。
4.当有调频广播时就可以进行整机的动态调整。首先用万用表(直流2.5V档)测量R\(_{23}\)或R24两端的电压(即JX\(_{1}\)或JX2对电源负端),当调节可变双联电容器听到调频广播的信号时,万用表应量出一定的直流电压。再顺序调节B\(_{4}\)3\(_{2}\)1及L\(_{4}\)、L2、L\(_{1}\)(把空心线圈压紧或拉长)使电压表指示最大,反复调整数次,达到最大指示。如果调到某级磁帽位置已到最下还没有峰值,则说明该级线圈的电感量不够,此时可增加回路电容来弥补。
5.上述调整结束之后再调整鉴频器。将万用表改接在JX\(_{3}\)对地两端。调整B5磁帽使表针回到零位。如不能回到零位,可调整C\(_{35}\)或更换D3、D\(_{4}\)。此时上下旋动B5的磁帽,表针应朝正负两个方向摆动相同角度。
6.接上两米左右的塑料软线当天线,转动拖线方向使噪声最小,声音最大,到此调试告结束。
如果自己有一台高传真扩音机,可以从图1的A、B两点用隔离线引出信号加到扩音机的拾音端、扩音机将发出音质优美的调频广播节目。(陶士民 张建军)