声音空荡、空洞:有时听起来像扬声器对着水缸放音一般的声音,甚至音量开大或低音开足时会出现轰隆声。其原因多是由于喇叭箱设计或制作不当,致使扬声器的基本谐振峰未受到抑制,与喇叭箱产生共振所致。
喇叭箱木板厚度或装配强度不够,木质不坚实,箱体谐振频率偏高,就容易与喇叭的声频产生共振。一般选用口径为8英寸的低音扬声器时,箱体的木料厚度应达12毫米以上。10英寸以上的扬声器,其木箱木料的厚度应在18毫米以上。此外,在后盖板上应加交叉型的强固木条(见图7a),或在前后盖之间安装加强筋(见图7b),也是抑制箱体共振的有效措施。四壁连接角的接合法也大有关系,以图8所示的接合法为好。图8中,角木撑条的紧固螺钉应水平与垂直相交旋紧,螺钉位置最好不要等距离间隔,以防止形成固定的谐振峰谷比。


箱体尺寸设计不合理,外型过薄或吸音材料不良,使箱内产生驻波强峰,也容易使喇叭箱发生共振。箱体尺寸的高、宽、深之比应避免做成整数倍关系,一般推荐的比例有5:3:2,2.5:1.4:1.1等。
闭箱式结构箱体谐振频率高,谐振幅度大,更容易触发共振,使用时要特别当心。近年来,国内外对采用闭箱结构十分慎重,大多数都采用倒相式。如果有的同志已做好了闭箱式喇叭箱,因存在共振问题而又难以改制成倒相式时,可用松软的羊毛毡、泡沫塑料或弹松的旧棉花等做吸音材料将箱内空间填满,以抑制谐振峰。
出现此类声音空荡时,因谐振频率附近的乐音信号非线性失真显著上升,所以乐音的低音成分听起来也必然会失去柔和感。
声音发闷、不明亮:一般说来是由于乐音信号2000赫以上的中高音、高者成分不足所引起。对于设备来说,大多是收音机中频通带过窄,频率响应特性不宽所致。有些自行调试的收音机,往往只片面追求中频增益最高,声音最响,而将中频选择性曲线调得很尖,使中频通带不足4~6千赫,就会出现这种毛病;在用录音机作信号源时,如果磁头长期不清擦,磁带上脱落的磁粉将磁头磁隙遮盖,使磁带不能紧贴磁头录放音,也会使中高音频率特性下跌。
声音发喑:具体表现为乐音的细节不清彻,金属打击乐器(如钹、锣等)失去金属感。一般是6000赫以上的高音成分不足。其原因多系喇叭高频特性不良或所用喇叭布布料质地太密、高音被严重衰减。一般国产10英寸以上的单盆低音喇叭大多发不出6000赫以上的高音。国产6\(\frac{1}{2}\)英寸喇叭可兼顾高、低音,如果用两只4欧61;2英寸喇叭串联放音,其高频端响应可达8000赫以上,是一种效果较好的经济方案。
有些同志以为口径小的喇叭高音必然好,其实并不完全如此。就拿我们常见的小型半导体调幅收音机中用的国产喇叭来说,虽然口径在125毫米以下,但高频响应并不好,一般只能达到3000~4000赫。露天广播用的号筒式喇叭,人们通常称它为“高音喇叭”,其实是中音喇叭,它的高、低频响应都很差。
在小口径喇叭的纸盆上适当涂些清漆,可以改善喇叭的高频特性,做成一个小高音喇叭。如果想判断喇叭的音质,可使用具有新唱针的唱机放唱密纹唱片,节目选轻音乐或英语教学唱片(不宜选用交响乐曲),此时注意倾听,以铃、钹等乐器的声音逼真,或英语字母的齿音清晰为好。如果有调频收音机或优质录音机,也可以得到音质好、高音丰满的节目源。调频广播的高端频响可达15千赫,比中波调幅广播的音质好得多;一般录音机的频响约达8千赫,家用优质立体声收录机的高端频响可达12~14千赫。
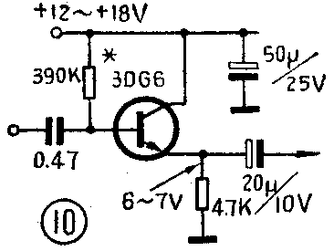
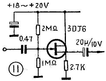
声音单薄、乏力:具体表现力雄壮的乐曲听起来不雄壮,缺乏力度。其原因多是由于音响设备的音调电路有故障或低音扬声器灵敏度低,致使低音与中低音不足。使用晶体唱头的唱机接入扩音机时,如果扩音机的输入阻抗在250千欧以下,也会造成低音衰减。我们知道,晶体唱头的特性阻抗为容性阻抗,它从唱片上拾取信号属于振幅响应型。目前市售国产酒石酸钾钠晶体唱头的等效电路见图9,图中C\(_{o}\)为晶体唱头的等效电容。其数值约为500~5000微微法。Ri是扩音机的输入阻抗,也是唱头输出端的负载阻抗。由于C\(_{o}\)的存在,送至Ri上的信号电压将随频率的降低而衰减,R\(_{i}\)愈小低音衰减愈重。一般取Ri≥250千欧,就可获得平坦的放音特性,实际设计时R\(_{i}\)多取在470千欧以上。扩音机中常用的高阻抗输入电路有两种:一种是用晶体管组成的射极跟随器(见图10);一种是用场效应管组成的高阻抗输入电路(见图11)。场效应管栅极容易击穿,装配时应小心,以选用J型管为宜(如3DJ6、3DJ4等)。严格说来,采用晶体唱头拾音时,相对于唱片的录音频率特性来说,会使高音略有衰减,可在唱头的输出端(或扩直机输入级的基极电路中)串接一个如图12所示的简单补偿电路。




声音发散、发飘:多指所听高音。具体表现为乐器的声音飘飘忽忽不和谐,乐音音调由低向高变化缺乏基础,高音似飘忽而来。这种现象一般是因为设备频率响应的中频段在较宽的范围内下降了4~5分贝,使乐音的泛音与基音的比例在重放时失调。比如,有些业余爱好者在自制组合式喇叭箱时采用高、低音两只喇叭,低音用10英寸或12英寸喇叭放音,高音用自行改制的3英寸或4×6英寸喇叭放音,而分频点又取得太低(在2000赫以下),便容易出现中频段频响特性凹陷。出现这种毛病时,可使分频网络在中频分频点附近多重叠一段就可解决。
声音发尖、毛噪:具体表现为在乐音节目的高音成分较多时,经设备重放有尖锐的刺耳感。其原因多系设备的高频及中高频提升过量,高出正常值10分贝以上。致使高音失真显著增加特别是利用纸盆式喇叭放送高音时,多同时有声育发“毛”的感觉。
在一般输出功率余量不十分大的收音机、扩音机中(例如5瓦以下),不应无分析地一律引用音响设备的高保真技术。例如,采用全硅管的功率放大器,因为器件的高频截止频率很高,当瞬间大信号使末级功放管工作于非线性区时,会产生许多高次谐波辐射至收音机输入端,被磁性天线收到,形成尖刺的杂音或啸叫声。此外,当这类扩音机采用喇叭分频道放音时,也不应把分频网络交接处的衰减特性做得太陡,否则信号经过斜率处时会产生微分效应,出现嘶嘶声。
有金属声感:在便携式收音机中,当频率特性的中高频段有个别区域突然提高,而且机壳塑料件、金属标牌、网板等相互间又粘接不牢时,就容易随着喇叭放声产生带有金属感的音频机震声。要想判断收音机或扩音机是否处于临近自激状态,最简单的方法是敲击机座底板,若喇叭放音中的金属声感明显增加,就说明电路已工作于临近自激状态。
非线性失真对音质的影响
对于业余爱好者的音响设备来说,常见到的是一种谐波非线性失真。举一个最简单的例子:当一个正弦波信号经过音响设备放大或电声设备转换时,如果输出信号的波形发生了畸变,便会产生许多原信号中所不包含的高次谐波成分,这就叫做谐波畸变,是一种非线性失真。现在一般失真仪所测量的音响设备的失真就是这种谐波畸变。
人耳对不同次数谐波的感知灵敏度是不一样的,感知时的心理作用也不同。绝大多数人对奇次谐波感觉灵敏。图13为失真系数与感知人数的比例的关系曲线,专业人员因为受过训练,所以可觉察出1~2%以下的声失真系数。奇次谐波是非音乐性的,在心理作用上它给人一种烦燥感,因此容易被人感知。产生奇次谐波成分比例最大的是如图14a所示的交叉失真,其次是“大小头”失真(见图15a)。第三种较常见的失真是削顶失真(见图16a),它所产生的奇次及偶次谐波成分比例都很大。使用SZ-3型失真仪检测上述三种类型的失真值时,可从失真仪的监示屏上分别观察到如图14b、图15b、图16b所示的波形。




在自制音响设备中,最容易出现的失真是交叉失真和“大小头”失真。交叉失真是由于乙类推挽功率放大器上下两半电路交替工作时,不能很好地衔接引起的。另外,当上下两个功放管或电路的频率特性不完全对称时,多会在高音频信号输入时出现交叉失真。这种失真用一般改善失真的方法(如加深负反馈等)是难以矫正的,它仅和两只推挽管特性的一致性及静态电流有关。在业余配管比较困难的条件下,可适当将功放管的静态电流调得比额定值略大些(如5瓦以上的OTL、OCL电路可略大于10毫安),使其工作状态接近甲乙类,有利于改善交叉失真,但需注意功放管的热稳定性和用来调整工作点的微调电阻的可靠性,防止电流过大引起管子发烫。
对于“大小头”失真,只要将各级工作点调正确,负反馈量调适当,级间的输入输出阻抗匹配合适,问题便不难解决。在自装的小型收音机中,末级功放管及功放级前面的推动管工作点更应调准。同时,喇叭接地端的引线不要随便接,一般应接在输出变压器的接地端,或接在OCL、OTL电路印刷板输出端附近的地线上。
削顶失真多是由于某级放大电路动态范围不够,或音响设备输出功率储备量不足所致。半导体放大器(包括集成电路放大器)的过载失真有“硬限幅”特点,即当输入信号增大、使放大器进入过载工作时,会立即使输出信号波形呈削顶状态,此时谐波失真系数迅速增加。例如,在用录音机录制或转录节目时,许多同志不会利用盒式录音机上的VU音量表来监视调节录音电平。当录音音量偏高时,谐波失真系数则上升;录音音量偏低时,又会使信噪比变差。一般音量表指示在0分贝时为标准录音音量;输入音量超过此值时,失真会逐渐增加;而当录音音量趋向饱和时,失真会急剧增加。图17为送入频率为400赫的正弦信号时录音音量与失真的关系。生产录音机的工厂在调式音量表的录音电平指示时,常使用正弦波信号。但是用户在实际使用时,所录节目多不是正弦信号,而是如图1(见上期)所示的乐音波形,它比纯正弦波的波峰值大。又由于音量表是一个指针式仪表,表针从静止位置起动直到指示到录音信号峰值约需0.3秒,但实际上乐音信号一个波幅连续0.3秒的很少,因此音量表不能指示出节目的峰值。峰值与音量表指示值的差数叫峰值因数。不同类型的乐音,峰值因数也不同,高者可达20分贝,低者也在6分贝以上,一般多为12分贝左右。因此,在录音时录音音量可取指针摆动的中间值,一般为-6分贝左右,以最大摆幅不超过0分贝为佳(可参考图18)


声音烦躁:由于波形畸变所产生的高次奇次谐波多容易造成这种感觉。若音响设备音量开大时无这种感觉,开小时反而有,或放低音多的节目无这种感觉,放高音多的节目时则有,一般多属交叉失真引起。若音量开小时无这种感觉,开大时才有,且越大越严重,则多属“大小头”失真。交叉失真严重时引起的烦躁感尖细刺耳;“大小头”失真严重时引起的烦躁感声发“破”。
声音发硬:谐波失真系数达5~10%时就会有这种感觉。这是一种最常见而又较难确切判断失真部位的毛病。这是因为人们听惯了的收音机、电视机的声音,在低频段与高频段的失真度多已达到5%以上,使人耳对这类失真的感觉已有些迟钝了。其次,音响设备的各组成部分,如收音、录音、唱机、扩音、喇叭等,每部分的失真系数都可能达这种程度。尤其喇叭往往是最薄弱的环节。判断失真部位常用取代比较法,即用音质好的设备接入试听比较。
声音发破:严重时甚至有劈裂声或声音阻塞现象,就象说话者的喉咙被卡住了一样。这时失真已达10%以上。比如半导体收音机里的电池快用完了的时候,其声音就类似这一种。这是因为电源电压下降以后,各级电路工作的动态范围显著变小,信号已工作于晶体管的截止区。同理,自制的新音响设备,若电路有故障,使信号已工作于晶体管的截止区或饱和区,也会使输出信号出现削波失真使声音发“破”。这类故障多发生在扩音机内的某一级。(待续)(高闻)