国外生产的电视机在我国使用时,往往由于采用的制式与我国不同,必须加以改动,才能正常使用。本刊曾介绍过“进口电视机改频”的方法。本文介绍一种使用变换器进行变换伴音中频的方法。此变换器可以预先制作并调测好。需要时,只要把它接入到所改电视机的适当部位上即可。不必拆改调谐回路的元件,也不必更换陶瓷滤波器。在机器台数多,不愿拆改或不易拆改时,使用这种方法是简便可行的。
一、原理
伴音中频变换器是利用混频原理进行频率变换的。电路图如图①所示。不难看出,图中电路和收音机变频级相似,使用一只晶体三极管同时完成振荡与混频任务。输入端有6.5兆赫的选频回路,输出端有所改电视机伴音中频(4.5兆赫或5.5兆赫)的选频回路,振荡器的振荡频率为2兆赫或1兆赫。把这个变换器接入到所改电视机的适当部位,就可把我国制式的6.5兆赫伴音中频变换为4.5兆赫或5.5兆赫的伴音中频。

二、元件作用与选择
图①电路中,B\(_{1}\)是输入调谐变压器,它对视频检波器所产生的6.5兆赫伴音中频信号进行调谐,然后加到BG的基极。B2是反馈振荡线圈,振荡信号经C\(_{4}\)耦合到BG的发射极。B3是输出调谐变压器,调谐在4.5兆赫或5.5兆赫。C\(_{1}\)、C8分别为输入、输出隔直流耦合电容。C\(_{3}\)为高频旁路电容。C6、L\(_{1}\)组成滤波电路。R1、R\(_{2}\)为BG的偏置电阻,R3为BG的发射极电阻。C\(_{2}\)、C5、C\(_{7}\)是调谐回路电容。
C\(_{5}\)、C7由所改电视机原来的伴音中频而定。当原机伴音中频为4.5兆赫时,C\(_{5}\)选39P,C7选100P。当原机伴音中频为5.5兆赫时,C\(_{5}\)选180P,C7选68P。B\(_{1}\)3采用10A型电视伴音中频变压器,B\(_{1}\)选用10TS229型,B3选用10TS2211型。B\(_{2}\)选用收音机中波振荡线圈LTF-2-3型,也可用SZZ1、105E、BGX-4等型。晶体三极管BG尽可能选取r′bb、C\(_{0}\)b、NF小、BVCEO>20V,P\(_{cm}\)>100mW的管子,如3DG4C、3DG8C等。
三、装配与调试
图②为B\(_{2}\)采用LTF-2-3型时的印制板图;图③为B2采用SZZ1等型时的印制板图。先按图②或图③印制板图制板并打孔,焊接前应将印制板铜箔面擦净、涂上助焊剂,用电烙铁镀上一层薄锡。元件脚也应刮净镀锡。


全部元件焊好后,把12V电源的正端接在印制板B端,负端接在印制板D端。接通电源,并用20KΩ/V万用表测量BG发射极对D端的电压,正常值为3.5V左右。然后把C\(_{5}\)短接,使振荡器停振,此时发射极对D端的电压为3.1V左右。如果测得电压与正常值偏离较大时,可调整R1,必要时可更换晶体三极管。
利用扫频仪BT-5可以方便地进行特性曲线的调试。首先把BT-5输出电缆接A与D端,输入检波头接C与D端,Y衰减置于10,Y增幅置于最大,输出衰减置于20分贝。将印制板上的C\(_{5}\)短接,接通电源,调节扫频仪的频偏及中心频率,并分别调B1\(_{3}\),调出如图4所示的波形。然后,断开12V电源,把BT-5输出电缆的BNC插头改接到“频标输入”处,在输出电缆心线上,串上100P电容,接至BG发射极。频标开关打在“内”,找到1兆赫或2兆赫频标,使它出现在荧光屏中心。再把C5短接线去掉,接通12V电源,频标开关打在“外”,调节B\(_{2}\)使振荡信号出现在原来1兆赫或2兆赫的位置上,如图⑤(a)所示。最后,再把输出电缆重新接回到BT-5的“输出端”和印制板A端,调节扫频仪衰减,使波形如图⑤(b)所示。如果波形中心不在6.5兆赫或者波形振幅并非最大,曲线不圆滑有干扰,则必须反复仔细调整。在实际使用时,可能还要进行微调。


四、实际应用举例
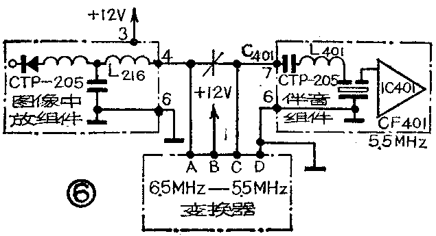
彩色电视机为了避免伴音中频与彩色副载频差拍产生杂波干扰,一般都在视频检波前就分出伴音中频。例如,日本日立公司生产的CTP-205型彩色电视机,其伴音中频为5.5兆赫。对于这种电视机,伴音中频变换器应按图⑥所示方法接入。

黑白电视机几乎都在视频检波后取出伴音中频。对于日本三洋公司生产的T1240型电视机其伴音中频为4.5兆赫,变换器可按图⑦所示方法接入。对于日本松下公司生产的TR-286E型电视机其伴音中频为5.5兆赫,变换器可按图⑧所示方法接入。图⑥~图⑧中标有“×”处,为接入变换器的部位。


对于伴音中频吸收回路,可以用改变LC元件数值的方法或更换陶瓷滤波器的方法进行改动,在不产生干扰或要求不高时,也可以不改动。(韦玖喜)