串联式晶体管稳压电源的调整管和负载相串联,全部负载电流流过调整管,因此在使用中如果不慎使输出短路,调整管将流过很大电流,而且几乎全部整流电压U\(_{sr}\)都加在调整管c~e之间,容易使管子损坏。为了解决这个问题,多数电源都加短路保护电路。一般串有取样电阻的短路保护电路不但增加功耗,也增加电源内阻,而且装、调都比较费工。我们设计了一种三极管短路保护电路,省去了取样电阻,所用元件不多,工作稳定可靠,下面介绍给大家参考。

图1是调整管集电极输出型电路的短路保护原理图。调整管基极电流可用开关K控制。正常工作时开关K接通,调整管基极电流通过电阻R流通,因此有电流输出;一旦输出端短路,只要将开关K及时断开,使调整管基极电流截止,则调整管集电极就只有穿透电流流过,这个电流很小,因此调整管功耗也很小,只要耐压足够,调整管就不会损坏。

图2是调整管射极输出型短路保护电路原理图。正常工作时开关K断开,一旦输出端短路,开关K立即接通,将调整管基射极短路,集电极电流也就为0,从而使调整管得到保护。

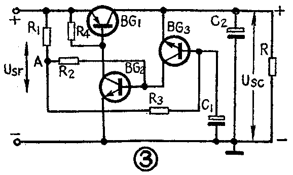
实际电路中开关K是用三极管代替的。图3为调整管集电极输出型短路保护电路。调整管BG\(_{1}\)的基极电流靠BG2导通而流通,因此BG\(_{2}\)就起图1中开关K的作用。正常工作时,BG2靠R\(_{1}\)、R2提供基极电流而处于放大状态。BG\(_{3}\)是短路保护管,其射极接输出正端,集电极接BG2的基极,基极通过电阻R\(_{3}\)接于A点。只要适当选择R1、R\(_{2}\)的数值,使A点电压UA≤U\(_{sc}\),那么BG3的基射极就处于反向偏置或0偏置,因此BG\(_{3}\)是截止的,对稳压电源的工作无影响。一旦输出端和地线短路,BG3的射极则处于0电位(参看图4),于是U\(_{sr}\)便通过R1、R\(_{3}\)给BG3提供基流,适当选取R\(_{3}\)的数值,就可使BG3处于饱和状态。BG\(_{3}\)的饱和压降约为0.3伏,低于BG2的基射极开启电压(大于0.5伏),因此BG\(_{2}\)截止,同时BG1也因无基极电流而截止,起到了保护作用。

图3中电阻R\(_{1}\)、R2和晶体管BG\(_{2}\)除在短路保护中起作用外,在正常工作时,还在稳压电路中起作用。R1、R\(_{2}\)的数值主要根据稳压电路的要求来确定。对于短路保护来说,只要能满足UA≤U\(_{sc}\)即可。下面谈谈R3的计算。
BG\(_{3}\)饱和时BG2一定截止,因此这时
L\(_{c3}\)≈UsrR\(_{1}\)+R2(忽略BG\(_{3}\)的饱和压降)
U\(_{A}\)≈Ic3R\(_{2}\);Ib3=\(\frac{U}{_{A}}\)-0.7VR3
(0.7V为BG\(_{3}\)饱和时的基射极电压);
∵I\(_{b3}\)≥Ic3β\(_{3}\), ∴UA-0.7V;R\(_{3}\)≥Ic3β\(_{3}\),
R\(_{3}\)≤β3(U\(_{A}\)-0.7V)Ic3=β\(_{3}\)(R2-0.7R\(_{1}\)+R2;U\(_{sr}\))
短路故障排除以后,为了使电路恢复工作,可采取两种办法,一是将负载电阻R去掉,二是关机后重新开机。负载去掉后,BG\(_{3}\)则对输出电容C2充电,使BG\(_{3}\)射极电压逐步升高,基射极正向偏置逐渐减小,最后使BG3截止,BG\(_{2}\)导通,电路又恢复工作,接上负载便能输出正常电压电流值。
开机后稳压电源是怎样达到正常输出电压的呢?由图3可见,一开机BG\(_{2}\)就有基极电流,因此调整管BG1立即导通,而且在向负载电阻提供电流的同时也向C\(_{2}\)充电,使输出电压Usc很快地建立起来。
那么电容C\(_{1}\)起什么作用呢?我们知道,在开机的瞬间,输出电容C2还没有来得及充电,因此输出电压即BG\(_{3}\)的射极电压为0,这就有可能使BG3导通。加了C\(_{1}\)以后,在开机的瞬间,由于C1也没有充电,因此BG\(_{3}\)的基极电压也为0,BG3不能导通。以后虽然BG\(_{3}\)的基极电压逐步升高,并趋于A点电压,但该电压升高的速度低于其射极电压升高的速度(因BG1在开机时能提供很大的充电电流),从而使BG\(_{3}\)始终处于截止状态,不影响电路的正常工作。

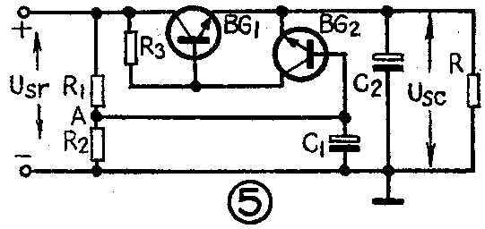
调整管射极输出型短路保护电路如图5所示。其中BG\(_{1}\)是调整管,BG2是短路保护管,起图2中开关K的作用。适当选择R\(_{1}\)、R2的值,使A点电压U\(_{A}\)≤Usc,BG\(_{2}\)基射极就处于反向偏置或0偏置,BG2截止,对电路工作无影响。一旦负载短路,BG\(_{2}\)射极就变成0电压,其基射极因有正向偏置而导通,只要R1能给出足够的基流,BG\(_{2}\)就饱和,将BG1基射极短路,使BG\(_{1}\)截止,起到保护作用。(霍国良)