普通单通道无线电遥控设备在工厂区或车间内使用时,由于周围环境干扰源较多,容易受干扰而误动作。本文介绍一种简单的抗干扰措施,可以提高遥控设备的抗干扰能力。
这种简单措施就是在接收机末级选频放大电路后面加一个延时吸、释继电器,电路见图1。合上开关K,电源通过电阻R向电容C充电。这时继电器J因两端电压太低,电流很小,处于释放状态。随着电容两端电压的逐渐提高,充电电流逐渐减小,而流经继电器的电流逐渐增大,直到电流等于继电器的吸合电流时,继电器吸合,完成延时吸合动作。断开开关K,电容器向继电器放电,使继电器继续保持吸合状态,直到电流减小到继电器释放电流时,继电器才释放,达到延时释放的目的。

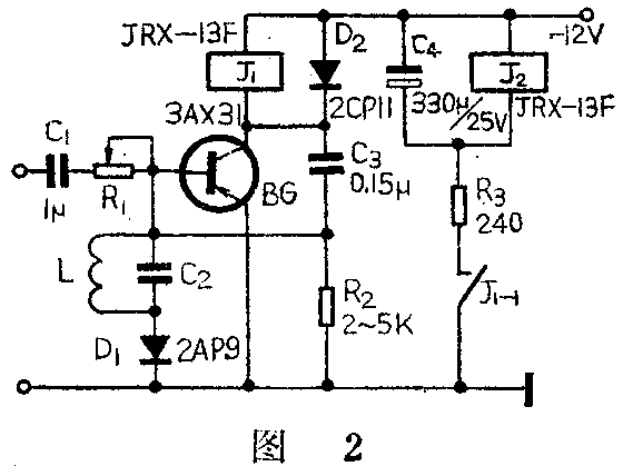
图2是将延时吸、释继电器加在接收机上的情况。图中BG等为接收机末级选频放大电路,J\(_{1}\)是原机执行继电器,由它代替开关K控制J2,再由J\(_{2}\)控制遥控对象。

由于外界干扰信号一般都具有幅度大、宽度窄的特点,所以J\(_{1}\)如因干扰而发生误动作,每次时间都很短,不致影响J2的正常工作,从而使遥控对象可以稳定地工作。
我们取C\(_{4}\)=330μF,R3=240Ω,继电器J\(_{2}\)用JRX-13F型,其延时吸合和延时释放的时间均约为1秒钟。这时间已足够将一般干扰信号隔离。如果嫌时间短,可加大电容C4的容量,当C\(_{4}\)=1000μF时,其延时吸合时间约为2秒、延时释放时间约为3秒。
一般遥控接收机在组装调整时,为了提高其抗干扰性,往往有意地将其灵敏度调低,这样就缩短了遥控距离。当加了这个电路以后,可以把接收机的灵敏度调高一些,使遥控设备的控制距离增加。(阎恭举)