(路民峰)TTL与非门是数字集成电路中最普通最常见的电路。在简易自动控制设备、仪器仪表以及无线电爱好者的装置中,有时为了应急修理、就地取材或教学实验等,如能将与非门作一些变通的使用,会带来很多方便。
添加输入端数
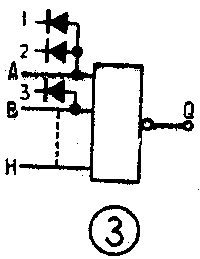
图1是国产T060单与非门的外引线及逻辑图。输入端最多只有8个,如果我们需用9个以上怎么办?采用图2所示常规的利用逻辑交换的办法,则至少要用5个与非门,级联太多不仅浪费器件,且工作速度也受损失。一种变通的办法是如图3所示:在与非门的输入端加上若干锗开关二极管,就可将其输入端加以扩展。锗开关二极管在通过与非门的门电流、(约1mA左右)时,压降大多不会超过0.2伏,这就等于在电路级联中把低电平抬高了0.2伏,但对一般设备来说是不会影响正常工作的。



在要求较高的场合,与非门输入端的扩展是采用带扩展引出端的T061,它是由输入多发射极管的集电极引出线作为扩展端的。图4和图5a分别为其逻辑图和线路图。使用时不必外接元器件,只需将若干个T061的扩展端相连即可合并成16、24、32……等输入端的与非门。例如图6就是用2个T061连成16输入端的与非门,信号由门A输出,而门B仅作为扩展器使用。连接时门B只需接上电源,地线应断开不接,这样门B仅T\(_{1}\)管工作,T2~T\(_{6}\)均截止,节省功耗。有的厂生产的T061,在T1管多发射极输入端,做有箝位二极管(图5b),这时由于流过R\(_{3}\)的电流经过箝位二极管也加到输入端,门电流会增加约1mA左右。



输入端如扩展太多,对电路的抗干扰性和工作速度有影响。因为是T\(_{1}\)集电极相连,故当某一输入端接“0”而其余输入端接“1”时,流过接“0”输入端的电流将是各个被连门的门电流之和,如图7所示,这个电流过大会使T1的饱和压降过高,影响电路的抗干扰性。如果输入全为“1”,如图8所示,流入T\(_{2}\)管基极的门电流将比常规增大,从而T2管饱和加深,速度略为变慢。所以这种带与扩展端门仅推荐在TTL中、低速系列中使用,这时上述影响在扩展2~4倍输入端的情况下都将不是主要的。


代用与门
T061不仅可以方便地扩展输入端数,而且还可作为与门代用。从图5线路可见,T\(_{1}\)集电极引出端Y和多发射极输入端之间是同相的,且只要有一个输入为“0”,则T1通导饱和,从而集电极Y亦必然为“0”。这显然是“与”的逻辑功能,因而可以如图9所示代替与门工作。

代用时为使Y端输出的高电平不受T\(_{2}\)、T5的eb结所箝位以及节省功耗,地线也应予断开。这样的代用与门的开关速度比常规与门快得多,这是因为信号仅由T\(_{1}\)延时,而T1又处于接近共基极的工作状态,本身延时极小。但由于T\(_{1}\)的电流容量不太,集电极输出端Y允许所带负载不能和常规与门相同,实测典型电路Y端空载时VOL为0.14V~0.18V;1KΩ负载时V\(_{OL}\)为0.25V~0.3V,这相当于3~4个负载,故一般以带2~3个负载为限。同时,由于T1集电极的实际“0”电平电位是T\(_{1}\)的饱和压降和前级门的“0”电平之和,因此抗干扰能力略逊于常规与门。

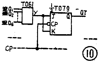
图10是一个应用实例,这是用JK触发器组成多级同步计数器中的第七级,代用与门作为J、K输入的引导门,由于速度快、功耗低、输入端多,使用方便。
延时门




用与非门T061按图11所示连接即可起到延迟作用,由图可见当输入由“0”→“1”时,外接电容C通过电阻R\(_{1}\)和T1的bc结充电,只有当充电电压到达与非门的门槛电平时,输出才会由“1”变“0”,从而如图12所示输出比输入延迟了t\(_{D}\)时间。电容C容量越大则tD越长,C最大不宜超过0.1μF,表1为一典型电路t\(_{D}\)的实测数值。用两只与非门如图13所示方式连接,可以组成延时与门,输出为正脉冲如图14所示。由于输入、输出通过电容C相连,因而存在正反馈,延时可靠,输出信号边沿也陡直。C的容量从零到数百μF均可,表2为一典型电路tD的实测数值。
表1
C 100PF 1000PF 0.01μF 0.047μF
tD 1.5μs 7.8μs 96μs 0.26ms
表2
C 100PF 1000PF 0.01μF 0.047μF 0.1μF 1μF 10μF 100μF
tD 2μs 8μs 120μs 0.5ms 1.lms 12ms 0.14s 1.5s
振荡器和触发器
用与非门组成多谐振荡器是较常见的,图15所示为最简单的一种,R为100Ω~1.5KΩ,C最小一般为几十PF,最大原则上不受限制。改变R、C即可改变振荡频率,当选用R=100Ω、C=100PF时,f=10.8MHz;R=600Ω、C=2200μF时,f=0.2Hz。


图16电路可以得到空度比为1∶1的方波,R\(_{1}\)=R2约300Ω~800Ω,R\(_{3}\)为0~1KΩ可调。因为输出波形为对称的方波,故常在电子乐器中用作音阶信号。表3为R1=R\(_{2}\)=470Ω,C1=C\(_{2}\)=0.22μF,在不同R3时图16电路振荡频率f的实测数值。
表3 R\(_{1}\)=R2=470Ω,C\(_{1}\)=C2=0.22μF
R\(_{3}\)(Ω) 0 100 200 400 600
f(KHz) 4.5 3.7 3.0 2.2 1.8
图17所示的振荡器频率调节范围较宽,R\(_{1}\)可从0到1.5KΩ,R2约200Ω~400Ω。表4为R\(_{2}\)=330Ω,改变R1和C值时,振荡频率f的实测数值。


表5
C 100 PF 1000 PF 0.047μF 0.1μF
tD(μs) 0.8 3.3 150 300
用与非门也可方便地连成单稳态触发器。图18为一种负脉冲触发的宽延时单稳态触发器,延时t\(_{D}\)主要决定于电容C。R阻值一般为5KΩ~10KΩ,表5为R=5.1KΩ时延时tD的实测数值。C最大可达几百μF,延时数秒。延时t\(_{D}\)结束后还需要等待一段时间(称为恢复时间),就是要等待电容C两端电压不再变化时,方能进行第二次触发,否则,不是电路不能触发,便是所得延时不稳。等待第二次融发所需的恢复时间决定于RC,图18电路中C=0.047μF、R=3.4KΩ时,实测延时为180μs,恢复时间为78μs。输出波形如图19所示。


用与非门组成双稳态触发器可以有多种方式,如用六个与非门组成的D触发器、JK触发器等,现已有做成单片的集成触发器定型产品。但在业余条件下,例如在简易电子乐器中作音阶分频器或自动节奏节拍发生器以及其他简单的分频电路时,常用与非门组成如图20所示的双稳态触发器。它只需外接两个电阻R\(_{1}\)和R2以及两个电容C\(_{1}\)和C2,R\(_{1}\)=R2约10KΩ,C\(_{1}\)=C2约0.01μF。
声响器
与非门可以直接带动一只4Ω~8Ω的小扬声器,不用添加任何元件,只需将扬声器由与非门输出接至地线或电源即可。由于TTL的输入输出动态线性范围不宽,而且在线性区静态功耗较大,故不宜象CMOS电路那样作线性放大器用,但作为脉冲声响输出却是合适的。如图21所示。这种声响器可用于数控设备作检测发音、数字钟的报时声响、抄发报电码练习、代用电铃等等。在用4Ω扬声器时输出约300mW,无信号时,扬声器中电流为零。


负电源发生器
有时在设备中需用一组功率不大的负电源,这时可不必另装电源,只需用3个与非门按图22连接即成。其中门\(_{1}\)、门2组成约4KHz的振荡器,门\(_{3}\)起缓冲作用。该电路在空载时可输出-3.4V,负载为470Ω时输出-2.2V,200Ω时输出-1.8V,100Ω时输出-1.3V。

与非门电路的变通使用方法还很多,以上只不过是几种简单的应用例子。上列表1~表5的数据都是典型电路的实测数据,由于集成电路生产工艺的离散性,不同电路数据也会有所差异,表中数据可看出一个趋向和大致数量概念,供读者制作时参考。