一、电路简介
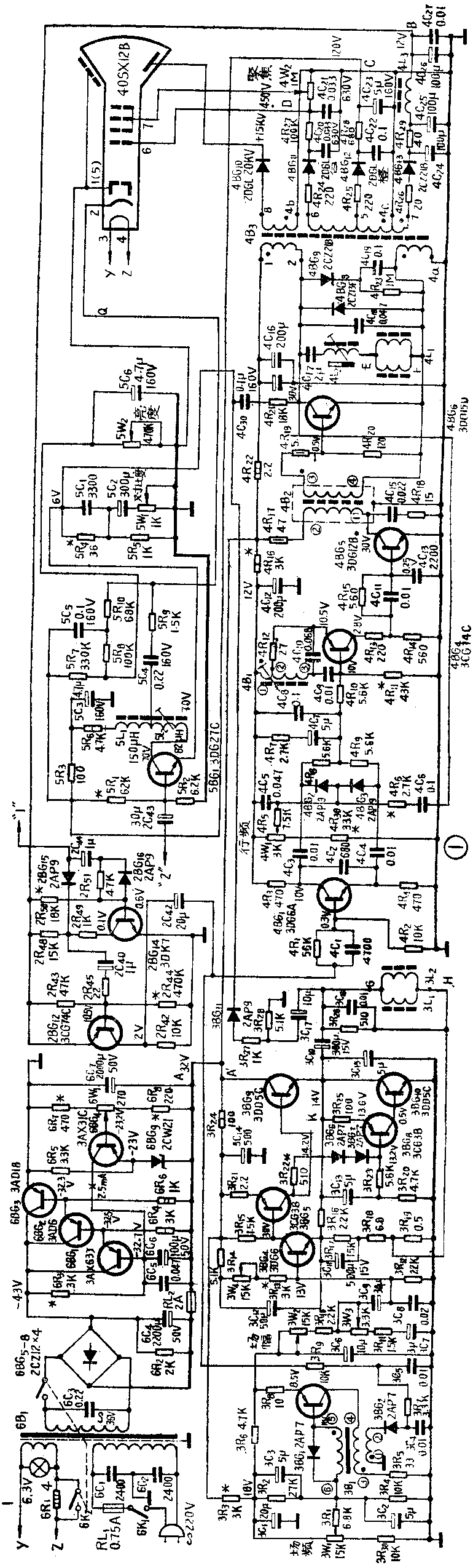
目前,业余制作电视机的水平,已经从制作9、12英寸向16、19英寸的电视机发展。较大屏幕与小屏幕的电视机相比,其高频头、图象中放、伴音、视放等电路基本上是一样的。不同的仅仅是随着屏幕尺寸的加大,偏转角度由90°变成110°或114°;显象管管颈由φ20毫米加粗到φ29毫米;偏转灵敏度也相应提高2.5倍;显象管的阳极电压也要提高到14KV以上。这样,小屏幕电视机的行、场扫描电路的输出功率就不能满足要求,而需选用较大输出功率的行、场扫描电路。图1为16、19英寸黑白电视机的一种低压供电扫描电路。在场扫描电路中,除了采用3DD5C作输出管的OTL大功率输出电路外,推动功率也要相应加大,为此在振荡级后加了两级激励放大器。在加大输出功率的同时,也要注意保持线性良好,所以在电路中加了两组电流负反馈电路,以补偿电流波形的畸变。
在行扫描电路中,目前国内流行两种供电方案;一种是“高压”供电,即扫描部分的工作电压选用70~100伏;另一种是“低压”供电,即扫描部分的工作电压在40伏以下。图1所示电路采用的是32伏供电方案。为什么要采用32伏呢?大家知道,在设计行扫描电路对,应着重考虑的几个数据是:工作电压E\(_{C}\)、回扫脉冲电压EP、行输出管最大集电极电流I\(_{CP}\)、偏转灵敏度SH及扫描线性和电路中的损耗等。


表1列出了16或19英寸显象管在行扫描电路采用的四种不同工作电压的一些数据。可以看出,工作电压选择得越低,行输出管集电极电流I\(_{CP}\)越大,当选用24伏以下的工作电压时,ICP≥5.1A。常用行输出管的I\(_{CM}\)=5A,给选用24伏工作电压时,ICP=5.1A、E\(_{P}\)=200伏,这时行输出管工作在极限状态,稍有意外就会烧坏管子,而且行输出管工作在非线性区域,行线性很差。另外,行电流最大时,管子的饱和压降最高,约为2伏左右,所以电路中的损耗最大,工作效率很低。如果把工作电压提高到32伏,这时EP虽然升到了250伏,但I\(_{CP}\)却降到了4A,电路中的损耗也降低了。总之,在偏转功率相同的情况下,如果提高工作电压,就会减小工作电流,达到减少损耗,提高效率的目的。但是工作电压也不能选得太高,因为扫描逆程期间,行输出管集电极上的反向峰压是工作电压的8~10倍,如果工作电压选得太高,就要求采用耐压高、性能好的高反压管作行输出管,即要求BVCEO≥700~1000伏。这样的管子,不仅价格很贵,而且还不容易买到。
经过以上比较看出,扫描工作电压选用32伏是一个比较合适的方案,这时,只要采用9英寸或12英寸电视机用的性能较好、耐压稍高的行输出管,就能胜任。同时,对电路中其它阻容元件的要求也变化不大,耐压32伏或50伏的电解电容也容易找到。至于低压供电对行输出管的一些要求,将在下面介绍。
由图1可知,行振荡、行推动电路与常见的电路基本相同。行输出电路与其它电路不同之处是将行输出变压器初级线圈分成两组,此种接法等于将行输出管的输入与输出端悬浮起来,这样可以减低一些回扫电压,降低了对行输出管的要求,同时还可以减少一些外电路通过公共地线对此级的串扰。4BG\(_{9}\)、4R23和4C\(_{19}\)组成削峰波电路,以防止电路异常时损坏行输出管。高、中压电路同其它同类型电视机一样。12伏低压也取自行输出变压器次级的一个绕组,应该注意,它的始未端同中压、高压绕组正好相反。
二、制作

图2为扫描电路的印制电路板图,除了行、场扫描电路外,视放输出、同步分离电路也装在此板上。图3(a)为扫描电路的安装示意图,行、场输出管的散热片也装在上面。行输出管的散热片做成罩型,兼作行输出变压器的屏蔽罩。图3(b)为行输出管散热片的尺寸。图3(c)为场输出管散热片的尺寸。注意大功率管与散热片之间用薄云母片(如果没有云母片,可用两层聚脂薄膜代替)绝缘好。管子的固定螺钉上要套上合适的塑料管,垫上绝缘垫圈,大功率管装上散热片以后,在接入电路以前,一定要用万用表高阻挡(R×1K、R×10K)测一下管壳与散热片是否短路,绝缘电阻要在10M以上。


表2给出了行、场扫描电路的线圈和变压器的数据。场振荡变压器绕制时一定要记好始末端,否则容易装错、使振荡器不起振。行推动变压器也要注意始末端。行偏转线圈4L\(_{1}\)用直径为0.35毫米的四股QZ型漆包线,绕46圈,具体绕法本刊已有介绍,这里就不多说了;场偏转线圈最好采用拉回绕法,绕在磁杯上,每绕完一层,将线拉回到首端再绕下一层,共绕8层,圈数分别为:60、64、70、74、77、81、84、90,均用直径为0.31毫米的QZ型漆包线,上、下各绕600圈。行、场偏转线圈均为并联接法,始末端相联。

行线性调节线圈4L\(_{2}\)绕在一个大工字型磁心上(也可用细磁棒代替),上、下各放一块圆型永久磁铁,上面的永久磁铁开一个长槽,以便调节用,如果没有圆磁铁可用两块45号圆型钢片,充上磁即可用,或用废喇叭上的磁铁在沙轮上磨成。铝罩用废日光灯的启动器外壳,顶部打一个φ6的孔。其结构如图4所示。(待续)(胡少英)