当一台扩音机、一套喇叭箱或一架收音机装调完了的时候,人们常常怀着急切的心情去试听它的音质,根据自己的听音经验,判断出音质的好坏,进而确定下一步对设备调整和改进的方案。这一项工作不仅对于缺少测试仪器的业余爱好者尤为必要,就是对于专业单位,在一套新音响设备经过性能测量后,也需要组织多方面有代表性的人来试听,这个过程叫做听音评价(又叫主观评价)。这是因为现有的技术指标和测量方法,还不能全面反映音响设备的性能;而且人们的欣赏口味、爱好、听音经验也各不相同;此外,即使同一套音响设备,如果在房间内的放置位置不同,音响效果也不会一样。所以,如何判断音质好坏和怎样改善音质,确是一个值得研究的问题。本文将在这方面谈一些体会和认识,和大家商讨。
什么是音质?
各种乐器、歌唱、语言所发出的声音(以下统称乐音)都是复合音,这些复合音的特点是包含着多种频率成分,并具有忽起忽落的周期性变化规律。当这些振动声波传到人的耳朵时,就能使人们明显地感到音调、音色、响度等差异。音调主要反映人耳对声音频率和声压的感受;音色是同样音调和音强的不同乐音所具有的不同特色,它主要取决于乐音的波形。乐音的波形可分解为基音和比基音频率高的分音,这些分音统称为泛音。按频率从低到高依次称为第一泛音、第二泛音……。当泛音频率与基音频率成整数倍关系时,称这种泛音为谐泛音(谐泛音成分多的乐音音色圆润)。谐泛音与基音的关系就类似电信号中的基波与谐波。图1a为某乐音的波形,图1b为这种波形的基音与各谐泛音成分。

包含基音和各种谐泛音成分的乐音,经过各种电声音响设备处理后,如经过话筒、磁带录音、胶片感光录音、唱片刻槽录音、无线电广播与接收、扩音机扩音、喇叭或耳机放音等过程后,再生的乐音与原发乐音波形的相似程度,就是所谓音响设备的音质,也就是我们通常所说的保真度。
乐音能不失真地重放出来的基本条件是:
①如实反映原声源乐音的各种频率成分;②保持原乐音的波形;③有与原乐音的幅度变化(声音的强度振幅)成比例的幅度变化规律,并应尽量少混进原乐音中所没有的声音成分,如噪声、交流声等。
这些要求体现在音响设备的性能上,有传统的三大指标:频率响应特性、非线性失真、信噪比及动态范围。这些性能指标可以用仪器测量出来。但测量时采用的多是单一频率的、连续变化的,有恒定幅值的正弦波信号,它不能逼真地模拟原乐音的波形,只是对一种单调的、无瞬态变化的乐音某一频率成分的模拟,所以以上三项指标又称为静态特性。
为了如实反映乐音的客观实际情况,近年来比较重视了对波形变化瞬态特性的分析与测试。比如,常有人用声音的“软”和“硬”来评价一套音响设备的音质,音响设备如不能将乐音波形的起振状态如实地反映出来会影响到音质的“软”和“硬”。在乐器中,木琴的声音硬朗而清脆,它在受棒锤打击发出声音时,起振状态就立即达到最大峰峰值,并且是短促的跳跃音符(见图2)。大鼓的声音雄厚而柔和,它在被鼓锤打击时,起振状态并不立即达到峰峰值,而是先出现小峰,并且在结束时有一定的拖尾。这些波形的特点就形成了各种乐器固有的音色。如果用扩音机放大这两种乐器信号,显然,木琴的波形比大鼓的波形中包含高次谐波成分多得多。这不仅要求放大器的频率响应范围要足够宽,能以同样的放大量传递各个谐波成分,保持总合成波形不畸变,而且还应尽量减小由于放大器的非线性使信号产生的互调失真。这种失真是信号中低音频对高音频产生调制而出现的不该有的新频率成分。另外,放大器对信号的不同频率成分会产生不同程度的相位延迟或前移,当经过多级深度负反馈后,某些频率成分的信号会在某瞬间因为相移接近180°,变成正反馈。它们反馈到前级输入信号动态范围小的部位,和所输入信号中的同频率分量叠加,就会使合成信号振幅在该瞬间内超过该级的线性工作区,造成瞬时切顶失真。这种失真常常是构成一般所谓“半导体声音”躁、硬的一大原因,而且切顶失真的频率越高,使人越感觉烦躁。就目前阶段而言,由于对乐音信号经过音响设备的波形瞬态变化无完善的测试方法,所以听音评价更显得重要。

频率响应对音质的影响
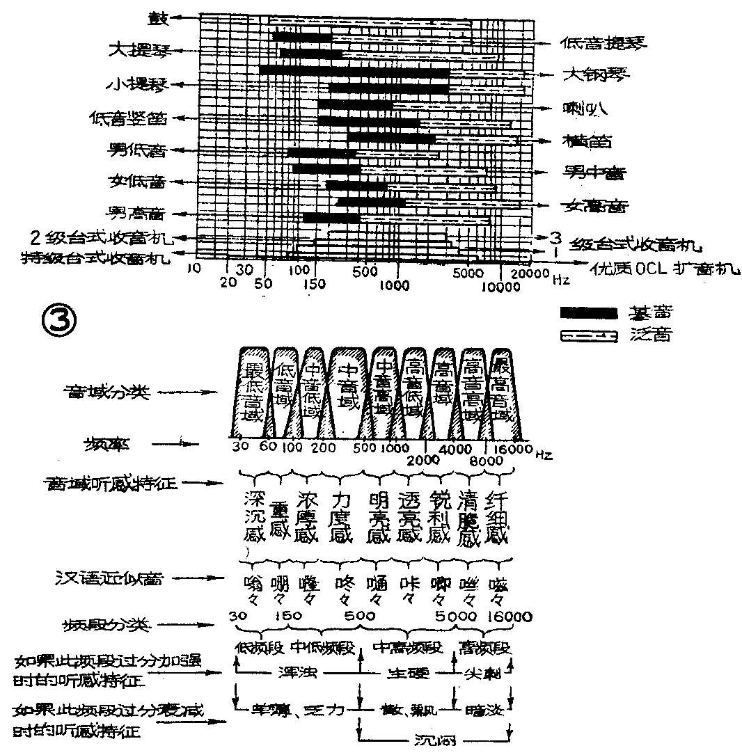
要想学会用耳朵判断设备频率响应特性的好坏,首先必须对声谱有一个大概了解,并应掌握几种常听声音的大致频率范围。
乐音的声谱(频率范围)一般在30~16000赫范围内。图3中,上部绘出了部分代表性乐器和歌唱演员以及不同级别的收音机、扩音机的频率范围,中部把这些频率划分为九个区域四大段,并注明了每个区域声音近似汉语发音的音色特征,以便于业余爱好者分辨实听乐音的大致频率范围。

对最低音域的30~60赫的声音,人们对它的感觉比听觉更灵敏。我们不妨回忆一下庆祝活动时的大鼓声,它的最低音有使人胃部受振动的感觉,也有好象周围整个房屋都在振动的感觉,此区域的低音如果不达到相当强度,人耳是不易听到的。一旦能听到时,其声音也就能传播很远。从劣质的扩音机听到的交流嗡声,并不是50赫市电电源的基波声音,而多是100赫以上的声音。
中音是我们从各种音响设备中听到最多的声音,其平均频率约500赫。我们最熟悉的马路上的各种汽车喇叭声,其声音频率多集中在400~80O赫之间。
辨别高音时,可注意生活里的真实铃声和人说话时的齿音,它的余音中的“嗞”音频率就达10000赫以上。如果音响设备放不出这些余音,铃声则会变得不纤细清晰,金属感不强。而说话的人会像是在隔壁屋内讲话、不是站在面前讲话。
10000赫以上的声音在转播过程中衰落得快,要离得很近才容易听到,具有一种“钻”进耳朵的感觉。
乐音经过音响设备重放后,如果能如实反映原声源的频率特性,并且波形畸变较小,那么在听音评价时,就会感到低音丰满柔和、中低音雄厚有力、中高音明亮透彻、高音纤细洁净,全段乐音层次清楚。若某一段频率响度提得过量,或有一、二段的频率响度不足,则使人听来会有不舒服或不逼真的感觉。这种感知程度与频率有关,也与每个人的听音经验、音乐素养有关。图4为人耳对每个乐音频率所感知的灵敏度偏差曲线。虚线代表一般人听音的灵敏度偏差曲线,实线代表专业人员的偏差曲线。从图中可见,在400~2000赫频率范围内,人耳(包括专业人员和一般的人)所感知的灵敏度与实际情况差不多,偏差近似为0分贝,也就是说,此时人耳对响度的变化最为敏感;在乐音的低频段和高频段,人耳所感知的灵敏度与实际情况相比,则有较大差别。专业人员听音经验丰富,听音灵敏度偏差小些,一般人经验不足或没有经验,听音偏差就大。例如,在100赫、10000赫频率附近,响度变化只有在+4分贝或-6分贝以上时一般人才会有明显的感觉,而专业人员在+2分贝或-4分贝以上时就能感觉出来。

下面分别讲讲业余爱好者常遇到的与频率响应有关的音质问题。
声音浑浊:其现象是乐音的层次不清楚,均衡感被破坏,甚至乐音中明亮的中高音成分(如笛声、小号等)或女高音歌唱变得含混晦涩,显得很“沉闷”。其原因大多是低频段以及中低频段提升过量,经过电路传输放大和扬声器放音后,中高音和高音成分被过强的低音和中低音成分调制,产生了互调失真。也可能是声波在室内传播时,中低音经墙壁反射,混响音过强所致。此提升量一般超过正常值(原声源乐音中各频率的比例) 6~10分贝以上即易出现这种混浊现象。这往往是某些业余爱好者片面追求“倍司(BASS)”足,不分音乐内容,常把低音调控制器开足的毛病。其实,许多低音喇叭所发不出的低音(如80赫或60赫以下),被电路过分提升,作用到喇叭上时只会有害。喇叭音圈上的磁场在变化,但纸盆不动,反会形成一种阻力,有碍纸盆随其它电频率而振动的自由度。对于喇叭能放得出的低音频率,听交响乐曲时可将低音适当提升,但该不该将低音提升,还应看扩音机所配喇叭的类型。若是只具有一只大口径低音喇叭(8~12英寸)放音,则不宜提升。因为这时从扩音机送出的电信号全部加在一个喇叭上,而音圈在信号的电磁场作用下只带动一个大纸盆振动,这个纸盆要同时反映出频率高低相差100倍左右的振动是很困难的。而且由于低音频信号振幅被提升得远大于高音频信号,这个高音频信号便容易被低音频信号调制,产生出新的和频与差频成分,造成音质混浊。可以用一个不十分确切的比喻来说明:例如,我们坐在汽车中听着汽车发动机的震动声,当汽车开过路面高低不平的石铺道路时。因车身的大幅度颤动,会使原来很单一的发动机声随颤动而起伏变调,这就是发动机声被车身震动声所调制而产生和频与差频的新声音成分。
若是将低、中、高音电信号分别送到两只或三只具有低、中、高不同频率响应特性的喇叭,则可克服上述调制问题,低音也可提得略高些。最简单的分频方式如图5,性能再好一点见图6的三分频方式(此时注意每一路喇叭的阻抗应一致)。关于这种分频方式的设计方法,请详见本刊1979年第6期、第7期《多只扬声器的组合与分频》一文。


对只有一只低音喇叭的业余爱好者来说,最好的办法是依靠改善音箱来获得满意的低音,而不应该偏重在电路上去过于提高音调作用范围。(待续)(高闻)