其中的关键是稳压管D,按图中接法a点获得负电压。所以全机其他晶体管均使用PNP型管子,同时该电压又兼做6P1的栅负压,所以必须在-10~-12伏左右。这里应注意6P1的全部电流都流过稳压管D,所以稳压管应选用2DW21F或2CW21G等。如果稳压管D换一种接法,可以获得+10~+12伏左右的低压电源。如图14所示,除电解电容C\(_{1}\)负极改接地外,其余与图13相同。这种线路的优点是在电源变压器参数相同时,比图13线路的电压高出10~12伏。如晶体管所需电压小于10伏,可用两个稳压管D1,D\(_{2}\)按图15接线。AO间可输出+E1,E\(_{1}\)是稳压管D1的稳压值。BO间可输出-E\(_{2}\),E2是稳压管D\(_{2}\)的稳压值。E1,E\(_{2}\)数值可按需要任意选择,但必须保证UAB=10~12伏。另外稳压管D\(_{1}\),D2的工作电流必须选择大于6P1的工作电流。图13线路也可以用图16的接法代替,上述三种情况中稳压管如果找不到,可用电阻电容并联代替(图中C\(_{5}\)、R5),稳定效果当然差些。C\(_{5}\)可取100~200微法;R5一般取几百欧。根据需要进行调整,注意应该接上负荷调整。并最好加一级阻容退耦电路如R\(_{6}\)、C1。



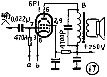
图17是一个典型的电子管功率放大器,一般可获得2瓦左右不失真输出功率。图中a、b点根据全机晶体管的情况(PNP或NPN)可分别按图13、14、15线路联接。输出变压器B可用普通的市售成品。自制时可用GEI16铁芯叠厚28毫米;初级用QZ-2,φ0.13毫米漆包线绕3200圈;次级如接4欧喇叭可用QZ-2,φ0.67毫米漆包线绕95圈;次级如接8欧喇叭,可用QZ-2,φ0.6毫米漆包线绕135圈;铁芯气隙为0.1毫米。如果功放级用两只6N1构成推挽输出,将会得到比上述线路更佳的音质和更高的效率。可见图26。


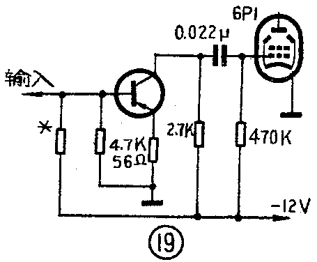
小功率电子管甲类功率放大器只要求输入电压,因此晶体管推动级应设计成电压放大器,常用线路见图18,晶体管的选择(PNP或NPN)及其电源设置应使得推动级与功放级成为直接耦合,以减少相移和失真。特点是推动级负载采用了电感L,这主要是为了充分利用电源,提高本级输出动态范围。和L并联的电阻R是为了限制输出幅度和加宽通频带。L可以采用一般晶体管收音机的输入变压器的初级。如嫌低频响应不够可以自制。铁芯使用XE6铁心,叠厚12.5毫米,用QZ-2,φ0.08毫米漆包线绕5000圈,可不用层间绝缘。这里R用4.7千欧。晶体管集电极电流调到2毫安。

晶体管负载也可以用电阻。但这时晶体管能输出的最大电压振幅将比用电感时小一半,因此6P1的推动电压不足,收音机的输出功率也将减少到原来的1/4,不能充分发挥6P1的作用。为了满足功放电子管的工作点,两级间只能用阻容耦合,见图19。当然电阻负载的优点是频率特性好,元件也容易获得。如果功放管改用6P14,因其负偏压为6V左右,则功率仍能充分输出,也能和推动级直接耦合,如图20。


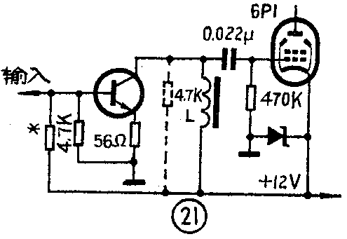
如果推动级使用NPN型晶体管,则不论用电感还是电阻做负载,推动级和功放电子管之间的耦合只能用阻容耦合。图21画出电感做负载的情况,以便和图18、19相对照,L的参数与图18相同。

2.调谐指示在混合收音机中也得到了应用。屏压,灯丝电压按前述方法解决,控制电压按以下几种方法解决:①在中周次级加绕线圈。用φ0.08左右的漆包线绕100圈,与原次级线圈串联,见图22。注意极性不可接反。检波二极管用锗管,型号不限,反峰压大于30伏。②另一种方法是按图23连接,L可选用调谐在465千赫的线圈(如双调谐中周的一半),用3-5P的电容与末级中周的初级连接,也能得到满意的效果。在以上两种方法中,如果想调节输出电压的幅度,就应该在线圈上留出抽头来。③按图24加一级直流放大器。晶体管用PNP型小功率管(如3AX),要求漏电流小,β取50左右,调整时注意不要使晶体管深入饱和区,否则会降低调谐指示管的灵敏度。调整方法是:在无电台信号时调偏流电阻R使U\(_{AB}\)为0.5~1伏。图25是使用NPN型晶体管的线路,晶体管用+10伏供电。当晶体管截止时,集电极电压会升得很高,所以加入二极管D进行钳位。任何反峰压大于15伏的管子均可使用。




三、应用实例
图26是一个带调谐指示管的混合式收音机检波以后各级电路。两只6N1组成的推挽功放可输出2W不失真功率。输入变压器B\(_{2}\)起倒相作用。前置级加有配唱机的频率均衡电路。集电极电流分别调到:Ic1=0.4~0.5毫安;I\(_{c2}\)=1~1.2毫安;Ic3=2~2.5毫安。电源变压器B\(_{1}\)使用GEIB19铁芯,叠厚32毫米,初级用QZ-2,φ0.23毫米漆包线绕1250圈,次级高压用QZ-2,φ0.14漆包线绕1520圈,灯丝绕组用QZ-2,φ0.67毫米漆包线绕38圈。初、次级之间加屏蔽。输入变压器B2用GEI12铁芯,叠厚21毫米,初级用QZ-2,φ0.08毫米漆包线绕3500圈;次级用同号漆包线双线并绕3500圈(层间可不加绝缘),然后将两线圈串联。输出变压器B\(_{3}\)用GEIB19铁芯叠厚24毫米,初级用QZ-2φ0.11毫米漆包线分两段绕制,每段2500圈,然后串联。次级如接4欧负载,则用QZ-2φ0.67毫米漆包线绕112圈;如接8欧负载,则用QZ-2φ0.6漆包线绕158圈。(郭沐)