收音机上附加时钟,用时钟控制收音机的开关,会给使用收音机的人带来不少方便。我国现在有多种时钟收音机。K103时钟收音机是国产全电子数字控制收音机的一种。它可以分为电子钟(包括控制电路)和收音机两大部分。时钟部分采用石英晶体作为时间基准,因此走时精度可达各类时钟的最高水平,并且不受电源电压波动的影响,受冷热影响也极小,可以保证长年使用,精度变化甚微。与石英晶体相配的振荡器及分频器采用了先进的C-MOS集成电路;时钟及钟控集成电路MM5387AA采用了P-MOS大规模集成电路,它具有现在国际上时钟收音机所具备的各主要功能。显示器用发光二极管LED组成,具有本身发光,字形清晰、寿命长、功耗低等优点。控制部分由两个半导体三极管组成。由于时钟及控制部分均采用电子器件,没有齿轮、轴承等机械装置,因此没有磨损现象。寿命一般可达十万小时以上。
一、收音机部分
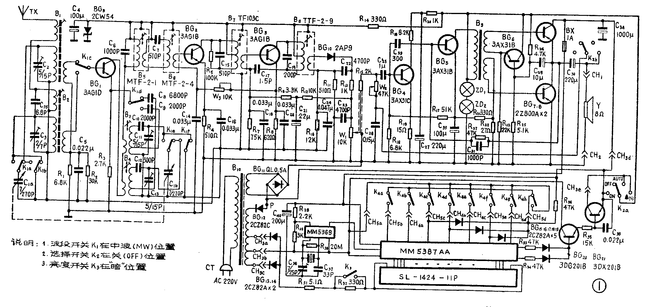
收音机由8个半导体三极管组成。两个波段,中波频率为525~1605千赫,短波为3.9~12兆赫。音频功率放大器采用无输出变压器低放电路。整机电声性能指标均符合四机部三级机的要求。中波使用磁棒天线,短波使用拖线作天线。在偏远地区可使用室外天线,中短波均能改善收听效果。
从图1可以看出该机与一般半导体收音机电路稍有不同。BG\(_{7}\)、BG8为功率放大管,与输入变压器B\(_{9}\)组成带输入变压器的OTL电路。BG6、R\(_{23}\)、R24、C\(_{29}\)组成电子滤波器,其作用是使功放级中点得到一个稳定的电压值。该机的自动音量控制采用“接力AGC”电路。检波后的直流分量经过R9、R\(_{12}\)、C21组成的延迟电路控制BG\(_{3}\)的集电极电流。当信号增大时,检波后的直流分量也随之增大,使BG3集电极电流减小,从而降低了第二中放的增益。由于BG\(_{2}\)的基极通过可变电阻W3与BG\(_{3}\)的发射极联接,当信号越来越大时,BG2的电流也开始减小,因此第一中放的增益相应下降。这种AGC电路直接控制着两级中放的集电极电流,具有比较宽的动态范围。与一般收音机的自动增益控制电路相比,虽然增益被控制,但是中频变压器的Q值不降低,所以在强信号时仍有相当好的选择性,并且不产生阻塞现象,但低频输出幅度变化却要比使用一般AGC电路大。电路的另一个特点是双连可变电容不直接接地,而是接到电源线通过100微法滤波电容接地,这种接法对提高混频和中放的稳定性有益处。

二、时钟及控制部分
时钟由电源、集成电路MM5369AA、MM5387AA发光显示板SL—1424—11P (LED)、晶体HC-18/u及一些外部控制电路组成。简化成图2所示。

时钟部分的电源见图3。负6伏用来点亮发光二极管。负20伏是两块集成电路的电源。对集成电路来说负20伏是低电位,0伏是高电位 。

时基部分由集成电路MM5369AA、晶体HC-18/u和一些电阻电容组成。石英晶体的固有频率是3.579545兆赫。经过内部分频,时基部分输出每秒60赫方波。准确度可达10\(^{-}\)6数量级。MM5369AA的外形见图4。发光板是由发光二极管组成的,整个板子共有34条接线,除5~8脚是空脚外,其余各脚分别与集成块MM5387AA的相应各脚连接。MM5387AA的外形见图5。1~22及39、40脚与发光板连接,其余各脚与有关的控制键连接。电源控制器由BG\(_{2}\)0、BG21及BG\(_{18}\)、BG19组成。它的作用原理是:当MM5387AA的25或27脚无脉冲输出时,BG\(_{2}\)0的基极为-20V,BG20没有电流流过,因而BG\(_{21}\)处于截止状态(相当于开关断开)。当MM5387AA的25或27脚有脉冲输出时,BG20的基极电位接近于0伏,此时BG\(_{2}\)0的发射极电位也随之升高,B35上有1.3毫安电流流过,使BG\(_{21}\)的截止与饱和(即相当于开关接通)。通过BG21的截止与饱和控制了收音机的电源。


时间由4位数字显示。左边两位显示小时,右边两位显示分。中间的两点每秒钟亮暗一次,表示时钟在工作。小时数用0~12表示。数字左上方的亮点发光表示上午;数字左下方的亮点发光时表示下午。

图6是MM5387AA的内部方框图。从时基振荡器来的每秒60赫的方波从35脚输入,经过整形回路进入分频器,分频器输出每秒1赫的标准信号。该信号送入时钟的秒计数器。秒计数器是一个60进制的计数器,它除了计数之外每进入60个脉冲输出一个脉冲给分计数器。(待续)(上海101厂 王长崧)