大家知道,步进电机有A、B、C三个绕组,它的输入脉冲分配器若按A-AB-B-BC-C-CA的次序循环通电,则步进电机以每步1.5°顺时针方向转动。反之,若按A-AC-C-CB-B-BA的次序循环通电,则步进电机以每步1.5°逆时针方向转动。图1是步进电机驱动部分方框示意图。

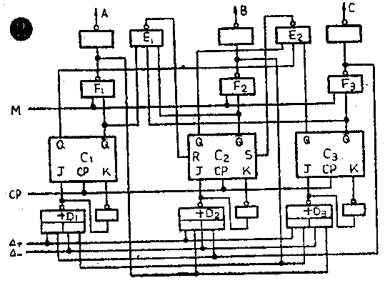
本文介绍一种用抗干扰能力较强的HTL集成电路组成的三相六拍、能控制步进电机作正反运转的脉冲分配器,电路见图2。

图中C\(_{1}\)、C2、C\(_{3}\)是JK触发器,部标型号为H043,厂标型号G63;D1、D\(_{2}\)、D3是与或非门,部标型号H011,厂标G43;其余的是与非门,部标型号H003,厂标G10。选用HTL集成电路抗干扰能力可达6.5V左右,所以在一般的工作环境中可以抑制由电源、继电器等所产生的干扰。
在这里,我们先复习一下JK触发器的特性:
(1)当J=K=0时(0为低电平,1为高电平,以下同),触发器保持原状态不变。
(2)当J=0、K=1时,CP(时钟脉冲信号)来一个脉冲,输出端Q=0、Q-=1。
(3)当J=1、K=0时,CP来一个脉冲,输出端Q=1、Q-=0。
(4)当J=K=1时,CP来脉冲信号,JK触发器成为计数触发器,起分频作用。
了解了JK触发器的特性,我们再来看图2电路的工作步骤。假设步进电机是作逆时针运转,脉冲分配器的控制端应为+=1,-=0。触发器C\(_{1}\)、C2、C\(_{3}\)的Q-端起始状态为“100”,即为A相通电,同时又经与非门 F1、 F\(_{2}\)、F3倒相后使与或非门D\(_{1}\)、D2、D\(_{3}\)的输出分别为“010”状态。此时C1触发器的J=0、K=1,C\(_{2}\)触发器的J=1、K=0,C3触发器的J=0、K=1。
当CP来第一个脉冲后,C\(_{1}\)、C2保持原状态不变,C\(_{3}\)翻转,三个触发器的输出端Q-为“101”状态,即AC相通电了。又经F1、F\(_{2}\)、F3倒相使与或非门D\(_{1}\)、D2、D\(_{3}\)的输出分别为“110”状态,此时C1触发器的J=1、K=0,C\(_{2}\)、C3触发器的J、K端保持原状态不变。
CP来第二个脉冲后, C\(_{1}\)触发器翻转,C2、C\(_{3}\)触发器保持原状态。C1、C\(_{2}\)、C3触发器的输出端Q-现为“001”状态,即C相通电了。又经F\(_{1}\)、F2、F\(_{3}\)倒相后使与或非门D1、D\(_{2}\)、D3的输出分别为“100”状态,此时C\(_{1}\)、C3触发器的J、K端保持原状态不变,C\(_{2}\)触发器的J=0、K=1。
CP来第三个脉冲后,C\(_{1}\)、C3触发器保持原状态,C\(_{2}\)触发器翻转。三个触发器的输出端Q-为“011”状态,即BC相通电了。同时又经F1、F\(_{2}\)、F3倒相,使与或非门D\(_{1}\)、D2、D\(_{3}\)的输出分别为“101”状态。C1、C\(_{2}\)触发器的JK端保持原状态,C3触发器的JK端变为J=1、K=0。
CP来第四个脉冲后,C\(_{1}\)、C2触发器保持原状态,C\(_{3}\)触发器翻转。三个触发器现在的输出端Q-为“010”状态,即为B相通电。又经F1、F\(_{2}\)、F3倒相后使与或非门D\(_{1}\)、D2、D\(_{3}\)的输出分别为“001”状态。C1触发器的JK端变为J=0、K=1,C\(_{2}\)、C3触发器仍保持原状态。
CP来第五个脉冲后,C\(_{1}\)触发器翻转,C2、C\(_{3}\)触发器保持原状态不变。此时C1、C\(_{2}\)、C3触发器的输出端Q-为“110”状态,即为AB相通电。
到此时,脉冲分配器按照步进电视反转的次序A-AC-C-CB-B-BA循环通电,使步进电机按每步1.5°反转。如果CP是一连串的脉冲信号,那么脉冲分配器就按照步进电机反转的次序不断地循环通电,步进电机就按反转的方向一步一步不断地转动。

如果步进电机反转到某一步时,需要步进电机改为正转,那就只要将脉冲分配器的正反转控制端改为+=0、-=1,脉冲分配器就按正转的次序A-AB-B-BC-C-CA循环通电,步进电机即正转了。图3是三相六拍脉冲分配器的输出波形,表1是真值表。

步进电机在运转过程中,脉冲分配器的输出是不允许出现“111”或者“000”状态的。因此图2电路中用了与非门E\(_{1}\)和E2来控制,E\(_{1}\)、E2的输出端分别接到C\(_{2}\)触发器的R、S端。如果C1、C\(_{2}\)、C3触发器的输出端Q-为“111”状态,则E\(_{1}\)的输出为“0”,R端接“0”使C2触发器复位,被坏了“111”状态。如果触发器C\(_{1}\)、C2、C\(_{3}\)的Q-输出端为“000”状态,则Q输出端必然为“111”状态,使与非门E2输出为“0”,S端接“0”使C\(_{2}\)触发器置位,破坏了“000”状态,因此是不可能出现上述两种状态的。
图2中M端主要起释放步进电机的作用。M端平时处于高电平,当要检修分配器时,应将M端置“0”,步进电机便处于停止状态。
电路所用电源为+15V,最高工作频率大于1.5MHz。

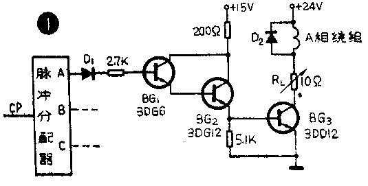
脉冲分配器的三个输出端A、B、C不能直接驱动步进电机的三个绕组,必须经过一级脉冲功率放大,见图4,BG\(_{3}\)作为驱动级,通过限流电阻RL与步进电机的一相绕组连接。一般的步进电机在低频时上作电流较大,所以R\(_{L}\)必须有足够大的额定功率。(上海无线电十九厂 严锦龙)