不少老式电子管收音机不带音调控制,因而不能达到随意选择音色的要求。
我有一台红星504—3型旧电子管收音机,经过简单改动,加装了音调控制,高低音可以分别调节,分频道放大,取得了仿立声的效果。现将改动的方法介绍出来供大家参考。
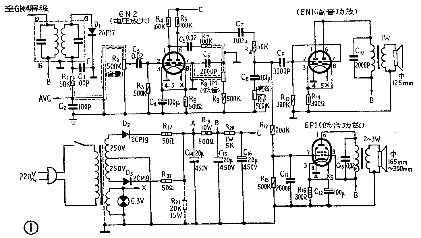
原机使用半只6N2作检波,另半只6N2作低频电压放大,6P1作功率放大,6Z4作整流。改动之后,检波级用晶体二极管2AP17;6N2用作两级低频电压放大;功放级仍旧使用6P1配市售3瓦输出变压器作为低音道功率放大,使用口径大于8英寸的扬声器,并放在喇叭箱内。喇叭箱的尺寸参考本刊有关文章。整流管改用两只2CP19(也可改用2CP4、2CP20、2CP33I、2CZ11E等二极管)。原来6Z4的位置改放6N1,只要将原来的洞锉大些就可以放进一个九脚管座(如果仍用原来的小七脚管座,可改变接线放6N15)。6N1双三极管并联作高音道功放,仍用原来的输出变压器喇叭,放在原来的位置。改动之后的电路见图1。R\(_{2}\)控制音量,R8控制低音,R\(_{11}\)控制高音。新增加的两只电位器可以因地制宜放在一个适合的地方。

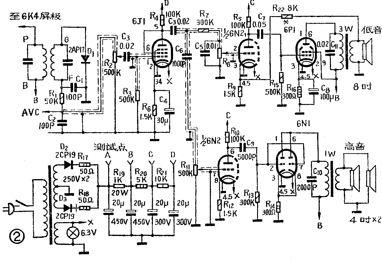
如果手头工具许可,在底板上另安一个七脚管座,加装6J1作为前置低放级,在6N2之前分频,分别放大高、低音,仿立体声效果更加显著,电路见图2。

如果原机是GT管的,那么6SQ7GT/G改用6N9作两级低放,5Y3GT/G的位置改用6N8双三极管并联作高音功放,管座不必更换;原来的6V6GT/G配市售3瓦输出变压器及8~12英寸扬声器作低音道功放。检波、整流如前述改动。

如嫌整流输出电压过高可按虚线接入一个20千欧、15瓦泄放电阻。如原机是用6G2作检波低放的,用原来管座只改变接线换6N15作两级低放。换管座可改用6N2作两级低放。其他照前述改动。从旧货商店买来的旧收音机经以上简单改动,不但取得了很好的音色,还节省了许多开支。(徐润魁)