(郭沐)晶体管具有省电、体积小,耐震可靠等优点,在收音机中逐渐得到广泛应用。而电子管也有其自己的优点,如动态范围宽,输出功率大等。在高音质的音频放大器特别是功率放大电路中电子管仍普遍受人们的欢迎。收音机也常采用晶体管和电子管混合应用的技术。使得晶体管和电子管各自的特点得到充分的发挥、降低了成本、提高了电路的性能。本文从以下几个方面介绍这种混合电路的应用。
一、晶体管在电子管收音机中的应用
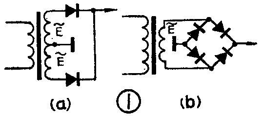
1、在整流电路中的应用:电子管收音机整流电路几乎全部使用全渡整流。当改用晶体二极管整流时可按图1a接法。此时要求二极管的反峰压值为2\(\sqrt{2}\)E;也可改成桥式整流电路如图1b所示,此时要求二极管的反峰压为2E。采用桥式电路,变压器次级只要一个高压绕组,绕制简单。五、六灯电子管收音机如使用晶体管桥式整流,变压器的输出功率可比使用6Z4全波整流少一半左右。管子的整流电流可取100到300毫安。另外低反压二极管串起来可当做高反压管用。此时每个二极管必须并联均压电阻。均压电阻可按每伏1千欧选取。如图2用四个反压100伏的管子串起来当400伏的管子用,R可取100千欧。当把电子管全波整流改为晶体二极管桥式整流时,最好把变压器次级高压绕组改成并联。可参见图3。但应注意极性不可接反。当中心抽头无法分开或其中一个绕组已断线时,也可只用其中一组接成桥式整流。不过要注意晶体二极管内阻比电子管6Z4的内阻小得多。因此仍旧使用原来电源变压器时整流出的直流电压会升高,电源变压器次级高压绕组供出的功率也会增加。只用半个次级高压绕组的改装电路,在实际制做中往往可在整流输出端串接500欧到1千欧的电阻来降低次级高压绕组供出的功率。如不另串电阻,可将输出变压器接电源的一端,从滤波线绕电阻的A点改接到B点。这样也可以减少电源变压器次级绕阻的供电功率参考图4。有时在旧收音机中要想不改动电源变压器的情况下提高它的直流供电电压,则可将电子管整流改成晶体二极管整流。某些电子管收音机6P1的部分栅偏压是由图5a中的R供给的。改成桥式整流之后,R的接法应如图5b所示。图6是一个实用的五灯机的电源线路图。自制变压器用GEIB19铁芯,叠厚为32毫米;初级绕组用QZ—2φ0.23毫米漆包线绕1250圈;次级高压用QZ—2φ0.16毫米漆包线绕1280圈;灯丝绕组用QZ—2φ0.86毫米漆包线绕38圈。整流管用4只2CP24,或用其他参数相同的二极管。此电路可做一般的五管机电源使用。






2.检波:用晶体管代管电子管做检波,线路简单、效果良好。在一些用6N2作检波和低放的旧收音机中,如果想加装音调调节网络,可以用晶体二极管代替做检波用的那半只6N2,再将这半只6N2用在音调调节网络中做第二低放。这样可以省用一只电子管。检波二极管可以直接接在中频变压器输出端和地之间。为了保证小信号时的灵敏度,应选用锗管。必须注意电子管收音机中,加到检波级的中频信号电压很高,最高可达十几伏,因此最好选用反峰压大于40伏的管子如2AP16,2AP23等。对于某些自动增益控制设计良好的收音机,中频输出电压能限制在一定限度,所以2AP9、2AP10也可以使用。
3.用晶体稳压管代替自偏压系统:电子管收音机中常用电阻和电容并联组成的“自给偏压”电路,如图7a所示。但是随着频率的降低,C\(_{K}\)的阻抗会增加,使放大器的低频增益降低。为了保证一定的低频增益,我们不得不加大CK的容量,使得自偏压电路成本增加。如果用稳压管D来代替R\(_{K}\)、CK,则不但能保证电子管的工作点,而且可以保证偏压电路本身交流特性不随频率而变化。这对放大器来讲是很理想的。选择稳压管时除了它的稳在值必须和电子管的栅负压一致外,而且电子管的工作电流应该小于稳压管的稳定电流。如6P1的栅负压为-12伏,工作电流是45毫安,因此可选2CW21F或2CW21G作偏压管。在中放、低放等放大器中,电子管的自偏压数值在零点几伏到二、三伏之间,可以用一个或几个硅二极管作它们的偏压管,如图8所示。


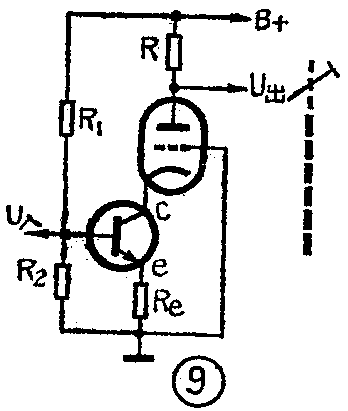
4.在中放电路中的应用:在电子管收音机的修理和改造中,把晶体三极管和电子管按图9串接起来构成一个能在宽广的频率范围内获得稳定高增益的放大器。例如当中放管衰老时,屏栅极间电容增大,容易产生自激。在修理时常用的方法是加大中放级的阴极电阻增大栅偏压。这样做自激是消除了,但中放增益却下降了。如果在中放管的阴极串接一个晶体三极管并使电子管的栅极接地,则屏栅电容变成了输出电容。因此既能消除自激,又不降低中放级的增益。对于某些旧收音机或用业余元件安装的收音机,如嫌中放增益不够,也可用此方法增加中放增益。具体电路例子见图10,6K4屏极和帘栅极接法不必改动。晶体管选用3DG6,β要大于50,发射极电流调到1~1.5毫安。放大器便能很好地工作。改动后的中放输入阻抗小于原来电路的输入阻抗,因此通频带会加宽。这通常并没有坏处。但如不想因通频带的加宽而降低收音机的选择性的话,可把晶体管的基极从中频变压器的G点改焊到A点。为了方便可以把中频变压器的中点作为A点。因为电管收音机的中频变压器线圈一般分两段绕制,这样只要设法把中点接头找出来即可作为晶体管的输入端。如果中放管6K4完全损坏,可以用任意的电子管三极管(如半个6N2)和晶体管串接作中放用。


5.在低放电路中的应用:在用6G2作检波和前置低放的收音机中,如要加装音调调节网络均要加一级电子管作第二低放。但采用晶体管和电子管串接的方法就可以不用再加电子管了。此时检波级要用晶体二极管担任。图11是一个实例。晶体管可选3DG6,β取100,I\(_{e}\)调到0.3毫安左右。放大器的输入端可以直接接到原音量电位器的动端上。原线路中频滤波电阻R一般取50千欧、改动之后要将其值减至5~10千欧。如把检波电路按图12改动则效果更好。图12中频变压器次级的抽头仍选在线圈的一半处。


二、电子管在晶体管收音机中的应用
1.功放 自从在晶体管收音机中使用OCL、OTL电路以来,晶体管收音机的音质有很大提高。然而人们还是普遍感到晶体管功率放大器的音质不如电子管功率放大器的音质好。其原因首先是晶体管功放对信号峰部产生严重削波,而电子管的过荷曲线则很平缓不容易产生削波。为了解决这个动态畸变问题,在同样输出功率的情况下,往往晶体管功放电路要比电子管功放电路具有大得多的功率储备量,一般晶体管收音机的功放级不满足这一要求。比如为了获得3瓦高音质音频功率,如果功率储备系数取5,则要有15瓦的功率储备量,这就必然增加功放级的成本,对业余爱好者来说这是不希望的。而电子管功率放大器可以轻而易举地获得几瓦的高音质音频功率。晶体管收音机音质差的另一重要原因是晶体管功放 (特别是OTL、 OCL电路)常常加入深度负反馈来获得一定的音质指标,结果引起了强烈的瞬态互调畸变。这些问题虽然得到解决,但付出的代价是电路复杂化,同时对安装和调试也提出更高的要求。这对初学者是感到困难的。

电子管在晶体管收音机中的应用最主要是功率放大器使用电子管,而其他各级使用晶体管。直流供电可参考图13线路。各部分的电压值已经标在图中。(待续)