(费加)上篇谈到,对于普及型电视机,主要应使观众对人、物等形象能有清晰的感觉。其次才是追求细节的分辨能力。因此必须注意对视放曲线中0.75~3MHz频率范围的提升,人为地造成该频率范围所对应的图象内容的异色镶边,使图象轮廓分明。但是,这种提升应该是适量的,过量的提升会适得其反,造成既宽又浓的勾边,使图象生硬。12D1A视放曲线见图13,其中对Ⅰ—0.75—2MHz略为提升,使图象透亮,过渡特性好;对Ⅱ—3MHz作了较大提升,造成屏幕水平方向大约1/300宽度图象内容的镶边,增加立体感;Ⅲ—4.5MHz继续适量提升,以补偿“馒头”状中放曲线—3dB处的下跌,增强图象细节。高频成分的提升应该适量,过渡要平缓,否则会使相位特性变坏,产生振铃和过冲。

②采取“馒头”状中放曲线
由于“馒头”状曲线变化平缓,对于图象脉冲中所含的高次谐波截止得不是那么突然,所以相位特性比较好,图象比较柔和。适当选择图象载频在曲线上的位置(如在40%处),能使图象轮廓分明、透亮。12D1A机中放曲线的形成主要取决于第三中放级。
③直流耦合视放电路
保持或恢复视频信号的直流分量对于提高图象质量,增强艺术感染力是十分重要的。交流耦合视放电路,由于信号在传输过程中经过隔直流电容后失去了直流成分,因此在观看不断变更的图象背景时,总有一种层次不清,灰蒙蒙的感觉。如果将两台视放耦合电路不同的电视机放在一起,作较长时间的观察比较,即可以看出两者之间的差别。
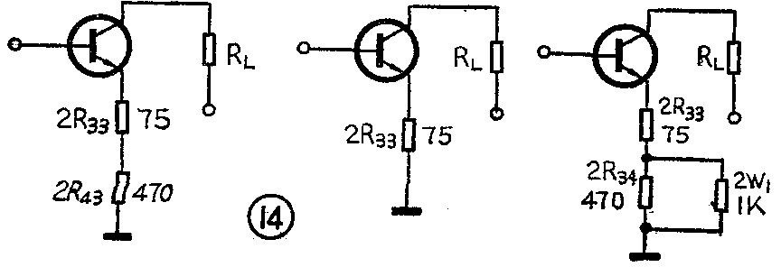
12D1A机视放管2BG\(_{5}\)的基极通过电阻2R32、2R\(_{29}\)直接接到视预放管2BG4的发射极,视放输出信号通过二极管2BG\(_{18}\)加至显象管阴极,这两部分均无直流损失。但其对比度控制电路中有隔直流电容2C39,使视频放大器对交流信号和直流信号的放大倍数不一样。这是一种部分直流耦合电路。
直流耦合系数K定义为K=k\(_{V}\)(直流)/kV(交流),视放增益(放大倍数)可简化为k\(_{V}\)≈RL/R\(_{e}\)(其中RL、R\(_{e}\)分别为视放管集电极和发射极等效电阻)。这时,直流放大倍数kV(直流)≈R\(_{L}\)/2R33+2R\(_{34}\)=RL/545(见图14a);交流放大倍数k\(_{V(交流)}\)当对比度最大(即2W1=0)时为k\(_{VⅠ(交流)}\)≈RL/2R\(_{33}\)=RL/75(见图14b),当对比度最小(即2W\(_{1}\)=1K)时为kVⅡ(交流)≈R\(_{L}\)/2R33+2R\(_{34}\)‖2W1≈R\(_{L}\)/395(见图14c)。因此,当对比度最大时,直流耦合系数K1=75/545≈13.8%;当对比度最小时,直流耦合系数K\(_{2}\)=395/545≈72%。

计算表明:12D1A视放电路的直流耦合程度随对比度大小而变化(见图15),即对比度减小时,直流耦合系数K将增大,反之则减小。

这种部分直流耦合电路比较简单,成本低,制作方便,效果也较好。同时,在原交流耦合(即电容耦合)机上改用这种电路也很容易。
3.简单的ABL电路(自动亮度控制电路)
图16为由二极管2BG\(_{18}\)、电阻2R75、电容2C\(_{41}\)等组成的ABL电路。当显象管阴极电流ik较小时,B点电位低于A点电位,二极管2BG\(_{18}\)导通,于是B点电位UB被箝于U\(_{A}\)(略去二极管正向压降)。当ik增大到i\(_{kM}\)时,B点电位将高于A点电位,二极管2BG18被截止。由于显象管阴极通过负反馈电阻2R\(_{75}\)接地,如果iK进一步增长,U\(_{B}\)将随之升高,致使显象管栅阴之间电压Ugk下降,因而限制了显象管阴极电流的增长(见图17)。我们知道,直流耦合机当无信号输入时,屏幕最亮,有信号时屏幕变暗。为了保证信号输入时屏幕有一定的亮度,必须使屏幕在无信号时比有信号时亮得多。这种异乎寻常的“亮”必将造成亮暗相差悬殊的感觉,同时对显象管的寿命也是不利的。加上ABL电路后,无信号输入时的亮度将大大地减弱,而在信号输入时仍能有同样的亮度。此外,如果视放管被击穿,二极管2BG\(_{18}\)便截止,避免了显象管阴极处于很低的直流电位,从而保护了显象管。


当二极管2BG\(_{18}\)截止后,信号将通过电容2C41加到显象管阴极,成为交流耦合。事实上,这种情况出现的比较少。在12D1A机中,只有当显象管阴极电流约大于140μA时,才出现U\(_{A}\)<UB。同时即使无信号时U\(_{A}\)<UB,但当有信号时,如果输出信号的直流分量U\(_{0}\)>UB-U\(_{A}\),视放输出仍为直流耦合。只有当U0<U\(_{B}\)-UA时才成为交流耦合。因此,这种电路是交流耦合还是直流耦合,还取决于信号的内容、对比度和亮度的大小。在特殊情况下,随信号内容的变化,会出现交、直流两种耦合状态交替出现的情况,其相互转换的时间将小于7场(时间常数τ=2R\(_{75}\)×2C41=620K×0.22μ=136ms,τ/T\(_{V}\)=136ms/20ms= 6.8<7)。
附属电路
1.AGC的动态特性与低频干扰
AGC电路的特性有两个方面:一个是静态AGC特性,另一个是动态AGC特性。抑制低频干扰靠的是动态AGC特性。所谓低频干扰,就是指“日光灯干扰”、“晶振同步干扰”、“长翼吊式电扇干扰”等等频率较低的干扰。这种干扰会引起图象“黑带”,“滚条”,“扭曲”,“晃动”等现象。其干扰的过程是:目光灯等低频干扰→电视信号受到调制→检波后的全电视信号包络受调制→干扰图象(如扭动、滚条)、见图18。

抑制这种干扰的措施,主要是通过AGC电路输出给中放电路一个脉动的AGC电压,其脉动波形及相位恰好与进入中放的受干扰调制的电视信号的包络相一致,以削弱低频干扰的调制程度,使检波后的全电视信号包络比较平整。为此,须正确选定AGC电路的时间常数,使其充、放电速度能够跟得上干扰信号的变化,以便削弱低频干扰。图19、图20分别为检出管2BG\(_{9}\)集电极和电容2C47上的波形。当干扰调制信号包络由a—b时,电容2C\(_{47}\)应迅速充电,其电压由a'上升到 b';当调制包络由b—c时,电容2C47应迅速放电,其电压由b'跌至 C',电容2C\(_{47}\)上的电压完全随干扰调制信号包络的起伏而变化。


如果放电时间常数过份大(一般是电容2C\(_{47}\)取得过大),那末当电容2C47在b'放电时,由于放电较慢跟不上干扰信号的变化,产生了如图21所示的对角线失真。由于对角线失真的产生,用以抵消干扰脉冲的AGC输出的脉动成分明显削弱,抗低频干扰效能变差。

很显然,对于一定时间常数的AGC电路,干扰频率越高,产生对角线失真的可能就越大。在一些测量中往往根据能承受干扰频率的高低来测电路动态AGC特性的好坏。
2.峰值型AGC电路的元件选择
①电容2C\(_{47}\)。为了获得良好的抗低频干扰效能,电容2C47的参数应取得小些。但是过小的电容值,将削弱对行同步脉冲及高频脉冲的滤波、平滑作用,引起寄生调制,甚至使图象中出现横向干扰条纹。12D1A机中取2C\(_{47}\)电容值为0.1μf。
②检出管2BG\(_{9}\)发射极电路阻容值的配置。由于全电视信号中帧、行同步脉冲的占空比(脉冲宽度及脉冲间歇)不一样,所以电容2C47上充得电压也不同。在帧同步脉冲来到期间,其充电电荷较之其余时间来得多,使得电容2C\(_{47}\)的电压波形在帧同步期间出现上冲(见图22),此上冲脉冲将引起帧同步头编(见图23)。针对此情况,在12D1A机中,对2BG9发射极电路中的2C\(_{48}\)、2C49、2R\(_{46}\)、2R47的参数作了适当选择,使其在帧同步脉冲到来期间等效于发射极串联负反馈电阻2R\(_{46}\)(47Ω),使放大量减小。而在行同步脉冲到来期间等效于发射极接地,放大量增大。这样便对电容2C47的充放电状况作了补充,使得AGC电路输出电压趋于平滑(见图22虚线部分),帧同步头就比较平整了。


③检波二极管2BG\(_{8}\),要求用反向电阻大,温度变化小的管子。若2BG8反向电阻较小时,电容2C\(_{47}\)不仅通过放大管2BG7的基极,还将通过2BG\(_{8}\)(反向电阻)放电,使放电时间常数减小,相当于电容2C47滤波性能减弱。因此,在帧同步脉冲期间电容2C\(_{47}\)上的电压的上冲量将增大(见图22点划线),也会引起帧同步头缩。一般2AP9型二极管反向电阻较小、一致性差,不宜采用。12D1A机采用反向电阻接近无穷大的硅2CK11型二极管。
④AGC放大管2BG\(_{7}\)要求用β值高一些(β>120)的管子。当β值低时,输入阻抗Ri较小,放电时间常数也较小,也会引起帧同步头缩。这里用的是3DG6B(白色点)管。
⑤AGC检出管2BG\(_{9}\)。因其工作在饱和、导通相互交替的工作状态,它所切割的同步脉冲幅度、顶部失真状况与其本身的饱和深度、饱和压降、开关特性有密切关系。如果对2BG9选择不当,会造成帧同步头畸变和收缩。一般来说,应选饱和压降Vs小些,β值高些的管子。截止频率的高、低应兼顾开关特性和抗高频干扰的要求。从抗高频干扰来说,截止频率低些是有利的,本机选用的是3DG8B(蓝色点)管。
3.噪声消去电路
具有良好的抗低频干扰能力的峰值型AGC电路,抗高频干扰的能力一般都比较差。为此,12D1A机中设置了截止式噪声消去电路(图24),由2BG\(_{1}\)0等组成,用以抑制电火花等高频干扰脉冲。但是,截止式抗高频干扰电路对低频脉冲没有抑制能力,如果低频脉冲进入2BG10的基极,在其集电极将输出脉宽较宽的正脉冲,它会引起AGC电路失控,造成图象扭曲。为此在12D1A机的消噪电路中采取了以下措施:①在2BG\(_{1}\)0基极支路中串接了电阻2R72,必要时可把2C\(_{51}\)的容量减至0.1μf。2BG10管的饱和压降也不宜过小。

②控制流过二极管2BG\(_{11}\)(2CK44A)的静态电流在2mA左右。过小的电流易产生图象扭曲,同步头压缩;过大时,对抗高频干扰不利。
③为了提高抗干扰的作用,2BG\(_{12}\)管应选用频率特性好一些的二极管(这里选用2AP9)。
扫描电路
1.行同步引入范围
行同步引入范围与振荡管的β值(取60~80)、脉冲宽度(取18μS左右)以及自动频率控制(AFC)能力等有关。行引人范围过宽,会使抗干扰性能变坏(易出现“花边”、“扭曲”)或激励不足;行引入范围过窄,不能适应行频漂以及电源锁相时(行频变低)的情况。12D1A机行引入范围约1.2KHz,使得对于15625Hz和14625Hz信号均能同步。
本机行推动变压器次级电感量和初、次级匝数比均比联合设计规定值大,借以确保足够大的激励功率,因而对行输出管的β值和输入阻抗等要求降低,使行输出管的利用率有较大提高。
2.防止行干扰
12D1A机在设计和生产中,发现行逆程脉冲对隔行扫描影响很大。因为,我国电视采用的是隔行扫描制。从图25可以看出,当奇数场扫描刚开始时,对应于行扫描正程的开始,而偶数场的开始,则对应于行正程扫描已进行了第一行的扫描的一半(\(\frac{1}{2}\)H)。当帧振荡级受到行逆程脉冲干扰后,行干扰脉冲通过侦振荡变压器、阻容元件、帧同步电位器引线等窜入帧振荡级,进而引起振荡级同步触发脉冲电子随着行脉冲周期性地起伏变化。由于在奇数场和偶数场时,受到行逆程脉冲影响的相位不一致,相差1;2H(参见图26),因此行逆程脉冲引起的奇数场触发脉冲电子的变化ΔE\(_{1}\)和引起的偶数场触发脉冲电平的变化ΔE2不一样。如果行脉冲干扰引起触发电平的变化如图26中的小三角形状,那么奇数场触发电子变为约E\(_{0}\)+ΔE1(A点),而偶数场却仍为E\(_{0}\)(即ΔE2=0,B点)。因此,使隔行扫描所要求的,奇数和偶数两场行扫描线的对应关系遭到破坏,严重时将引起帧画面微微抖动。


由于12D1A机在布局上帧振荡级离行干扰源(主要是高压包和偏转线圈)较近(见扫描印制电路板图),所以受行逆程脉冲干扰较大。为了防止干扰,最好将整个帧振荡级屏蔽起来,帧同步电位器的引线用金属屏蔽线。目前12D1A机只将帧振荡变压器用铁罩加以屏蔽,已取得了明显的效果。

本机的线绕元器件数据及部分晶体管和电容器的要求分别见表2、3、4。



