问:有一台晶体管电视机,整幅图象上有均匀的细白点干扰,没有伴音时,干扰也不存在。并且干扰随伴音内容变化,时而又变成细密的网状。不知何故?怎样解决?
答:整幅图象上出现与伴音有关的细白点或网状干扰,一般来讲,是伴音中放级产生自激,6.5MH\(_{Z}\)的伴音中频信号干扰图象通道引起的。如果伴音中放级有极轻微的自激或处于将要自激状态,当6.5MHZ的伴音中频信号加到伴音中放级后,处于不稳定状态的伴音中放级便被激发自激,从而产生干扰。由于自激程度随伴音频率而变化,所以干扰图样也是变化的。解决的办法是将第一级伴音中放的中周磁心调节一下,在不影响伴音质量的情况下,使干扰消除。如果调节磁心不能达到要求,可在第一伴音中放级的晶体管集电极(对于用二级直耦放大的伴音中放,应在第二管的集电极)中串进一个1/16~1/8W、50Ω左右的炭膜电阻,引线尽量短一些,然后再调一调中周。(王德源)
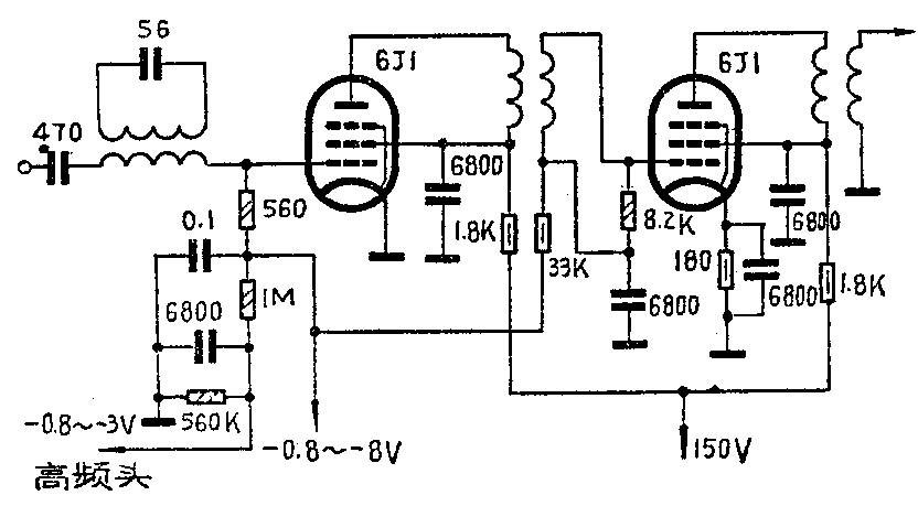
问:北京牌825—3型电视机,在接收第八、十二频道节目时,背景噪音大,灵敏度低,怎样改善?
答:这是由于电视台发射功率较小,覆盖面积有限造成的。所以,除采用良好的室外天线、调压变压器使电源电压稳定在220V以外,还要设法提高高频头和中频放大部分的增益,通常有以下一些方法:
(1)将电子管高频头天线输入回路次级并联电阻15K改为30K,以提高输入回路的Q值;将8~12频道的第一本振线圈与混频管6F2栅极的耦合线圈靠紧一些,用加大耦合提高本振信号强度的方法来提高增益。
(2)充分发挥高频头的放大作用,将对比度控制的分压电路,改成如图所示那样的联接。

(3)将第一级图象中放管6J1栅极输入回路并联电阻由510Ω改为1K,用提高输入回路的Q值来提高中频增益。
(4)将第一级视频放大电子管6N2的阴极电阻,由510Ω改为220Ω或270Ω,以提高视预放的放大倍数。
(5)为了提高图象清晰度,图象检波负载电阻用的两只3.9K的电阻并联。取消一只后,可以提高图象检波的输出,因而提高了增益。(国营天津无线电厂编审组)
问: L601录音机放音时磁带走走停停,而马达运转正常,是何原因?
答:引起上述故障的原因有多种,一般应着重检查以下几个方面:①压带轮上是否有油污。如果有油污,可用酒精清洗;压带轮有否变形、变粗而与轮架相碰,如果有这种现象,就应换新的压带轮或将压带轮加以整修。②检查压带臂上固定压带拉钩(小拉钩)的螺丝钉有否松脱,这个螺丝松脱后会使压带轮压力减小,就会使磁带出现走走停停的现象。应将这个小螺丝钉拧紧,然后将压带臂后面的螺帽用钳子拧紧,注意中间的弹簧垫圈不能省掉,否则受震后可能重新松脱。③供带下盘转动是否灵活,阻尼是否太大。④供带磁带盘是否变形,是否与录音机面罩、面罩固定螺钉或变速指示框等相碰。如果属于这种故障,只要在磁带盘下面垫一个圆硬纸板就可解决。(石以人)
问:自装一台收音机,其他均正常,就是调谐到550千赫左右时产生啸叫。在中放级加个2L465滤波器也不起作用,不知何故?
答:很可能是误把中频调到了550千赫附近(在没有仪器,光凭收听电台来调中频时,往往调不准465千赫),这样一来,只要调到550千赫左右的电台,就会产生差拍啸叫,以至无法收听。如果把中周的磁芯往里拧,啸叫减轻或消失,就证明是这个原因。2L465滤波器是谐振于465千赫的,因中周的谐振频率和它的频率相差较大,故不起作用了。应重新调整中频,先接上2L465,然后稍稍拧进中频磁帽,使中频降低到中波低端以外,使中波内不再出现啸叫。然后再微调中周,使灵敏度最高。最好用另一台已经调准465千赫的收音机,接收一个电台,从第二中放基极引出线来接到被调收音机的变频输入端,然后再调整被调收音机中周,使输出最大即可。(文尚)
问:用2CZ或2DZ系列的半导体二极管,能否在收音机的整流电路中代替电子管6Z4?
答:只要正向电流和反向电压这两项主要参数达到实际电路的要求,就可代用。2CZ和2DZ系列二极管的正向电流一般有1安,大大超过6Z4。问题在于反向电压,这些系列的管子的字尾有A、B、C……等字样,标志着不同的反压耐受能力,有的高于6Z4,有的低于6Z4,哪一种能代用要看实际电路情况。先要知道电路中实际的直流电压是多少,然后选用反向电压比这个直流电压大π倍的二极管即可。例如,直流电压为250伏,则所需耐受反压为250×3.14≈780伏。只要反压大于这个电压的二极管都可代用。(文尚)