本文介绍的稳压电源有下列八组电压输出:12伏、-12伏、9伏、-6伏及15伏、18伏、21伏、24伏。输出电流除12伏时为2安、-12伏为0.7安外,其它各组电流均为0.5安。它适合于9英寸、12英寸电视机、OTL、OCL收、扩音机、小型电唱机、录音机、半导体收音机及其它用途。本电源还设有短路和过流保护装置。
工作原理
稳压电源电路见图1。220伏市电经变压器B降压后,加到由二极管D\(_{1}\)~D4组成的桥式整流电路上,整流输出的直流电压再经C\(_{3}\)和C8滤波。因C\(_{3}\)和C8的交点为零电位,所以C\(_{3}\)的另一端输出一个正的直流电压,C8的另一端输出一个负直流电压。

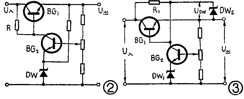
C\(_{3}\)两端的正直流电压加到由BG1~BG\(_{5}\)组成的稳压电路上,然后输出稳定电压为+12伏的电压。稳压电路中BG1、BG\(_{2}\)、BG3组成复合管作为调整管。BG\(_{5}\)为比较放大器,它的基极接在取样电阻R6、R\(_{7}\)和R8串联的电路上。因R\(_{6}\)、R7和R\(_{8}\)跨接在±12伏电压之间,所以BG5的基极电位也近似为零电位(R\(_{6}\)≈R7+R\(_{8}\))。调整R7可以改变输出的大小以保证输出为12伏。BG\(_{5}\)的集电极通过电阻R5、R\(_{1}\)接到由C1、D\(_{6}\)、C2、C\(_{3}\)组成的正辅助电源上。加正辅助电源的目的是为了使电路在较高的效率下给出较高的输出电压稳定度。一般稳压电路如图2所示,当输入电压变化而引起输出电压变化时,这个变化量经采样电路加至比较放大管BG2的基极,经比较放大器放大后加到调整管BG\(_{1}\),使BG1的管压降U\(_{ce1}\)变化,以维持输出电压不变。但是在图2电路里,由于比较放大管的集电极经电阻R接到U入,U\(_{入}\)又未经稳压,所以U入的变化也通过R接到BG\(_{1}\)的基极,引起Uce1变化,而U\(_{ce1}\)的这个变化与上述稳压过程中Uce1的变化相反,这就减弱了正常的稳压作用。为此,把比较放大电路接成图3所示,比较放大管的集电极通过电阻R\(_{1}\)接至输入电压U入,利用R\(_{1}\)、DW2组成的稳压电路,A点得到U\(_{DW}\)+U出的稳定电压,这样BG\(_{2}\)比较放大管就不受输入电压的波动影响。但在这个电路中,只有当调整管BG1的集电极、发射极之间的电压U\(_{ce1}\)> UDW时,才能使DW\(_{2}\)在其击穿区域内工作。在较高电压、较大电流输出的情况下,要求调整管的Uce1很大,这样管上的耗散功率就大,降低了调整管的效率。为了提高调整管效率,应将R\(_{1}\)、DW2接到另一组电源上,即接到辅助电源上。在图1中,比较放大管BG\(_{5}\)的集电极通过R5接到R\(_{1}\)、DW1、DW\(_{2}\)组成的稳压电路上,R1则接到由D\(_{5}\)、D6、C\(_{1}\)、C2和C\(_{3}\)组成的辅助电源上。

BG\(_{4}\)等组成过流保护电路。当稳压电源正常工作时,二极管D9导通,这时BG\(_{4}\)的基极、发射极之间电压Ube4=I\(_{L}\)RS-U\(_{D9}\),式中RS为过流采样电阻,一般为零点几欧,I\(_{L}\)是负载电流为2安,UD9为二极管的正向压降约为0.7伏,所以U\(_{be4}\)通常为负值,BG4截止,不影响稳压电路工作。当由于某种原因负载电流增大时,R\(_{S}\)上的压降增加,Ube4由负变正且足以使BG\(_{4}\)导通。这时BG4集电极电压降低,从而BG\(_{3}\)基极电压降低,复合管截止,输出近似为零,达到了保护调整管的目的。BG4导通后就通过电阻R\(_{3}\)、R5接到辅助电源上以维持导通状态。当负载去掉后、BG\(_{4}\)又截止,电路自动恢复正常工作状态。
输出的+12伏稳定电压经电阻R\(_{9}\)、R10分压后,再由BG\(_{6}\)、BG7复合管组成的射极跟随器输出+ 9伏电压。
在这个电路中,BG\(_{5}\)的发射极直接接到零电位,以它作为基准电压。
同理,三极管BG\(_{9}\)、BG10、BG\(_{11}\)组成-12伏稳压电路,比较放大管BG11的集电极通过电阻R\(_{16}\)接到由D7、D\(_{8}\)、C8、C\(_{9}\)和C10组成的负辅助电源上,发射极接到D\(_{11}\)、DW5、DW\(_{6}\)组成的基准稳压(12伏)电路上,基极接在-12伏电源上,当-12伏电压变化时,直接加在BG11的基极,使得比较放大管迅速输出控制信号加在调整管的基极。
BG\(_{8}\)等组成短路保护电路。当电路正常工作时,BG8截止。当负载短路时,BG\(_{8}\)的发射极接零电位,BG8导通。BG\(_{8}\)一导通,它的集电极电位降低,BG9、BG\(_{1}\)0截止,输出电流近似为零,达到保护目的。当外部电路恢复正常后,电路自动恢复到正常工作状态。
-12伏电压经R\(_{17}\)、R18分压后加到BG\(_{12}\)、BG13复合管组成的射极跟随器的输入端,然后输出-6伏电压。
本电路中,连接+9伏和-6伏、12伏和-6伏、+9伏和-12伏、+12伏和-12伏两端可分别获得15伏、18伏、21伏、24伏等几种电压。
元器件选择
电源变压器B的L\(_{1}\)绕组用线径为0.31毫米的漆包线绕1210圈。L2用线径为0.38毫米的漆包线绕33圈,电压为6伏作为指示灯电源,它的一端接地可以代替静电屏蔽,绕在初级线圈的外层。铁心面积为26×32毫米\(^{2}\)。
电路中所用的晶体管除了图1中所标注的型号以外,还可以用其它型号的管子代用,如BG\(_{1}\)用3DA6;BG2用3DD型;BG\(_{3}\)用3DK4或3DK2A~3DK2C;BG4用3DG型;BG\(_{5}\)用3DK型;BG10用3AD2~3AD6;BG\(_{13}\)用3AD2~3AD6等。BG5、BG\(_{11}\)要尽量选用β值较高、Iceo较小的晶体管。BG\(_{4}\)、BG3也要选用I\(_{ceo}\)尽量小的管子,以免影响电源电压的稳定度。
二极管D\(_{1}\)~D4也可以用2CZ11型整流二极管或用损坏的大功率管的b~c结代替。
稳压管DW\(_{1}\)~DW4可选用坏了的3DG管的e~b结代替,要求击穿后的特性曲线陡削,稳定电压在6~9伏,两管稳定电压为15伏。有条件也可用稳压为15伏的2CW20等稳压管。
印制电路板见图4(1:1)。安装时BG\(_{1}\)、BG2、BG\(_{7}\)、BG10、BG\(_{13}\)可安装在同一个较大的散热器上,它们的外壳和散热板之间要加绝缘垫片。二极管D1~D\(_{4}\)最好也加散热器。

调试
检查焊接无误后就可进行通电调试。若测量时输出电压高于规定值,首先检查-12伏。
如果输出的是-20伏左右,则可能是调整管BG\(_{9}\)、BG10耐压不够而击穿。关机后用万用表欧姆档检查它们的c、e之间是否有短路,有短路说明管子已击穿。检查时应注意,若稳压管DW\(_{5}\)、DW6、D\(_{1}\)0开路或BG11断路也会引起输出电压增高。
如果输出电压很低,应首先检查主电源整流滤波电路是否工作正常,可测量B的绕组L\(_{3}\)、L4电压是为15~17伏,C\(_{8}\)电容两端电压是否为20伏左右,若这个电压很低,可能是C8漏电太大或开路。
-12伏电源调好后,就可以先断开BG\(_{8}\)调试负载能力。在输出端接一个可变线绕电阻(阻值约为100欧,功率要大些)并串接一个直流电流表,用另一电压表监测输出电压的变化。慢慢减小可变电阻,使电流表指示为700毫安,这时电压表上应没有明显变化。若电压降低大多,应检查辅助电源是否正常,C10负端对“地”是否为-40伏、DW\(_{4}\)正端对“地”是否为-24~30伏,若这些电压值不对,应检查C10、C\(_{9}\)、D7、D\(_{8}\)、DW3、DW\(_{4}\)等元器件是否完好。如果辅助电源工作正常,则可能是由于BG9、BG\(_{11}\)、BG12的β值过低或BG\(_{12}\)的Iceo太大或C\(_{13}\)失效引起的。
调短路保护时,接上BG\(_{8}\);慢慢调节可变电阻,当电流表指示超过800毫安时,电压表指示应减小,继续减小可变电阻阻值,电流增大、电压减小,当电压减小到零时,电流表指示应小于1.5安。此时把负载去掉,输出电压应恢复到-12伏。然后再把输出端短路,若电流表、电压表指针稍微动一下后迅速回到零附近,短路去掉后电压又恢复到-12伏,说明保护电路正常。如果电流超过1.5A,则增大R2阻值以维持1.5安的电流。
如果接上负载后再开机稳压电路不启动,应检查C\(_{12}\)。因为开机瞬间C12两端电压不能突跳近似于短路,BG\(_{8}\)截止,不影响电路启动。若C12有问题,开机时BG\(_{8}\)不截止,就影响了电路正常工作。
-12伏电源电路工作正常后,再调+12伏电源电路。+12伏电源的调试过程和排除故障方法与-12伏相似。这里仅对过流保护电路的调试加以说明。
在+12伏的输出端接上可变线绕电阻,并串接一个直流电流表测量负载电流,用电压表观察输出电压的变化。取一小段电阻丝(0.1~1欧)作为R\(_{S}\),先使RS最小,调节线绕可变电阻使电流表指示为2安,这时电压表指示仍为12伏。然后增大R\(_{S}\)阻值至某一数值时,电压表、电流表突然回到零,这时把这段电阻丝焊接好,再重校一遍即可。
一般只要+12伏、-12伏调好后,+9伏、-6伏都能正常输出。
本电源对于12伏来说,当负载电流小于1.5安时,输出电压变化不大于0.1伏;负载电流为2安时,电压变化不大于0.4伏。(孙敏方)