有关晶体管黑白电视机的产品,本刊已发表了不少文章,因此对飞跃12D1A型电视机(其整机结构见封面,电路图见封二,通道、高频头、整流、及稳压电源印制电路板图见附图1~4),不再重复一般性原理,仅对某些部分作侧重介绍。
高频头
1.并联型高通滤波器
本机和联合设计KP—12型高频头不同的是采用了并联型高通滤波器。这是一种复合型滤波器,电路如图1。它有两个特点:一是匹配性较好,由于在它的通频带内,其特性阻抗随频率的升高略有下降,这种阻抗特性恰恰与高放级的输入阻抗随频率升高也下降的特性相匹配,因而使回路的传输损耗减小,信噪比得到改善,提高了高放管的利用率;二是频率特性比较平缓,对一频道特性影响比较小。

2.克服高、低频道信号之间的窜扰
以上海地区为例,常常发现五频道信号对八频道节目有比较明显的网状干扰。这种干扰在电视台附近收看时,更为严重。这是由于高放级不完全呈线性放大状态,特别当强信号输入引起高放管AGC动作后,放大器非线性失真大,便产生一定量的高次谐波。五频道信号的二次谐波正好落在八频道(182.75~190.75MHz)内。因此,在接收八频道节目时,五频道信号一旦通过天线输入回路,在高放管中产生的谐波便得到一定的放大,进而窜入机内,干扰八频道图象。这是一种交叉调制现象,为了克服这种现象,应力图阻止干扰信号进入高放级。在12D1A机中采取了如下措施:
①通过选择输入回路参数(如把电容1C4的容量由39P减为6.8P)以减小输入回路带宽,抑制干扰信号的窜入(见图2)。

②在6~12频道输入回路加1L\(_{14}\)(7T)和1C3(27P)组成的串联吸收回路(其Q值比较低),造成对1~5频道干扰信号的吸收(见图3)。

③为了减少交叉调制,还应尽量使高放管处于线性工作状态。高放AGC延迟量应该适当,如果延迟太多,大信号将使高放管产生比较多的高次谐波;如果延迟太少,高放管过早动作,除了降低信噪比外,还将使高放管过早地工作于大电流的非线性区,也容易产生非线性失真。经试验,将12D1A高放AGC的延迟量选定为30dB左右。
3.单峰输出的混频电路
混频器(1BG\(_{2}\))采用单峰输出(KP—12型为双峰输出),电容耦合,与中放输入端的匹配网络2C1、2C\(_{7}\)0、2L1等组成双调谐回路(见图4)。1C\(_{24}\)、1C25、1L\(_{39}\)与输入阻抗ZiI等组成回路Ⅰ,谐振于f\(_{1}\)=32.5MHz右左(12D1A机的中频频率为34.25MHz),曲线具有低通滤波器的特性,造成偏离图象载频1.5~3MHz处具有较好的选择性。电容2C1、2C\(_{7}\)0、2L1以及Z\(_{iⅡ}\)等组成回路Ⅱ,谐振于f2=31.5MHz左右。总混频曲线峰点为f\(_{0}\)=32MHz,在-6dB处带宽约8MHz(见图5)。电阻2R1、2R\(_{77}\),分别用以改变回路Ⅰ和Ⅱ的Q值,使曲线平滑。


这种单峰输出的混频电路具有损耗小,增益高,匹配性能好等优点。
4.特殊的本振微调电路
本振电路由1BG\(_{3}\)等组成共基极克拉泼振荡电路。具有良好的温度稳定性。公用微调线圈一端接地,可以减少微调时的人体感应。但是公用微调电路往往会产生高、低频道的频率微调范围不一致的弊病。由于频道的转换是以变更电感L来实现的,频道数越高电感L越小。因此,当微调线圈1L41的电感量具有给定的变化值ΔL时,频道数越高,ΔL值变化所引起振荡频率的变化值将越小。反之,频道数越低所引起的频率化值越大。实测表明,低频道频率微调范围达10MHz,而高频道仅为2MHz,相差悬殊。事实上我们需要的正与此相反。由于温度等因素引起振荡频率变化时,频率越高其频率变化的绝对值将越大,因而高频道频率微调范围应做得大些,以进行弥补,而低频道微调范围可以适当小些。如果低频道微调范围过分大,会使某频道的节目在邻近频道上造成误收。

12D1A本振微调电路的特点是:在微调支路中串入了电感1L\(_{4}\)0。它是用直径0.35毫米漆包线绕成直径为3毫米、圈数为12的空心线圈,图6为等效电路,其中C0为线圈1L\(_{4}\)0的假设分布电容。我们知道,频率微调范围拇笮。【鲇谖⒌髦返绺械谋浠省I柚挥形⒌飨呷1L41时的电感最大变化值为蛭⒌鞯绺械谋浠A=1L\(_{41}\)(图7a),加装1L41后,在低频道时,由于频率较低,电容C\(_{0}\)的作用可以忽略,电路等效于图7b,电感的变化率B=1L40+1L\(_{41}\);高频道时,随频率升高电容C0的作用明显起来,1L\(_{4}\)0、C0并联槽路呈容性,等效于图7C,电感的变化率C=1L\(_{41}\)-│ZC│,显然B<A<C。所以低频道时频率微调范围减小,高频道则增大。改进后的低频道微调范围为3~4MHz,高频道为3~6MHz。拨动线圈1L\(_{4}\)0的间距可以改变分布电容C0等大小,从而可以调整频率微调范围的大小。

通道
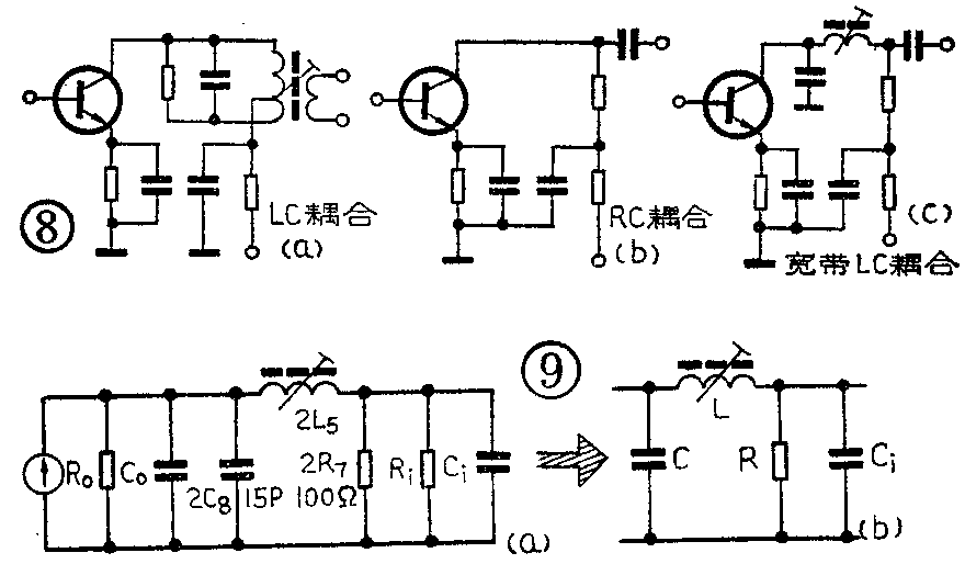
1.宽带LC中放电路
目前普遍采用的前置中放电路大致有三种:①以9英寸联合设计电视机中放电路为代表的采用LC耦合单调谐电路(图8a)。其特点是阻抗匹配较好,可以发挥的增益高。但当电路发挥较大增益时,往往带宽太窄,曲线易变,所以在谐振槽路两端并接阻尼电阻,以展宽频带,这又使实际增益下降。由于要选配阻尼电阻使调试不便,如果选配较小阻值的阻尼电阻,虽然调试时可不必再选配电阻,但增益将大幅度下降。

②以16英寸联合设计为代表的采用RC耦合宽带中放电路(图8b)。其特点是省去了调节电感,带宽、曲线不易变化,但增益较低,因此一般比LC中放电路增加一级。从调试角度来看,省去了两只电感调节元件。但其平直型的曲线对所要求的整个中放曲线形状毫无贡献,这就要求末级中放曲线调试要准确,这一点在大批生产中,由于元件的误差往往做不到。因此在装置前或调试时需配置合适的耦合电容。
③与上述不同,12D1A机采用了宽带式LC电路(图8c)。这种电路的构成简单,中周线圈绕制方便,带宽、增益适中,调试时不须配置元件。
图9为一中放的等效电路。如果忽略输入电容C\(_{1}\)的影响,一中放为单调谐回路。由于电阻R串入回路,故Q值较低,带宽变宽。如果考虑到电容C1的作用,电路将具有低通滤波器的性质(见图10):在谐振峰右侧曲线较陡,左侧较平坦。调节电感L可以改变曲线峰点,当电感L较小时,曲线峰点远离放大区。放大区曲线比较平坦,增益较低;当L增大时,放大区增益便增大,曲线比较陡削。当曲线峰点f\(_{0}\)=32MHz时,电路具有最大增益(见图11)。

上述三种电路之间的比较见表一。

为了确保邻近频道选择性大于20dB(乙级机标准) 12D1A机末级中放也采用了目前流行的外电容(2C\(_{22}\))耦合双调谐电路。回路元件参数的选择使之处于临界耦合状态,它的初、次谐振峰相当接近。末级中放与吸收回路(2L2、2L\(_{3}\)、2L4等)相配合大致便形成了本机所要的“馒头”状中放曲线(见图12)。


中放增益K\(_{P}\)=60~70dB带宽B>4.5MHz,曲线圆滑、平缓。
2.提高图象质量的三个措施
①通过适当选择视放级的元件参数,对视放曲线0.75~3MHz的中等频率成分作了适量提升。
众所周知,图象水平分辨率取决于信号系统所能通过的频带宽度,不同内容的图象信息又分别借助于各种频率的视频信号来传送。图象内容与视频频率二者互为对应。粗略地说,0.75MHz以下的低频成分主要传送表现为原野、湖泊、房屋之类的大面积景物;0.75~3MHz的中等频率成分传送表现为人物、树木、门窗的轮廓;3MHz以上的高频成分则传送表现为茎叶、衣服花纹以及人的眉毛、胡子等细致情节。显然,对于普及型电视机来说,主要应使观众对人、物等形象能有清晰的感觉。(待续)(费加)

