电视摄象技术是把景物,也就是把光学图象转换成相应电信号的过程。现代电视摄象技术中应用最广泛的光电转换器件是光导摄象管,它实际上是一种电真空器件。目前,光导摄象管已达到很高的水平,完全能满足电视摄象的要求。但是,电子器件由电子管到晶体管、集成电路、大规模集成电路……向固体化的发展,促使人们考虑如何使摄象器件抛掉真空管壳、电子枪、实现固体摄象。从六十年代起,这个课题就吸引了许多人,进行了大量研究。但是,由于原理上或技术上的问题,一直进展不大。1970年,美国贝尔实验室发明了一种新型半导体器件——电荷耦合器(缩写为CCD)。这种器件一出现,人们很快就把它应用于摄象技术,从而使固体摄象技术为之一新。两年以后就出现了全固体化电视摄象机。虽然当时它的分辨率还达不到一般电视摄象机的水平,但经过几年努力后,这种应用电荷耦合器件的固体摄象机已可以代替光导摄象管摄象机了。
下面我们给读者介绍一下固体摄象技术的基本原理:
光电转换
固体摄象技术的光电转换过程是在一个半导体硅片上完成的。当光学图象被聚焦到硅片上时,射入硅片的光子就会在其内部激发出带负电的光生电子和带正电的光生空穴。图象上某一部分越亮,即入射的光子越多,则那里产生的光生电子和光生空穴就越多。这样,图象信号就转换成了光生电荷的信号。但是,这些光生电子或空穴会在硅片内朝各个方向运动,为了避免硅片上不同位置上的光生电子和空穴相互混淆,必须在硅片上做一些特殊的结构,使之能把各处的光生电子或空穴固定在自己的位置上,并使光生电荷在此位置上因为积累而得到加强。MOS电容就是上述特殊结构的一个例子,下面我们结合MOS电容来进一步说明光生电荷图象的形成。

图1是MOS电容的结构图:在一片P型硅上生长一层具有介质作用的二氧化硅,在二氧化硅上又淀积一层金属电极,于是就做成了一个金属—氧化物—半导体结构的电容(即MOS电容)。由于是P型硅,所以其中主要的导电粒子是带正电的空穴。当我们给金属电极加一个正电压时,在电场的作用下,电极下面硅片的一个区域内的空穴被赶尽而形成一个“耗尽区”(见图1)。耗尽区对带负电的电子来说,是一个势能特别低的区域,与周围非耗尽区相比,它就象一个陷阱,因此也称它为“势阱”。这时,如果有光线从硅背面入射,在耗尽区及其附近产生的光生电子就会被收集在势阱内;而同时产生的光生空穴都被电场排斥出耗尽区,淹没在硅片原来存在的大量空穴中。这样,我们就能用收集在势阱中的光生电子量来代表入射光的信息。如果在硅片上做成千上万个相互孤立的MOS电容,在电极上加电压后,每一个电极下就有一个势阱,硅片受光照后就在这些势阱中收集了光生电子,每个势阱中收集的光生电子数量与其对应的MOS电容受光照的强弱成正比。由于这些势阱互不相通,因此各位置上MOS电容收集的光生电子不会混淆。这样,照在硅片上的光学图象就转换成一幅光生电子图象,每一个MOS电容构成一个象元,各象元中光生电子的多少代表了光的强弱。
获得光生电子图象,还只是摄象过程的第一步,紧接着的问题是如何把这电子图象依次读出来,使它变成图象信号。这一步是实现固体摄象技术的关键,人们曾为此设想过许多方案,进行了无数次的实验,最后是用电荷耦合器件巧妙地完成了这一功能,从而突破了关键。
电荷耦合器件
电荷耦合器件是在大规模集成电路技术发展基础上产生的一种新型半导体器件。它的基本结构如图2所示。在一块硅片上有一系列并排的MOS电容,这些电容的电极以三相方式相联:即第1、4、7……电极联在一起作第一相φ\(_{1}\);第2、5、8……电极联在一起作第二相φ2;第3、6、9……电极联在一起作第三相φ\(_{3}\)。顺序每三个电极构成“一位”。如果采用的是P型硅,那么只要在电极上加上正电压,在硅片上就会形成一系列势阱,在光照的条件下,这些势阱都能收集光生电荷。只要电极上的电压不去掉,这些代表光信息的电荷就一直存贮在那里。我们把这些被收集在势阱中的信号电荷称作“电荷包”。


如果我们在三相电极上加上一组如图3所示的三相交变电压,那么这些电荷包会有什么变化呢?图3(a)是t=t\(_{1}\);φ1上电压为V,而φ\(_{2}\)、φ3上电压均为零时的情况。这时,信号电荷只存贮在电极1、4、7……下面的势阱中。在t=t\(_{2}\)时,φ1上电压逐渐减小,φ\(_{2}\)上电压上升为V,φ3上电压仍为零。这时电极2、5、8……下面形成了势阱。由于所有的电极彼此靠得很近,因此φ\(_{1}\)与φ2电极下的势阱之间发生耦合而连在一起〔图 3(b)〕。而MOS电容下势阱的深浅与电极上所加电压成正比,所以随着φ\(_{1}\)上电压的减小,φ1下的势阱逐渐变浅,而φ\(_{2}\)下的势阱却保持在电极电压为V时的深度。与水往低处流一样,电子总是由势能高的地方向势能低的地方运动。因此,原来φ1下的电荷包就逐渐向φ\(_{2}\)电极下转移。当t=t3时,φ\(_{1}\)下降为零,φ1下的势阱全部消失,电荷包全部转移到φ\(_{2}\)电极下的势阱中〔图3(c)〕。电荷包就这样完成了一次转移。只要三相交变电压一直加在电极上,电荷包就会沿着硅—二氧化硅的界面,不断地朝一个方向转移。
在这些电极的终端,在硅片上做一个PN结,就构成电荷耦合器件的输出端(如图4所示)。给这PN结加一反向偏置,那么转移到终端的电荷包就会被PN结收集,在负载R上形成一脉冲电流。每转移一个电荷包就有一个脉冲,脉冲幅度正比于电荷包中电荷的数目。

电荷耦合器件具有上述存贮、转移并逐一读出信号电荷的功能显然能有效地应用于摄象技术。
图象信号的获得
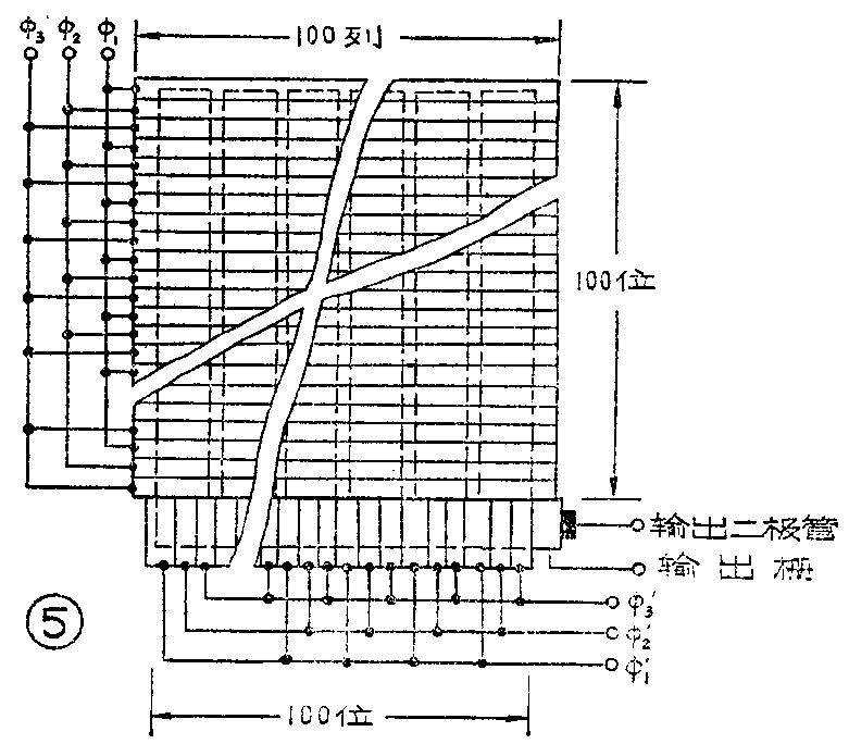
在硅片正面二氧化硅层上按图5的方式排列φ\(_{1}\)、φ2、φ\(_{3}\)和φ'1、φ'\(_{2}\)、φ'3构成的两组电极,于是就构成了一个最简单的固体摄象器件——电荷耦合摄象器。它有100列彼此隔离的垂直放置的电荷耦合器,每一列有100位。在这100列垂直电荷耦合器的下方,有一个100位的水平放置的电荷耦合器,它的每一位正好与每一垂直列相耦合。在水平电荷耦合器的右端有一行输出PN结,用来输出信号。

光线从硅片的背面入射,经聚焦后的光学图象恰好落在这100列电荷耦合器所占的面积上。工作开始时,在φ\(_{1}\)电极上加一正电压,φ2、φ\(_{3}\)电极上电压为零。这时φ1电极下就形成了100×100个势阱。经过一段时间后,由于光电转换所产生的许多光生电子被收集在这些势阱内,它们构成了有100×100个电荷包组成的一幅电子图象。此后,当φ\(_{1}\)、φ2、φ\(_{3}\)电极上的时钟脉冲开始以三相方式周期工作时,这幅电子图象就开格逐行地向下传送。φ1、φ\(_{2}\)、φ3电极的三相时钟电压每变化一个周期,电荷包就向下转移一位,最底部的一位被送入水平电荷耦合器。与此同时,φ\(_{1}\)'、φ2'、φ\(_{3}\)'上的时钟电压也开始工作,但是它的频率要比φ1、φ\(_{2}\)、φ3电极的时钟频率快100倍。因此,当一行电荷包送下来后,水平电荷耦合器就以极快的速度把它们逐个向输出PN结输送,在下一行电荷包输入之前就已把这些电荷包全部送出。这样,在输出PN结上就获得了一行电荷包的信号。垂直电荷耦合器经过100位转移后,在输出端就逐行读出了整个一幅电子图象,也就是得到了一帧图象信号。由于图象转移读出的过程很迅速,因此在读出过程中入射光产生的光生电子可忽略不计。
当一帧图象读出之后,又开始第二个完全相同的过程。如果一帧图象从收集到读出一共用了20毫秒时间,那么在一秒钟内就能获得50帧图象。
可见,电荷耦合摄象器上图象信号的读出是依靠时钟脉冲电压的作用,利用电荷耦合效应在硅片内部实现的,它不再象光导摄象管那样需要由电子束来读出图象信号,因此是一种固体自扫描新型摄象器件。
以上列举的是100×100位电荷耦合摄象器,实际上现在已能将位数增加到约500×500位,这样摄象器的分辨率就达到了目前电视水平,从而能逐步取代光导摄象管。此外,它还可以制作微光夜视和红外摄象的特殊摄象器件。近年来还出现了彩色电荷耦合摄象器件,它是在电荷耦合摄象器上做一个彩色滤光阵列而构成的。用这个器件,彩色图象的分色可在一个摄象器上完成,不再需要分色棱镜和三个摄象管。采用电荷耦合摄象器,能够大大降低功耗、缩小体积,一台电视摄象机可以做得象普通照相机一般大。
固体摄象器件的新进展使它在许多领域内获得应用。由于它功耗小,可靠性高,因此在军事上广泛应用。例如,可以把它装在炮弹上发射到敌方阵地上空,然后挂在降落伞上慢慢下降,能对敌方阵地进行摄象,并实时地把图象信号送回我指挥所,完成战术侦察任务。把固体摄象器安装在人造卫星上,可以完成战略侦察、资源探测等任务。由于电荷耦合摄象器上每一个光生电荷包的位置都可精确地测出,因此它拍摄的图象定位精度非常高,这给摄得图象的判读带来极大好处。由于这一优点,它已在天文观察上得到重要使用。在医学上,正在研制利用电荷耦合摄象器的盲人助读器、盲人手杖等。有人设想,把这摄象器装入盲人眼窝内,它所摄图象送到盲人眼镜架内的微处理机进行处理,处理结果再送到盲人头皮和脑壳之间的电极上,产生光点群而使外界景象再现,这样就使盲人重见光明。
目前,固体摄象技术正在蓬勃发展,人们正致力于各种新型固体摄象器件的研制。可以预见,不久的将来,摄象技术的面貌将会因固体摄象的广泛应用而发生巨大变化。(梁平治)