几十年来,收音机度盘和指针的花样尽管繁多,但大多是机械传动式的。概括起来机械传动式频率度盘有以下几方面的缺点。
1.频率指示精度差。机械式频率度盘属于模拟式的装置。频率的指示精度取决于机械传动系统的精度,故误差大。加上度盘刻度工艺差有些收音机度盘其频率刻度不是一条条刻线,而是一个线段,因此无法根据度盘的“刻度”准确地选择所要接收的电台。即便是比较高级的收音机,其中波段度盘误差也高达数千赫,而短波度盘误差比中波段还要高上一个数量级。所以机械式频率度盘,只能起到一个指示大致范围的作用。
2.容易损坏。无论电子管收音机还是晶体管收音机,由于传动机构的磨损,更换新拉线和清洗传动机构,已成为维修的经常任务了。
3.读数不方便。机械式度盘是以指针的位置间接地表示频率高低的,而且度盘的频率刻度为非线性的,所以读数很不方便。
4.不能显示频率漂移。收音机的本振频率随着外界温度、湿度等因素的变化会产生相应的漂移。尤其在短波段,这种频率漂移更为突出。但是机械式频率度盘对于这种漂移是毫无反应的。
近几年来随着数字电路和集成电路的飞速发展,在收音机中出现了数字式频率显示装置。这种新技术的出现,可准确显示调谐频率,并可克服上述机械式频率度盘所存在的各项缺点。

图1是一种装有数字式频率显示器的超外差收音机的方框图。从天线感应的广播信号经天线调谐回路选入,经过高频放大之后输出到混频级。本地振荡电压频率一般高于外部信号电压一个中频。本地振荡电压通过耦合元件也送入混频级。混频级是一个非线性元件,两个不同频率的信号在该级进行差拍,并且通过该级的调谐电路选出中频信号来。我国使用的中频频率为465千赫,国外常用的中频频率一般为455千赫。差拍后的中频电压经过中频放大、检波、低放、功放输出到扬声器。除上述部分之外,其余均为数字式频率显示部分。
收音机的数字式频率显示电路,简单地说就是一个数字式计数器和一些时控电路的组合。大家知道,接收频率取决于本振频率。用计数电路在单位时间内对本地振荡频率进行计数,再从本振频率数中减去中频频率数,就可以得到外来信号的频率数了。被测的本振信号通过松耦合取自本地振荡级。本地振荡电压很小,不足以推动计数电路,因此先把本振的输出信号送到高频宽带放大器进行放大。放大了的正弦信号经过整形电路之后变成前后沿很徒的脉冲波形,从而满足了计数器对输入波形的要求。
所谓“频率数”是指在单位时间里所具有的正弦或脉冲的周期个数。要想得到一个准确的频率数,首先要有一个时基信号做为时间的基准。时基发生器产生的脉冲可以高精度地控制一个由与非门构成的闸门电路。当时基发生器输出高电位时,闸门开启,被测的脉冲可以通过。当时基发生器输出低电位时,闸门关闭,被测脉冲不能通过。这样计数器就能精确地测出单位时间里的脉冲个数。
应该指出,计数器所记录的本振频率数为外来信号频率与中频之和。所以还必须在计数器中减去一个中频数值,才是真正要显示的外来信号频率。一般减去中频的办法是使用数字预置电路。图1中的预置电路能使计数电路的起始状态预先减去一个中频数值。这样计数器输入的是本振频率数,而输出的却是外界信号的频率数。也即在计数器中自动地减去了一个中频。
计数电路的输出脉冲送到显示电路,由数码管直接显示出收音机接收到的外来信号频率数值。

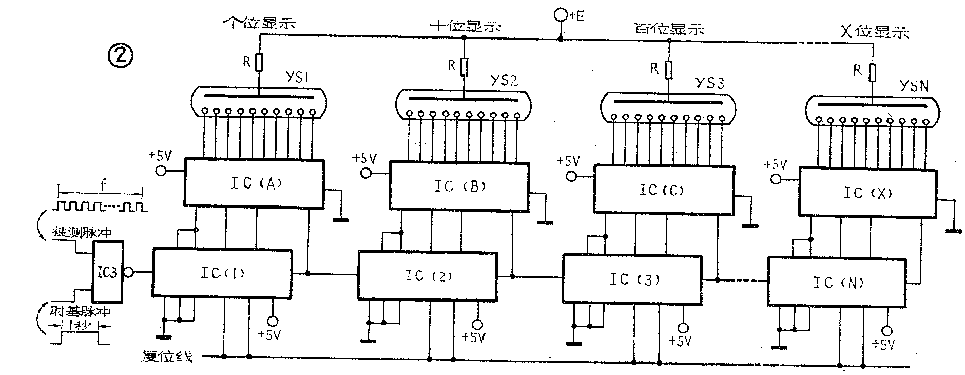
图2是一个简单的数字式频率计数、显示电路。图中的IC3就是图1中的闸门电路。IC(1)、IC(2)、IC( 3)……IC(N)是十进制计数器(国外采用集成电路7490)。这种计数器每输入十个脉冲就有一个脉冲输出给下级计数器。同时由四条引线向译码器输出一个二——十进制的与8、4、2、1相对应的状态编码。IC(A)、IC(B)……IC(X)是译码/驱动电路(国外使用集成电路74141)。这种电路能对计数器送来的8、4、2、1的二——十进制编码进行译码。并用十条线给数码管的十个阴极输出起辉电压。数码管的点燃需要一定的驱动功率,所以该电路同时备有驱动电路,以便点燃数码管的有关电极。YS\(_{1}\)、YS2……YSN是辉光数码管。

图2的电路虽然简单,但其缺点是在显示过程中,数码管同时把数值的变化一起显示出来,给人以闪烁的感觉。为了使显示器指示的数值稳定和消除计数干扰,常采用增加缓冲寄存器的办法来改善。图3是计数电路的个位电路(其他位均相同),在这个电路中装有一个缓冲寄存器。IC3的输出脉冲送到IC(1)进行计数,每次计数完毕,由时基发生器输出到各缓冲寄存器IC(a)……IC(X)一个写入脉冲,把各计数器电路的状态同时写入缓冲寄存器。寄存器的输出脉冲再经译码/驱动电路点燃数码管的各有关电极进行发光显示。在显示过程中由于缓冲寄存器的输入端是被关闭的,相当于“切断”十进计数器与它的联系,所以IC(1)到 IC(N)在计数过程中的数值变化就不会被显示出来,而数码管所显示的数值则均为前一次计数的结果。

为了适应各种收音机的需要,还出现了一种专门为一般收音机而设计的数字式频率显示器。它以附件的形式与各种类型的收音机相连,它的输入阻抗很高,这是为了减小对被测收音机本地振荡器的影响而采取的措施。图4是这种附件电路的高阻抗输入级和正弦——矩形脉冲转换电路。从收音机(电子管或晶体管机)本振级取出的信号经电容器C\(_{1}\)和电阻R1输入到BG\(_{1}\)的栅极,为了进行阻抗变换,BG1以相当于射极跟随器的形式推动NPN三极管BG\(_{2}\)的基极,这一级也是射极跟随器,所以输出阻抗很低。由BG2的发射极电阻R\(_{4}\)取出信号,经过C3送到倒相集成电路IC1和IC2进行整形,将输入信号变为矩形脉冲。IC2输出的信号和时基脉冲一起送到与非门电路IC3。IC3输出的脉冲被送到计数电路进行计数。图中的二极管D\(_{1}\)和D2为限幅之用,以保护场效管BG\(_{1}\)不致被击穿。
数字式频率显示电路就简单地介绍到这里。也许有人会问,这种电路如此复杂,所用元件又是如此之多,对收音机来说是否有实用价值呢?这一点是可以放心的。今天的大规模集成电路的发展和生产水平可以做到在一块电子手表内的集成电路片上制造近几万个元器件,而收音机数字式频率显示器的复杂性与全电子手表相比,就显得简单多了。目前,包括分频、计数、记忆、存贮等电路的P-MOS大规模集成电路已制造出来了,如TMS-3878。将来的收音机数字式频率显示器的体积,包括液晶数码显示器和电源在内,也不会比一块手表体积大。因此在不久的将来,即使是袖珍式收音机也会采用数字式频率显示器来代替今天的机械式度盘和指针的。总之,当收音机采用数字式频率显示器之后,将会给收音机选台带来极大的方便。(俊涛)