准互补OTL电路通常由五只晶体管直接耦合而成,各管的工作点相互牵连甚大,在图1电路中,除电容器开路外,其它任一元件出故障都会引起各点电位变化的连锁反应,这样一来,给检修工作带来不少麻烦。本文对一些常见故障加以分析,并谈谈故障检修方法。
怎样分析OTL电路?

1、OTL电路中各晶体管的偏置问题 要想使晶体管在电路中正常工作,必须在晶体管的集电结上加一个反向偏压,在发射结上加一个正向偏压(如图2a)。实际上,不是直接加偏压,而是采用电阻分压的方式,图2a中的R\(_{1}\)、R2叫做偏置电阻,R\(_{1}\)称为上偏置电阻,R2称为下偏置电阻。尽管半导体材料随温度的变化极为敏感,但只要偏置电路选配得当,晶体管在很宽的环境温度下依然能正常工作。在交流放大器中,常常引入电流负反馈来稳定工作点,图2b就是常用的一种电路。在直流放大器中,则常采用差分放大器或二极管补偿的办法,来降低由于温度变化所引起的工作点的漂移,图2c就是利用二极管补偿温度变化引起漂移的一种形式。

初次接触OTL电路的同志,可能觉得这种电路晶体管和电阻元件很多,连接方式也较特殊,似乎较难于分析。其实,晶体管在电路中的作用,一方面是起倒相和放大作用,另一方面如果将管子接到直流偏置电路中,管子内阻也起到一个偏置电阻的作用。例如,如果将图1中功放级各管的偏置电路简化,就可以得到图3的形式。从图中可以看出,有的晶体管只不过是另一个晶体管的偏置而已,例如BG\(_{2}\)就可等效成BG4的上偏置电阻(图3b中的RCE2)。还可以看出,BG\(_{3}\)、BG4采用了图2c那种补偿方式。BG\(_{1}\)、BG2的偏置电路大体上和图2b相同、图1中W\(_{1}\)接在中点A处的目的是引入电压负反馈,以提高电路的稳定性。
2.V\(_{BE}\)(发射结压降)的配置 OTL电路处于静态时,各管的集电极电流都很小,除大功率管外,多数在5毫安以内。这时发射结压降VBE几乎是不变的。硅管的V\(_{BE}\)为0.6~0.7伏;锗管的VBE为0.1~0.2伏。因此,在晶体管本身良好而V\(_{CE}\)接近\(\frac{1}{2}\)VCC的条件下,只要检查V\(_{BE}\)大小与其所用的材料是否相吻合,就可简便地判断出该级晶体管工作状态是否正常。

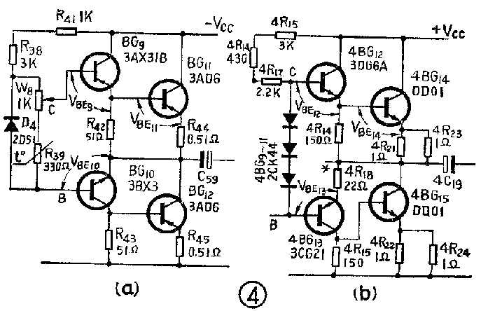
图4a是春雷3T4收音机功放级的电路,根据上面的分析方法可以得出,B、C两点之间的电压为V\(_{BE9}\)+VBE11+V\(_{BE1}\)0。由于全部采用锗管,所以VBE可都按0.15伏估算,即此时B、C两点应加0.45伏左右的电压。在偏置电路中采用了一个硅二极管,利用它的0.65伏的正向压降作为稳压源。由W\(_{8}\)与R39分压以满足它所需的偏压。如果将NPN型的锗管3BX3换成常用的NPN型硅管3DG8,虽然从原理上讲也能工作,但实际上静态电流无法调上去,会产生交越失真而引起声音阻塞。其原因是硅管的V\(_{BE}\)需0.65伏左右,换管后B、C两点之间的电压为VBE9+V\(_{BE11}\)+VBE10=0.15+0.15+0.65=0.95伏左右才能正常工作。这时,仅靠D\(_{4}\)的正向压降已不够使用,应采用二只硅二极管正向串联起来,再并联上一个电位器调节电压来解决。
飞跃12D1电视机的功放级全部采用硅管,电路图见图4b。图中B、C两点之间的电压为V\(_{4BE12}\)+V4BE14+V\(_{4BE13}\)+V4R18=0.65+0.65+0.65+0.1=1.96伏左右。电路中采用了三只硅二极管,将它们串联起来,利用其正向压降作为偏置电压,这样,既能起稳压作用又能起温度补偿作用。若把PNP型的硅管3CG21换成常用的PNP型锗管3AX31B,则会造成静态电流过大而使功率管发热,甚至烧毁倒相管。解决办法是把4BG\(_{9}\)~4BG11中的某一只2CK44换成以“2A”打头的二极管,也可以用小阻值的电阻代替该二极管。
由此可见,在检修OTL电路时,当碰到互补管的硅、锗管必须互换以应急需时,由于V\(_{BE}\)不同,偏置电路也应随之更改,不然就会造成人为故障。其次,还应注意所换管子的参数是否满足要求。
目前硅管多为NPN型的,锗管多为PNP型的,但决不可将材料和结构这两个不同的概念等同起来,误认为NPN型管就是硅管,PNP型管就是锗管。
3.偏置电路的计算 为了迅速找出造成工作点偏移的故障原因,首先必须掌握偏置电路的计算要点。设图2b中的R\(_{1}\)=8.2千欧,R2=3.9千欧,R\(_{E}\)=1.5千欧,RC=2千欧,V\(_{CC}\)=12伏。晶体管选用NPN型硅管3DG8,则集电极电流IC可按下列步骤求出:
①由分压电阻值推算出基极电压:在不考虑发射极电阻R\(_{E}\)影响的情况下,
V\(_{B}\)=VCC·\(\frac{R}{_{2}}\)R1+R\(_{2}\)=12×3.9K;8.2K+3.9K≈3.7伏。
②由V\(_{B}\)求出VE:对NPN型晶体管而言,发射极电压V\(_{E}\)=VB-V\(_{BE}\);3DG8是NPN型硅管,则VE=V\(_{B}\)-VBE=3.7伏-0.7伏=3伏。对PNP型管而言,V\(_{E}\)、VB均用负压表示,则V\(_{E}\)=VB+V\(_{BE}\)。
③由V\(_{E}\)及RE求出I\(_{E}\):因为IC≈I\(_{E}\),则IC≈I\(_{E}\)=VER\(_{E}\)=3伏;1.5K=2毫安
④求晶体管V\(_{CE}\):VCE=V\(_{CC}\)-VE-I\(_{C}\)·RC=12伏-3伏-2×10\(^{-3}\)×2×103=5伏。
在上述计算中,R\(_{2}\)与RE的比值越小,用上述计算基极偏压V\(_{B}\)的公式计算出来的结果越精确,工作点也越稳定,如果R2与R\(_{E}\)比值较大,RE的分流作用影响大,计算结果就不准确了。但是,图1中的R\(_{9}\)(相当于图2b中的RE)阻值过大,将使最大不失真功率受到压缩,所以在一般情况下R\(_{9}\)取值很小,甚至可以不用。这样一来,由于R9的影响不能忽略,不能用上述公式计算,BG\(_{2}\)的IC就仍需借助万用表来测量了。简单的方法是读出R\(_{6}\)两端的电压,而IC2=V\(_{R6}\)/R6,不必断开电路中的任何元件。
常见故障及检修方法
有的业余爱好者常常提出对于准互补OTL电路的故障现象不会分析,其实只要掌握了这种电路的特点,分析起来也不困难。下面我们以表3和图3为基础,举例分析一下表1、表2中的一些故障。

例1:表1第⑤条中,BG\(_{3}\)的CE极短路为什么会导致VCC电压跌落?从图3C可知,BG\(_{3}\)的内阻RCE3可等效成BG\(_{5}\)的上偏置电阻。从表3中又可以看出,上偏置电阻短路后会使IC增加。所以BG\(_{3}\)的CE极短路后会导致BG5深度饱和,即I\(_{CS}\)剧增。电源电压VCC将由于负荷过重而猛跌。
例2:表1第当BG\(_{2}\)的CE极开路时,为什么会导致中点A的电位与VCC相近?BG\(_{2}\)的CE极开路,则IC2=0。此时W\(_{2}\)、D1、D\(_{2}\)无电流流过,阻抗无限大,相当于BG3的下偏置电阻开路。从表3可知,下偏置电阻R\(_{2}\)开路,会使IC增加。于是V\(_{CE3}\)趋向于零,BG5也随BG\(_{3}\)的饱和而饱和。所以A点电位与VCC就相近了。
例3:在表1第BG\(_{2}\)的CE极短路为什么会导致中点A的电位为零?BG2的CE极短路,相当于BG\(_{4}\)的上偏置电阻短路,使BG4饱和。BG\(_{6}\)又随BG4的饱和而饱和,即V\(_{CE6}\)=0,故中点A的电位接近于零。
在检修准互补OTL电路时,为了避免因受大电流冲击而损坏元件,可暂脱开大功率管进行静态调试。待A点电位调到\(\frac{1}{2}\)V\(_{CC}\)时,再接上功率管BG5和BG\(_{6}\)。若有故障,可参照表1、表2的思路检查。如果A点电位和静态电流都正常,就可送信号试听。
业余制作的OTL扩音机,在通电之前还应检查元件有无错、虚焊,然后再进行调试。
在试听过程中,如果大功率管严重发热,原因可能是:①电源电压过高;②扬声器阻抗太低;③功率管的漏电流太大;④功率管的饱和压降V\(_{CES}\)太大并且PCM太小;⑤散热板面积太小或散热条件不良等。
如果倒相管发热,则可能是该管的V\(_{CES}\)过大和PCM太小,也可能是由于功率管的β太低。
高音层次混浊,通常是锗大功率管的f\(_{β}\)过低所造成。当工作在高频段时,大功率管还会发热。
如果交流声过大,除了C\(_{2}\)和电源滤波电容的容量不足,变压器内阻过大等因素外,还与变压器的安放、接地线的位置等有关。如果噪声大,多数是由于晶体管和耦合电容器的漏电流过大,或者是由于扬声器音圈内有金属杂质所造成。(盛惠泉)


