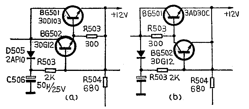
问:有一台青松牌901型电视机的电源调整管3DD103坏了,是否可以用3AD30C管子代替?
答:不能直接替换。从两种管子的大小、形状、管脚的排列来看,似乎一样,但是,它们的内部材料结构并不一样。3DD103是NPN型硅管,3AD30C是PNP型锗管,两种管子所需的电压完全相反,所以,不能直接替换。如果要代替,电路要作简单的改动。具体改法,如图所示。图(a)是原电路,图(b)是改动后的电路。原印刷电路板和散热板都不必改动,只要改动一下BG\(_{5}\)01及R503的接线即可。我们曾在青松牌、孔雀牌23厘米电视机上,进行过代换,效果较好。 (杨进录)

问:在自制35厘米电子管电视机的时候,缺一个场输出变压器,手头有一只音频推挽输出变压器,能否用它代替?
答:如果手头有一只电子管收音机音频推挽输出变压器,可以用它来代替场输出变压器,实践证明效果很好。
这种音频推挽输出变压器的铁心横截面积通常是25×25(mm)\(^{2}\),这比825—2型电视机的场输出变压器的铁心横截面积16×32(mm)2还要大些。而且推挽输出变压器的硅钢片是对插的,没有留气隙,所以初级线圈的电感量比较大。用它代替场输出变压器后,场扫描锯齿波电流的线性很好。
代替时的接法,如图所示。变压器的初级头、尾分别接电子管6P1的阳极和帘栅极,中间抽头空着不用。变压器的次级应和两组场偏转线圈并联。这样才能保证偏转线圈与场输出管很好的匹配。(赵煦)

问:用万用表R×1K档,测试某只3AX21型管发射极和集电极之间的电阻,一种量法为3千欧,另一种量法为50千欧。如果按习惯判别法,前一种量法红笔所接的为集电极,黑表笔所接的为发射极,但当将管子接入收音机低放级后,工作不正常,如果将管子的集电极和发射极反过来连接,收音机工作反而正常,这是何故?
答:原因可能是此管穿透电流很大,β-也很高,而收音机低放级工作点电流又较小。如果只用一个简单的电阻作为偏置电阻(如图1),则有可能即便基极不加偏置电流,管子的穿透电流也已接近或超过工作点电流,当一加上偏流时,就使得管子饱和,失去放大作用而不工作。

如果将管子反接(如图2),集电极代替发射极,发射极代替集电极,也有放大作用,只是β-要小很多,穿透电流相应也减小。此时调整偏置电阻可调到合适的工作点,放大作用虽小一点,但可以工作。(王永江)
问:有的调频收音机中频为8.4兆赫,接收频率范围为63~74兆赫,能否改成中频为10.7兆赫、接收范围为88~108兆赫的接收机?
答:可以改装。中频部分可将中放级的槽路电容减小,将原有槽路电容减小到62%,例如,原来槽路电容为100微微法,应改为62微微法左右,再微调槽路电感,就可调谐于107兆赫。高频电路则先改变本振槽路的线圈和补偿电容,将原有线圈圈数和电容减少一些,找到88~108兆赫的频率范围,然后减小高放和输入回路的线圈和电容进行统调。如果还要接收波段以外的电视伴音,可用附加开关和附加线圈的形式,不过引线要短,否则易产生自激等不稳定现象。(文尚)
问:有CEIB-25和QEIB—32两种变压器铁心,想绕一个15W输出变压器,用那种好?
答:两种都可以,但如果要求低音频响好,圈数多,并且采用分段绕制,减少分布电容,得到较好的高音频响,用较粗的导线以减少功率损耗,则用GEIB-32较合适。如果用GEIB-25型铁心可能绕不下线包。(文尚)