这个时间程序控制器是为学校打铃自动化而设计制作的,也可用在其它需要按时间程序控制的流水线上。打铃间隔为5分钟的整倍数,例如:每天早上07:30打第一次铃,隔20分钟(5×4)打第二次铃,再隔10分钟(5×2)打第三次铃……,从早到晚一天可以安排打二十次铃,每两次之间的间隔是5分钟的整倍数。为了满足学校小预备的需要,还可以在整间隔以后的1、2、3或4分钟打铃。本机的脉冲源取自晶体管闹钟,信号准确可靠。译码器采用了插码牌的方法,简化了编程序的手续。本机设有追加系统,电源间断后,可以很快地追加到规定程序。本机用的都是分立元件,便于业余爱好者制作。
工作原理

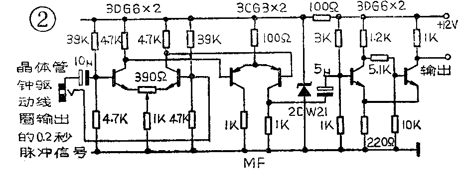
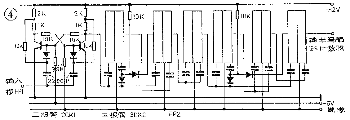
图1是整机逻辑框图。由晶体管闹钟的驱动线圈取出0.2秒的脉冲信号,经放大整形后,作为整机的脉冲源MF(电路见图2)。0.2秒脉冲信号经与非门YF\(_{1}\)送入五分频器FP1,五分频器是由三级双稳态电路组成(电路见图3)。FP1的输出是1秒的脉冲信号,它的一路输出作为检修信号用,另一路输出送到 由七级双稳态电路组成的六十分频器FP2(电路见图4),FP2的输出为1分钟的时序脉冲。FP2的输出送入五位循环计数器C1~C\(_{5}\)(电路见图5)。循环计数器有两路输出,一路由C5输出,为5分钟的信号,经或门H\(_{1}\)进入时间程序计数器(八位二进制计数器)C6~C\(_{13}\)(电路见图6)。





注:以上“分频器”、“循环计数器”、“二进制计数器”的工作原理,在有关晶体管开关电路的书籍中都有详细讲解,这里不再重复。
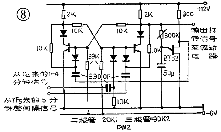
C\(_{6}\)~C13的输出信号都送到译码器。译码器的作用就是根据学校上下课的时间,从C\(_{6}\)~C13的输出中,选择需要打铃的时间译码输出送到YF\(_{3}\)。为了保证译码器的每一道程序只输出一个跳变信号,提高可靠性,因此又加了一级YF6。YF\(_{6}\)的一个输入端是从YF3送来的打铃信号;YF\(_{6}\)的另一个输入端是从循环计数器C5输出的5分钟信号,经过单稳态电路DW\(_{1}\)(图7)延时0.2秒后送来的。只有在两个信号同时出现时,YF6 才有输出,保证了打铃的可靠性。铃响时间的长短由单稳态电路DW\(_{2}\)(图8)控制,本机铃响的时间定为10秒左右。DW2的输出经YF\(_{7}\),便可驱动电铃KG响铃。YF7的作用是保证只有在正常工作时才有可能响铃,防止在做追加动作时响铃。


五位循环计数器的另一路输出接到一个选择开关K\(_{3}\),它可用以选择接通C1、C\(_{2}\)、C3或C\(_{4}\),来送出1、2、3或4分钟中的任意一个信号到双稳态触发器C14的S端,C\(_{14}\)的R端由译码输出YF4控制。YF\(_{4}\)和YF3(注YF\(_{4}\)和YF3是用的负或门)一样有二十个输入端,但YF\(_{3}\)的输入端是固定连接的,而YF4的输入端有选择开关,就是说只有在需要打小预备铃的程序,才把这一路的译码输出接入YF\(_{4}\)。YF4的输出和YF\(_{3}\) 的输出是一样的信号,它经过YF5 (作用和YF\(_{6}\)一样)送到C14的R端使C\(_{14}\)复位,随着送来的1、2、3或4分钟信号使C14置位,这样就使小预备选择的时间加在本道程序的后面,适应小预备打铃的需要。
译码部分的制作

图9是译码器的原理图。译码器的制作方法,一般是用在矩阵板上焊接或插入二极管的办法。我们制作的这个时间程序控制器是用的插码牌解码的方法。把C\(_{6}\)~C13的Q和Q-端输出,焊在三十线双排线路板插座上,并在Q\(_{1}\)和Q-1、Q\(_{2}\)和Q-2……Q\(_{8}\)和Q-8之间的接线角上各焊上一只二极管2CK1A,见图10a,同样的插座共制作二十个。

然后用双面敷铜板做“00000000”~“11111111”共256块码牌,图10b是“3”码牌(二进制数00000011等于十进制数3)。因为程序计数器输入的信号是每5分钟一个脉冲,所以译码器译出的十进制数“1”就是5分钟,“2”是10分钟,“3”是15分钟,依此类推。如果把“3”码牌插入插座,那就是说从整机置零后第3个5分钟(即15分钟)才响铃。学校更改作息时间时,只需要换插码牌就可以了,其余部分都不需变动,使用是比较方便的。
码牌设计是这样的:先列表将0~256十进制数译成二进制。凡是遇到二进制数“1”的这一位,二极管接至相应计数器的Q端;遇到二进制数“0”的这一位,二极管接至相应计数器的Q-端(原理图见图9)。所以制作码牌时,凡是“1”,码牌的铜箔问上,将二极管与Q端相连接;凡是“0”,码牌的铜箔向下,将二极管与Q端相连接(图10a、b)。实际在学校中应用做140块码牌就已够用了。
表1举了一个例子,列出了二进制数、十进制数和响铃时间的对照表。图9中的二极管位置就是对应于这个表中所列时间的位置。按照表1,将“0”码牌插入第一个插座,将“4”码牌插入第二个插座、……将“132”码牌插入第二十个插座,就可以按表列时间自动顺序打铃了。

故障闭锁和追加系统
图1中左边部分是故障闭锁和追加系统。图中DM是一个不对称式双稳态电路(图11),每当开始接上电源时,它的输出端固定为低电位,将YF\(_{1}\)闭锁,脉冲源信号不能送入分频器,整机不工作。必须将DM置零,DM输出端变为高电位,经F5 反相后控制DW\(_{3}\)输出置零信号,使循环计数器和时间程序计数器都置零,把以前贮存的数据清除,再重新开始工作。因此如果在使用过程中突然停电,当电源再次接通时,由于DM的作用,可以防止整机仍按停电以前的程序继续进行。

也可以利用晶体管闹钟本身的闹钟来置零,把闹钟指针位置投在每天开机的时间上,每天开机时,即自动置零一次。
追加系统的作用是在停电以后再开机的时候,可以快速地走过已经过了时间的程序,追加到所需要的时间程序。它的工作过程如下:把开关K\(_{2}\)拨到“追加”位置,按下按钮K1,C\(_{15}\)和C16的Q端都为“0”。这时YF\(_{4}\)关闭,YF2打开,MF送出的0.2秒脉冲信号,直接送到二进制计数器C\(_{6}\)~C13,以0.2秒一个脉冲(原为5分钟一个脉冲)的速度进行快速追加。需要追加到那一程序,就把相应的码牌插在第二十个插座上。追加到预定程序,YF\(_{8}\)输出信号经与门Y1控制C\(_{16}\)使它翻转,YF2关闭,停止追加。然后把K\(_{2}\)置于“工作”位置,待到本程序的时间时,按下K1,整机即可正常工作。
双稳态C\(_{17}\)的作用是用来控制追加指示灯的。
为了随时可以检查整机工作是否准确和追加后是否走到了该道程序,本机设立了程序显示,程序显示的号码和码牌上的十进制数码相对应。
制作与调整
本机制作时主要考虑怎样提高可靠性和抗干扰性。机壳尽量选用铁磁性和导电性较好的材料,如铁板,使尽量减少外界磁场和电场对它的干扰。整机的转接线尽量采用导线直接焊接,以提高长期工作的可靠性。电源变压器选用30W—50W的,使它在工作中产生的热量极小。电源变压器最好远离计数器,同时把它加以屏蔽。电源的进线端最好装一个低通滤波器,消除由电源进来的干扰脉冲。(北京市六十一中学 娄景亮)