我校无线电小组的同学制作了一台带小助声箱的简易四管收音机,它的灵敏度较高,放音宏亮,音质较好。
一、电路简介
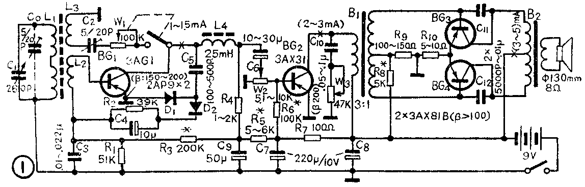
四管机电路详见图1。由于此电路中采取了以下几点措施,四管机的灵敏度和音量有所提高。

1.简易可调式再生线路:简易机一般都加有再生,但频率高、低端再生不均匀的问题较难解决。本电路在再生电路中串入一只100千欧带开关的电位器,使再生可调。在收听本地强电台时还可以切断再生电路,这样在接收任何一个频率电台的广播时,都可以调至临界再生的状态,从而使灵敏度有很大提高。
2.简易衰减式音调控制线路:为了使音质得到改善,我们在功放级两管的cb之间都并上0.01微法的电容,使噪声和部分高音衰减,提高了信噪比,并使低音得到相对提升,此外,还在前置低放级的集电极接入了简单的衰减式音调控制电路,通过控制电位器W\(_{2}\),使高音衰减成为可调,以适应收听的需要。
3. 加强退耦:在高放部分的电源中,加了一组退耦电路,而且电阻用得较大,这样可减小噪声,并避免自激,也不会“阻塞”。
4.提高输出功率:简易四管机虽然采用了来复电路,但仍只有两级低放,用音箱放音,常感到增益不足。在制作中,我们采取了以下几点措施:
(1)尽量采用有助于提高增益的大型元件:如输入回路采用180毫米的长磁棒,并用φ0.07×28丝漆包线分段绕制,见图2,以提高天线线圈的Q值。另外采用260微微法的空气单连可变电容器,采用φ130毫米的扬声器。

(2)提高电源电压:我们采用了9伏电源供电,为了防止电源电压降低时产生低频振荡,退耦回路的电容采用了220微法的电解电容。
(3)采用高β管:四管机因低放级数少,一般不会产生自激,故可采用高β的晶体管。本机所用的四只晶体管,β值都较高,BG\(_{1}\)的β≈170,BG2的β≈200,BG\(_{3}\)与BG4β值约110。在管子的选取上,要选择穿透电流I\(_{ceo}\)尽可能小的,这样工作稳定一些。BG3、BG\(_{4}\)最好能严格配对,并需用废日光灯启辉器铝罩卷成散热套,套在管子上,如图3。

由于采取了上述措施,加之配以小型助声箱,使整机性能得到了改善。
二、装置及调整
在安装前一定要对元件进行核对和检查。焊接前将线路板用细砂纸擦一遍,涂上一层松香酒精溶液。元件插入印刷板后引线不要保留过长,这样不仅美观,而且可以避免元件相碰造成短路。插接二极管、三极管、电解电容时一定要弄清极性,以保证一次焊对。
安装时可以一部分一部分安装,即分为功放(输入变压器到扬声器);前置低放(电位器到输入变压器);高放部分。装好一级调整一级,也可以一次装完,再由功放级往前,逐级调整,再生及音调控制电路最后接。
功放级的调整,可用一个1千欧左右的电阻串接一个20千欧电位器,接入R\(_{8}\)位置。在图中输出变压器中心抽头画“×”处串入5毫安电流表(或万用表5毫安档)。接通电源,旋动电位器,使电流表指示为2~3毫安。焊下电位器和电阻,测量其串联总阻值,用同值电阻焊在R8处,再看电流表指示是否仍在上述范围,如无变化,拿走电流表,用焊锡把缺口封死,这一级的调整即完毕。低放级的调整和功放级调整相同。
前置低放调好后可以用手握改锥的金属部分去碰触BG\(_{2}\)的基极,如扬声器中发出响亮的“喀啦”声,并可听到嗡嗡的交流声,说明低放工作正常。调整高放级时可把天线线圈的一头断掉,仍用一个50千欧电阻串一个470千欧电位器接于R3处,调整电位器使电流表指示在1~1.5毫安,再测一下R\(_{5}\)与R3交接点对地电压是否在3~4伏,如低于3伏,可减小R\(_{5}\)阻值,再重新调R3。三级都调整完后,可以接通天线线圈,旋动可变电容器,这时应能听到电台播音。工作点调整即告完成。
最后接上再生电路,将电位器及开关用一根线短路,选择800~900千赫左右的电台,调整再生线圈在磁棒上的位置,旋转C\(_{2}\),使收音机发出再生啸叫,再慢慢旋转使叫声停止。去掉短路线,将可变电容器旋至高端,旋动W1,看能否使叫声停止,如不能,可减少再生圈数,如始终无啸叫,可能是再生圈接反,换个头试试。
频率覆盖可在装上度盘后调整,在频率低高端各找一个已知频率的电台,将指针旋至该频率处,低端可调整天线线圈在磁棒上的位置,高端可调整电容C\(_{0}\),反复调整几次,分别使声音最响。最后将音调控制部分接入电路,旋转电位器,看音调是否变化,如嫌声音过于发闷,可减小C10或C\(_{11}\)、C12的容量。
三、助声箱的制作
本机采用小型曲径式助声箱,配以5英寸(φ130mm)扬声器,提高了低音效果。
小型助声箱及隔板均用五合板,用乳胶粘成的,关键部分用大头针固定。外型及尺寸见图4(a)(b),面板上采用了售品红灯牌收音机的频率刻度盘(配用70毫米拉线轮),将两边开孔部分切割掉,只保留中间部分,下衬一条白色有机玻璃条。面板上大旋钮是电台调谐;中间小旋钮调再生;左边小旋钮是音调旋钮。调谐机构见图5。机心采取一次推入式,所有元件连同电池安装在一块L型板上,见图6。(北京市石景山六一小学周伯荣 姚家驹)


