我们制作的小型嗅敏检漏仪是一种检测可燃性气体的仪表,灵敏度高、反应快、携带方便。可用来检测煤气、氢气、天然气管道及煤气表具、器具和容器是否有漏气。
嗅敏元件简介
这个检漏仪的核心元件是一只嗅敏半导体。嗅敏半导体元件是以二氧化锡为主体的一种N型金属氧化物半导体。它的外形和符号见图2,图中H\(_{1}\)H2为元件加热丝,加热丝电阻约为4~5Ω左右,B为检测极。当仪器工作时,H\(_{1}\)~H2通以加热电流,为了加快被测气体的吸附过程,嗅敏元件需要在一定温度下工作,一般以200℃~400℃为最佳。元件的BH两极之间具有一定的静态电阻,约为20KΩ~100KΩ左右。当被测可燃气体分子被元件颗粒表面吸附时,元件的电阻值随可燃气体成份和浓度的变化而不同程度地下降。当可燃气体消散之后,电阻恢复。

工作原理

图1是嗅敏检漏仪的方框图,由电子吸气泵、分流取样室、嗅敏半导体元件、过滤室、振荡器、稳压器、放大器、表头等部分组成。
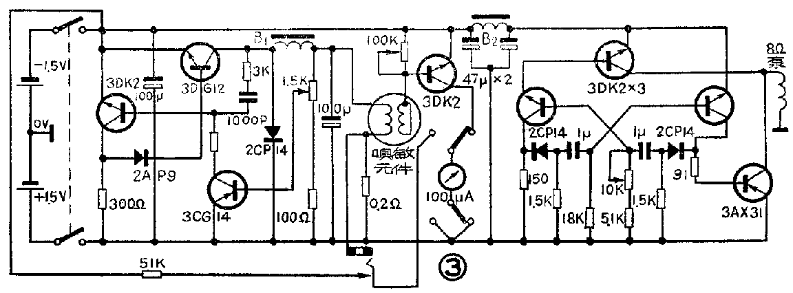
仪器的电路见图3。工作时,电子吸气泵以恒定的流速将被测气体吸入,气体先被通入一过滤室,经过滤咀过滤之后,流出干净气体送入分流取样室。电子吸气泵的构造原理类似扬声器,它的音圈用一组互补直耦功率输出多谐振荡器来驱动,振荡器中的10KΩ电位器,用来调整振荡频率和调节输出脉冲正负幅度,当输出脉冲宽度、幅度相等时,泵的工作效率为最高。振荡器输出方波频率约为100赫左右,这个信号通过音圈产生的交变磁场和永久磁铁固定磁场的吸斥作用,使音圈前后振动,并带动一橡胶薄膜发生振动,薄膜的前面有一腔体,当薄膜向下运动时,出气阀关闭,进气阀打开,气体进入腔体;当薄膜向上运动时,出气阀打开,进气阀关闭,腔体内的气体被排出。由于橡胶薄膜不断上下振动,二个阀门交替开闭,就把气体抽进来、排出去,形成一个固定方向的气流,流量可达600~700毫升/分钟。电子吸气泵有效地加速了元件的响应时间和恢复时间,在一定程度上避免了周围气氛引起的干扰。

嗅敏元件装在一个很小的分流取样室里,以减少外界温度对元件的影响。分流取样室的示意图见图4,它有一个针形阀(形状如螺丝,可用改锥进行调节),用来控制流过嗅敏元件的气流的大小,使大部分气流从主通道流过,只将气体中的一部分采样分析。这样,加快了取样时间,又不影响元件的稳定性。

嗅敏元件吸附到可燃气体后,内阻发生急剧变化,此信号经单管放大,在电表上直接显示出来。电表显示只是表示有无可燃气体,还没有做到定量检测。100KΩ电位器是调节电表零位用的。
为了保证元件有一恒定的加热电流,用补偿型的开关稳压器来对嗅敏元件加热。1.5KΩ微调电位器用来调节加热电流的大小。稳压原理如下:如加热电流↓→1.5KΩ、100Ω对地电位↓→3CG14基极电位↓→3CG14基流↓→3CG14的c、e内阻增大→1000P电容放电时间长→3DK2截止时间长→3DG12导通时间长→加热电流↑,以达到稳压的目的。反过来也一样,所以在电源电压允许被动的范围为,能使加热电流较为稳定。
电源用四节一号电池,分两组,每组两节并联,均为1.5V。
元件选择
对所用晶体管的要求:3DG12 β=80~100,Vceo<0.5V;3CG14 β>100;3DK2作放大器用的β>100,其它β>50。
B\(_{1}\)用一般半导体收音机的输出输入变压器硅钢片,S=5×5,在上排整齐绕φ0.41毫米漆包线100圈左右。
B\(_{2}\)用磁环MX—2000,外径10m/m,上面用φ0.31毫米漆包线绕100圈。
调试时注意
1. 嗅敏元件在不同的气体和不同的加热电流下,灵敏度是不相同的,所以在具体使用时,元件每测一种气体,都要反复调试选择一个适当的加热电流值,否则就达不到较高的灵敏度。如果加热电流偏低,气体吸附和脱附的速度太慢,使仪器不适用于连续工作。如果加热电流偏高,气体吸附量太小,导致灵敏度降低。只有在适当的加热电流下,才能使仪器达到理想的效果。
2.嗅敏元件加热极不能短路,否则会造成取样电阻(0.2Ω)的过热而烧毁。
3.当嗅敏元件的静态电阻过大时,例如≥100KΩ时,调零电位器失灵,这时换一只静态电阻等于50KΩ左右的嗅敏元件即可。
4.当仪器长期不用或者接触高浓度可燃气体后,会使嗅敏元件暂时呈中毒现象,以致造成灵敏度降低。这时可以在使用前调节1.5KΩ微调电位器,把加热电流值调高几十毫安,保持1~2分钟,再调回原来数值,这时元件灵敏度一般会恢复,并可继续使用。(上海市静安区少年宫电工组)