我们设计制作的这个附加器可以配合各种型号的电视机,并且不用改动电视机内部的电路,就可以把电视机当作示波器使用。
工作原理
我们知道,电视机内部的扫描系统,能使荧光屏上出现一个均匀的光栅。如果这时给显象管的阴极送进一个短的负脉冲,就会在荧光屏上出现一个亮点。同样,给末级视放管的基极(或栅极)一个短的正脉冲,也会在荧光屏上出现一个亮点。如果我们设法依次送进很多个脉冲,并使每一个脉冲分别在每一行扫描期间的同一时刻送进去,那么每一个脉冲形成的亮点,离荧光屏左边的距离都一样,这就在荧光屏上形成一条垂直亮线。可以设想一个方框图如图1,在电视机中的行回扫脉冲后沿,也就是每一行扫描开始的时刻,触发一个单稳电路。设该单稳电路25μS恢复,把单稳恢复的正跳变微分后,送到电视机视放管的基极(或栅极),在这一行光栅的中间部分就会出现一个亮点。周而复始,便在整个荧光屏中部出现一条垂直亮线。改变单稳的暂态时间,亮线就会在荧光屏上左右移动。如果用50赫的交流电调制单稳电路的暂态时间,那么在荧光屏上就能看到一个周期的交流电波形(因为电视机的场扫描频率也是50赫),如图2所示。从这里可以看出,附加器的基本工作原理就是用信号电压控制单稳态的脉冲宽度,当信号电压变化时,脉冲宽度不同,亮点出现的位置不同,达到显示波形的目的。


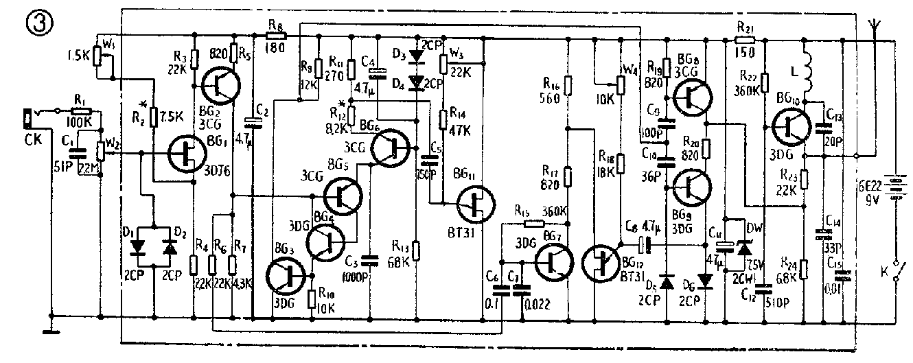
图3中,BG\(_{1}\)、BG2组成直流放大器,将信号放大后加到BG\(_{5}\)的基极,使电视机荧光屏上出现的亮点受信号控制而显示出信号波形。调节W1可以改变波形在荧光屏上的左右位置。调节W\(_{2}\)可以调节波形的幅度。R1、D\(_{1}\)、D2等组成限幅器,即使输入信号一时超过100伏也不会损坏元器件。BG\(_{1}\)用场效应管,使附加器有较高的输入阻抗。
BG\(_{4}\)、BG5和BG\(_{6}\)等组成单稳态电路。当无信号时,BG4、BG\(_{5}\)均处于截止状态。恒流源BG6导通,电源通过BG\(_{6}\)向C3充电。当有信号时,R\(_{7}\)上有信号电压输出,当C3上充电电压高于R\(_{7}\)上的电压0.6伏以上时,BG5导通,由于正反馈,BG\(_{4}\)很快导通,这时电容C3通过BG\(_{4}\)、BG5、\(_{B}\)G3放电,虽然放电电流逐渐减小,但是由于BG6不断向BG\(_{5}\)、BG4供给电流,所以BG\(_{4}\)、BG5仍导通。BG\(_{4}\)、BG5的截止是受行同步脉冲来控制的。BG\(_{11}\)等组成行同步脉冲发生器,产生约15.6千赫的行同步信号,该信号经电阻R11加到BG\(_{6}\)上,使BG6瞬间截止。BG\(_{6}\)截止时,BG4、BG\(_{5}\)也截止,C3重新开始充电,重复上述过程。单稳态导通时的负跳变脉冲经BG\(_{3}\)放大后再经过微分电容C9加到BG\(_{8}\)的基极,由BG8倒相放大后,从\(_{B}\)G8的集电极输出正脉冲即亮点脉冲。
BG\(_{12}\)等组成场同步振荡器。当BG2导通时,产生的负脉冲就加到BG\(_{9}\)的发射极,由BG9的集电极输出约为0.5mS的负脉冲。BG\(_{7}\)为内同步放大器,从直流放大器取出信号经电阻R6加到BG\(_{7}\),BG7放大后的信号加到BG\(_{12}\)上。
BG\(_{11}\)、BG12等组成的行、场同步振荡器,还分别起到了使电视机的行、场扫描与附加器同步的作用。
BG\(_{1}\)0、电感线圈L、电容C13等组成高频振荡器(振荡频率我们选在电视机的第二频道上),将亮点脉冲信号、行、场同步信号调制在这个高频信号上,由天线辐射出去,供电视机接收。
元件选择与安装
BG\(_{1}\)选用IDS小于3mA的、跨导大于800μΩ的3DJ、3DO型场效应管。BG\(_{2}\)、BG6、BG\(_{8}\)选用3CG或穿透电流小的3AG、3AK型三极管。BG5选用3CG型三极管。BG\(_{4}\)、BG7、BG\(_{9}\)选用3DG6、3DG4、3DG200、3DK2等小功率硅三极管。BG2~BG\(_{9}\)的hFE值应在30~100之间为宜。BG\(_{11}\)、BG12用分压比高一些的单结管。二极管用2CP或2CK型硅管。稳压管的电压可在7.5~10间选用。W\(_{1}\)、W2可用各种型号的电位器。W\(_{3}\)、W4选用小型卧式微调电阻。线圈L用φ4漆包线绕20圈。
印刷板见图5(1∶1),整个电路板及元器件都装在一个普通的铅笔盒里。

发射天线用普通钢卷尺制作,将钢卷尺对折后固定在一起即可。
调整
用一台正常的电视机,接通电视机和附加器的电源,并将电视机调在相对应的频道上。先调节R\(_{2}\)的阻值,使UR\(_{7}\)为2伏(不要超过2.5伏)。在R11两端并联一个高阻耳机或在R\(_{9}\)上串联一个低阻耳机,用电位器代替R15,从大往小调节这个电位器的阻值,会听到耳机中尖叫的音调逐渐升高,调到这个音调上升到与电视机的行频声相近时为止。
再用一只电位器代替R\(_{12}\),调节这个电位器至适当位置,使荧光屏上出现许多黑白相间的斜条,然后反复调节这个电位器和R14,荧光屏上的斜条逐渐变成一条垂直亮线,并把这亮线调到荧光屏的中间部分。如果亮线有两条或更多条,则调整R\(_{14}\);如果亮线由间隔的亮点组成好象虚线,应调R11。这部分调节应细心,直到荧光屏上出现一条由间隔相等的亮点组成的亮线为止。调W\(_{2}\),这条亮线应能在荧光屏的3/4范围内移动,把上述调整使用的各电位器换成阻值相当的固定电阻即可。W3主要是用来调行频的。
用电位器代替R\(_{18}\),调这个电位器使电视机屏上出现的水平黑线的滚动次数不断变化,直到调出荧光屏为止,说明附加器与电视机场频同步。如果同步后荧光屏上仍有一条黑线,说明附加器的场频为100赫;如果同步后荧光屏上闪耀厉害,说明附加器场频为25赫。这两种情况都不对。等附加器场频确实为50赫时,将电位器用相应阻值的固定电阻代替即可。
调整好以后,加入测试信号,荧光屏上应出现测试信号的波形。
本附加器的灵敏度约4mV/μS或0.25μS/mV。荧光屏上出现的亮线由约300个亮点组成,当被显示信号频率为1千赫时,信号的一个周期由15个亮点组成,所以被测信号频率不能高于2千赫,否则波形就看不清了。C\(_{3}\)的取值要合适,以免波形失真。使用时,波形幅度调节在荧光屏水平宽度的3/4范围内就可以了。由于电视机的场扫描是从上到下的,通过附加器显示的波形便是从上面开始到下面结束的,左边负、右边正。如果把电视机左边朝下立起来,波形就适合习惯了。(潘钰铭 乐承华)

