在全国青少年科技作品展览会上,北京市少年宫制作的电子琴中,有一套自动节拍演奏电路,能够演奏出进行曲、圆舞曲、仑巴、桑巴、探戈等十几种不同的节奏,可以听到各种鼓、板、钹打击乐器音响及各种花样的节拍鼓点。
自动节拍演奏电路是由脉冲信号发生器、计数器、译码电路和各种音色模拟电路组成的,方框图见图1。脉冲发生器产生一串正脉冲,这些脉冲去触发由双稳触发电路组成的计数电路。计数电路把脉冲的个数计成二进制码,送至译码器电路。译码器的功能就是按照不同的顺序和时刻去分别打开和关闭鼓、板、钹各音色模拟电路,以得到不同花样的节拍。例如,译码器先给鼓电路一个正脉冲,这时我们可以听到“咚”的一声;然后译码器又给板电路一个正脉冲,可以听到“大”的一声(象敲竹板的声音),如果译码器连续给出控制信号,就可以听到“咚大、咚大、咚大”的声音,这就是两拍进行曲节奏。如果此时通过琴键开关改变译码器输出信号的时间和顺序,就可以得到别的节拍。比如,我们以相同的时间间隔先给鼓电路一个正脉冲,然后给板电路两个正脉冲,就可以听到“咚大大、咚大大……”这种圆舞曲节奏了。根据这一原理,我们可以任意组合鼓、板、钹的声音,得到各种各样的节奏。

下面简单介绍各电路的工作原理。
音色模拟电路
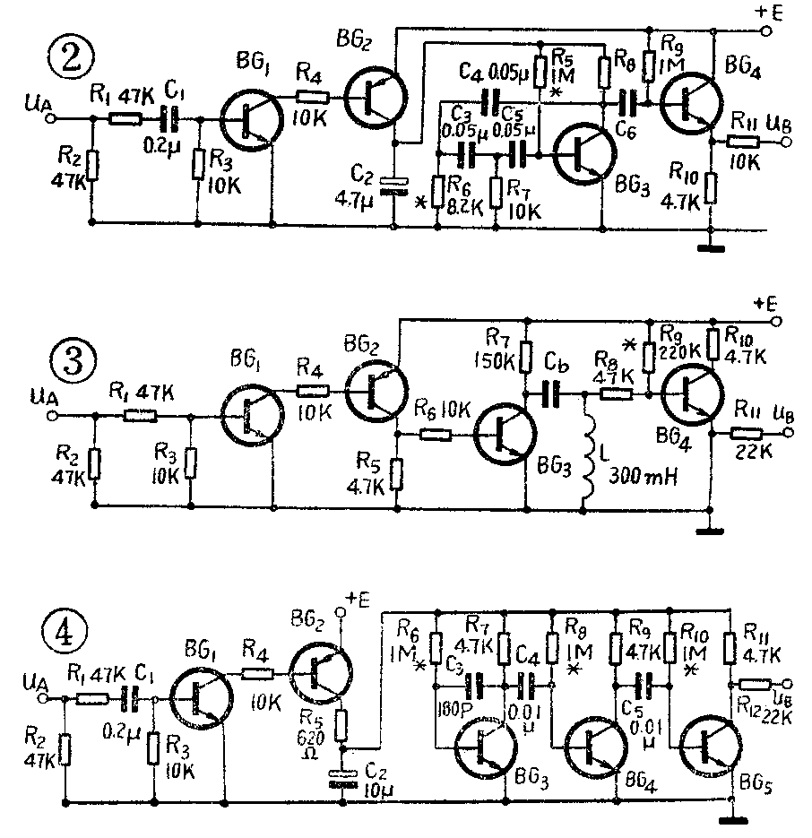
鼓的音色模拟电路见图2。因为鼓的声音的波形是一个突然发生的然后逐渐衰减的低频正弦信号,所以设计的图2线路是一个RC移相低频正弦振荡器。当输入端输入电压为零时,BG\(_{1}\)、BG2截止,振荡器无信号输出。当译码器有正脉冲送来时,输入端电压上跳至高电位,BG\(_{1}\)、BG2导通,电源通过BG\(_{2}\)给电容C2充电,C\(_{2}\)两端电压迅速上升,振荡器振荡,有一低频正弦信号输出。当电容C1上充电充满时,BG\(_{1}\)、BG2截止,但由于C\(_{2}\)两端电压是逐渐减小的,振荡器并不马上停振,而是使振荡信号幅度逐渐衰减至零,所以产生了鼓的模拟声。

板音色模拟电路如图3。由于板的声音清脆而短促,所以板声音波形是一个迅速衰减的正弦波。图3是一个LC振荡器,BG\(_{1}\)、BG2的作用与图2相同。当输入端为低电位时,BG\(_{1}\)、BG2、BG\(_{3}\)都截止,电源通过R7、L给电容C\(_{b}\)充电,并且很快充满。当输入端为高电位时,BG1、BG\(_{2}\)、BG3立即导通并饱和,C\(_{b}\)与L并联,并通过L放电,L、Cb组成的振荡槽路产生自由阻尼振荡,输出一个迅速衰减的正弦信号。这个信号由BG\(_{4}\)放大后输出。
钹的模拟电路如图4。当有信号时,BG\(_{1}\)、BG2导通,BG\(_{3}\)导通并产生噪声,经BG4、BG\(_{5}\)把噪声放大后输出,产生钹的音响效果。
这些音色模拟电路的输出端接至电子琴的功放级,由功放级放大后去推动扬声器。
计数器与译码器
为介绍它们的工作原理,我们先从简单的进行曲节奏谈起。进行曲的节奏是这样的:
|鼓 板|鼓 板|……
鼓和板交替地出现,各占一拍,每两拍为一小节。

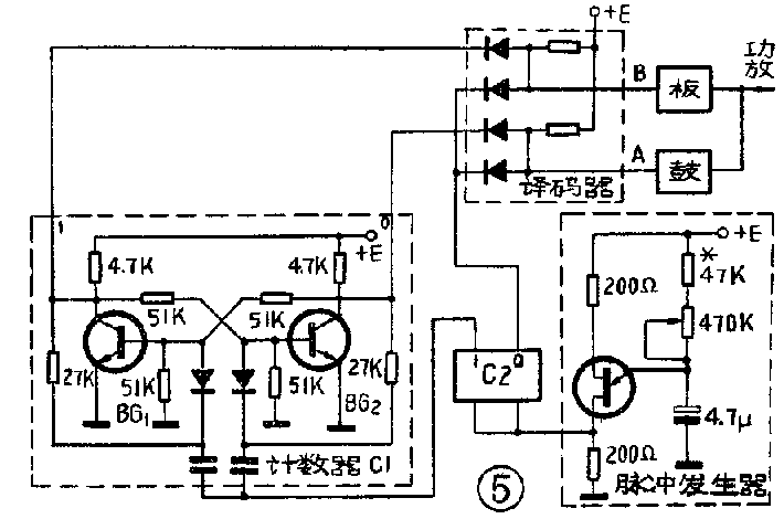
进行曲节拍电路如图5所示。二进计数器由C\(_{1}\)、C2双稳态触发电路组成,C\(_{2}\)与C1电路同。译码器由二极管组成。单结管组成脉冲发生器。首先由脉冲发生器电路产生一串正脉冲(每拍发出两个脉冲),这些脉冲去触发二进计数器。由于进行曲每小节两拍,每拍有两个脉冲,所以计数器需要有4种状态。在脉冲触发下,电路翻转,它们的输出电位高低交替出现。如果把C\(_{1}\)、C2“1”端(输出端)输出高电位称为触发器的“1”状态,输出低电位称为“0”状态,那么这个计数器应有00、01、10、11四种状态。与节拍之间的关系如下:

同理,对于圆舞曲节奏,它的电路仍由脉冲发生器、计数器和译码器组成。由于圆舞曲的节奏为:
|鼓 板 板|鼓 板 板|……
一小节有三拍,第一拍为鼓响,第二、三拍为板响。由于圆舞曲每小节为三拍,每拍对应有两个脉冲,所以需要有三个触发器组成的计数器。三个触发器应有8种状态如下:
001 010 011 100 101 110 111。
而我们只用其中的6种状态就可以演奏出圆舞曲了,这6种状态与圆舞曲的对应关系如下:

在这6种状态中,当触发器C\(_{1}\)、C2、C\(_{3}\)右端为高电位时,即“000”状态时,鼓电路工作,鼓响。而在“010”和“100”状态时板响,其余为停顿状态。另外由于在圆舞曲节奏中,6种状态已够用,所以设了D12、D\(_{13}\)组成的电位脉冲门,当第7个脉冲来时,计数器不是变成“110”而是变成“000”状态,跳过“110”和“111”状态。
由于计数器在“010”和“100”状态时,板电路都工作,所以在“010”和“100”与门之后还加了由D\(_{1}\)0、D11组成的二极管或门电路。


实际上,图6中译码电路的二极管还可以省略几个,变成图7的简化电路。

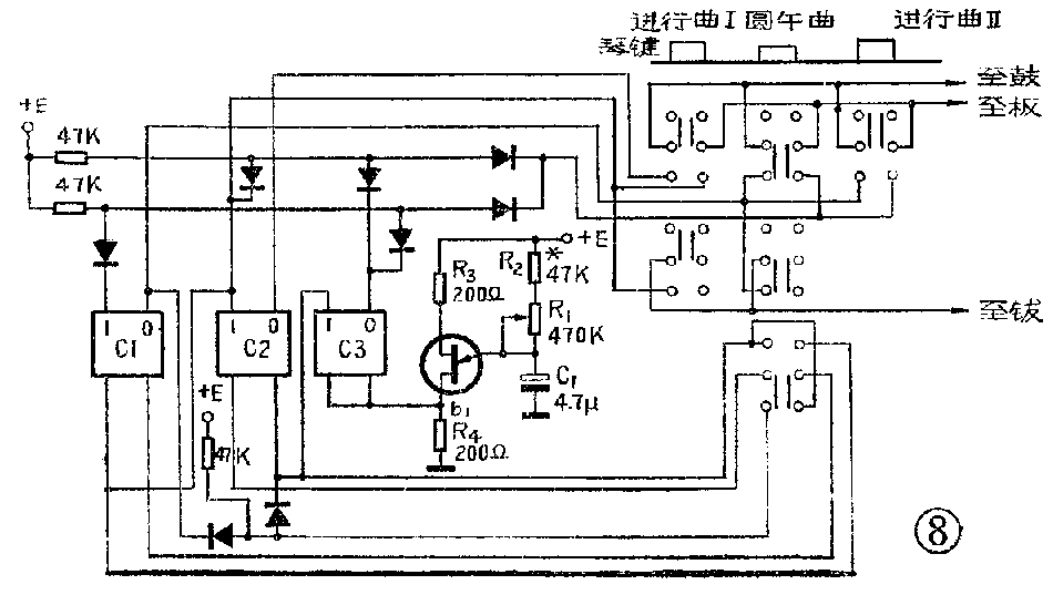
图8是一个较简单的有三种节奏的节拍电路,它可以应用在简易的电子琴中。它的节奏分别为:
1.两拍的进行曲节奏:

2.圆舞曲节奏

3.四拍进行曲节奏
|鼓板板板|鼓板板板|……
图8中单结管与电阻、电容等组成脉冲发生电路,它是一个单结管振荡器,从基极b\(_{1}\)处取出正脉冲去触发计数器。调节R1可以改变脉冲的频率,也就是可以调节节拍的速度。C\(_{1}\)、C2、C\(_{3}\)为触发器。从图上可以看出圆舞曲的译码器与四拍进行曲的译码相同,这两种节奏电路的不同之处在于计数器,圆舞曲的计数器是六进位的,而进行曲是八进位的。译码器用琴键开关转接后接入各音色模拟电路。

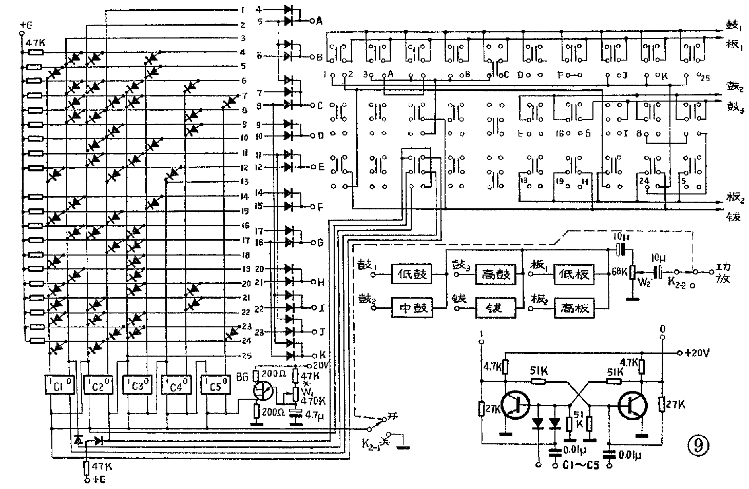
图9是少年宫制作的电子琴中的一种常用的有10种节奏的节拍电路。在这里用O\(_{1}\)表示低音鼓,O2表示中音鼓,O\(_{3}\)表示高音鼓,这些鼓电路与图2是相同的,只是振荡频率不同。△1表示低音板,△\(_{2}\)为高音板,板电路也是与图3相同,只是频率不同。X表示钹,与图4电路同。0为空拍,该琴演奏的节拍如下:

图9中,K\(_{2}\)是控制节拍电路工作的,当K2置于“关”位置时,K\(_{2}\)-2断开,无输出;当K2置于“开”位置时,K\(_{2}\)-1断开,K2-2接通,计数器开始正常计数,节拍电路工作, W\(_{1}\)控制节拍速度,W2控制节拍音量。下面谈谈图9电路的控制和调试。
图9鼓、板、钹电路中用的NPN型晶体管为3DG型的小功率硅管,PNP用3CG型硅管或3AX型锗管,穿透电流要小。二极管可用2CP或2CK型二极管。单结管用分压比较高的BT33、BT35等。对电源电压要求不严,可根据需要选用12~24伏,我们用20伏。图中电阻均为1/8瓦碳膜电阻。
本电路调试工作主要是调各音色模拟电路。在调鼓电路时,先将图2中的BG\(_{2}\)的集电极和发射极短接,这时在输出端应有低频正弦波信号输出。若无信号输出,应检查电路和调整R5,或调换β大一些的管子。有振荡后,断开短路线,当输入端有信号时,应有一声鼓响,若鼓响不好听,应调R\(_{5}\),由于调R5影响频率,所以还应配合调R\(_{6}\)(R6是用来调整振荡器频率的),直至模拟出逼真的鼓响声。
板电路只要电路正确,就能得到竹板的音响效果。调整C\(_{5}\)(一般在0.1μ~0.2μ左右)可改变竹板音的频率。图3中的BG3应选饱和压降小的管子。
钹电路主要调整管子的基极电阻,使噪声最大。
计数电路和译码电路一般很容易成功。(沈阳 徐爱萍)