一、简介
这里向大家介绍一种电视机的单通道遥控电路,它可以在20米范围内遥控电视机的开、关和三个频段的切换。为解决遥控电路和电视机的配合问题,高频头采用变容管电子调谐高频头,有三个频道预选电位器,均置于面板上,用W\(_{1}\)和W2分别预选1~5频道中的任一频道,W\(_{3}\)预选6~12频道中任一频道来实现遥控自动切换。遥控部分包括发射机、接收机和执行控制装置三部分。接收机和执行控制电路的方框图见图1。

电视机的遥控过程如下:打开电视机总电源开关,按下发射机的遥控按钮约二秒钟,发射出一长信号,这时电视机中执行控制部分的继电器吸合,接通电视机的电源,并维持电视机工作于任一预选频道,相应的频道指示灯亮。开始工作于什么频道是随机的,当要切换另一频道时,只要稍按一下发射机按钮,约0.5秒钟,发射出一短信号,就会自动切换至另一预选频道。每按一下,转换一个频道,三个预选频道轮流切换,直至切换到所需频道为止。当要关机时,同样只需把发射机按钮按下二秒钟左右,发射一长信号,则继电器释放,电视机停止工作。该机的面板上还有直控按钮,当不进行遥控时,可借助直控按钮,使用时与遥控步骤一样,也可方便地进行电视机的开、关与频道切换。
由于采用了电子调谐高频头,三稳态轮流触发电路等,因此遥控目的易于实现,电路简单,调整点少、工作稳定,适合于业余爱好者制作。
二、电路原理
该机采用的电子调谐电切换高频头,其电路与印制电路板基本上是本刊1978年第2期介绍的电路,但为了使遥控部分与高频头联接,对原电路作了少量的改动。高频头中的两只变容二极管的调谐电压0~30伏,由遥控部分三稳态电路控制的开关管直接提供,取消了原电路+100伏电源分压线路;三个频道预选电位器W\(_{1}\)、W2和W\(_{3}\)的不同调谐电压输出是受控制的;6~12频道的+11伏电切换电压也是在本频段工作时才有输出。另外,要特别注意选用截止频率足够高,fT大于800MH\(_{Z}\)以上的晶体管,变容管特性要对称,而且Q值要大于100以上。有关高频头的原理与调试,不再重述。下面着重介绍遥控部分的电路原理。
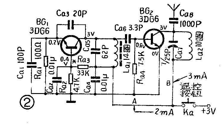
发射机电路:

电路原理图,如图2所示,它由两只小功率高频管组成。BG\(_{1}\)为振荡管,它与La1、C\(_{a5}\)、Ca3、C\(_{a1}\)组成共基电容三点式振荡器。Ca2、C\(_{a4}\)为高频旁路电容;Ra1为发射极电阻;R\(_{a3}\)、Ra2为上、下偏置电阻。振荡频率由L\(_{a1}\)、Ca5决定,L\(_{a1}\)的磁心可作频率微调。Ca3是反馈电容,适当选择它的容量可使振荡最强。BG\(_{2}\)作谐振放大输出,并起隔离作用,减少天线负载变化对振荡频率的影响。La2和C\(_{a7}\)也调整在工作频率上,使发射信号场强最大。发射机发射的是等幅信号,频率约28MHZ。
超再生接收机电路:
电路原理见图3,它由BG\(_{3}\)和BG4及其他元件组成。BG\(_{4}\)工作于超再生振荡状态,它与L2、C\(_{6}\)、C7、C\(_{5}\)、C2和C\(_{4}\)组成共基电容三点式振荡器。C3为高频旁路电容;C\(_{4}\)为反馈电容;R3、R\(_{2}\)为BG4的上、下偏置电阻;C\(_{5}\)有助于振荡状态的稳定,并能减少更换管子时极间电容对电路的影响。调节L2的磁心或改变C\(_{6}\)与C7的容量,使振荡频率为28MH\(_{Z}\)。另外,BG4的发射结与L\(_{1}\)等元件还组成超再生检波器,L1为高频扼流圈,对检波后的音频信号呈现低阻抗,音频信号又经BG\(_{4}\)放大后,在输出变压器B上产生超再生噪音。R1、C\(_{1}\)组成振荡器的自偏压电路,调节R1可使超再生噪音强弱变化。

BG\(_{3}\)为共基高频放大器,还起隔离作用。它可以提高超再生接收机的灵敏度,又能防止超再生振荡器产生的高频辐射影响电视机的正常工作。在高频放大器中,R4为集电极电阻;R\(_{7}\)为发射极电阻;R5、R\(_{6}\)为上、下偏置电阻,C8为耦合电容,C\(_{9}\)为高频分路电容。L3、C\(_{1}\)0串联谐振在28MHZ上,对起再生高频辐射也有抑制作用。
当接收机收到发射机的等幅信号时,与超再生振荡信号差拍的结果,使超再生检波输出一个直流信号,这时变压器B就无超再生噪音输出,使下一级开关电路的工作状态发生转换。
采用超再生接收机,可使线路简化,而且灵敏度高,抗火花干扰能力强。
执行控制电路:
电路原理图也见图3。当发射机按钮未按下时(即发射机不工作),变压器B有超再生噪音输出,相当于供给BG\(_{5}\)一个基极偏压,结果使BG5导通,BG\(_{6}\)截止,BG7也截止,所以,BG\(_{7}\)集电极为低电位。电路中的C11起滤除超再生振荡信号作用,C\(_{13}\)为抗干扰电容,使0.5秒以下的短干扰脉冲不致于造成开关电路的误动作,有助于BG5~BG\(_{7}\)开关状态的稳定。从BG7以后,执行控制部分分为二路:一路由BG\(_{8}\)~BG13组成,去控制电视机的电源开关;一路由BG\(_{14}\)~BG27组成,去控制三个预选频道的轮流切换。
对于BG\(_{8}\)~BG13组成的电视机电源开关控制电路,BG\(_{8}\)与BG9组成施密特触发器,它的翻转取决于BG\(_{8}\)基极电位的高低。当BG7集电极为低电位时,D\(_{1}\)导通,BG8基极也为低电位,所以施密特触发器处于BG\(_{8}\)截止、BG9导通的状态,BG\(_{9}\)的集电极也为低电位。而与BG9相连接的是由BG\(_{1}\)0、BG11组成的双稳态电路,由于C\(_{22}\)的作用,在电源接通后,双稳态电路处于BG10导通、BG\(_{11}\)截止的稳态,于是BG11集电极也呈现低电位,结果使开关管BG\(_{12}\)、BG13截止,继电器J不动作,电视机处于关闭状态。
对于BG\(_{14}\)~BG27组成的预选频道控制电路,由于此时电视机处于关闭状态,电视机内没有+12伏和+70伏电源电压输出,所以BG\(_{14}\)~BG27不工作。
当发射机按钮按下后,接收机收到发射机的等幅信号,使变压器B无超再生噪音输出,所以BG\(_{5}\)~BG7的工作状态翻转一次。于是BG\(_{7}\)导通,集电极呈高电位。这时,D1截止,+12伏专用电源电压通过R\(_{12}\)向C14充电,使BG\(_{8}\)基极电位逐渐升高。若发射机按钮按下超过二秒钟后(即发射出一个长信号),BG8基极电位上升至使其导通,于是施密特电路翻转,BG\(_{9}\)从导通转至截止。这时BG9输出一正脉冲,通过C\(_{17}\)、C18去触发BG\(_{1}\)0、BG11,使其翻转,BG\(_{11}\)由截止转至导通后,集电极电位升高,结果使开关管BG12、BG\(_{13}\)也导通,继电器J吸合,电视机接通电源。此时,机内+12伏、+70伏电压加至BG14~BG\(_{27}\)各级。当发射机按钮松开时,施密特电路又复原,C14通过R\(_{11}\)很快放电,BG8基极仍回至低电位,等待下次触发。由于BG\(_{1}\)0、BG11双稳态电路有记忆功能,它仍保持翻转后的状态,所以继续维持继电器吸合。只有发射机按钮再次按下超过二秒钟时,BG\(_{1}\)0、BG11才能翻转,使继电器释放,关闭电视机。调节C\(_{14}\)、R12的大小可改变施密特电路的触发时间,即可改变发射长信号的时间。
当发射机按下发出一长信号使电视机工作后,由BG\(_{14}\)~BG16组成的三稳态触发器从机内获得+12伏电压,开始工作。这时三稳态电路是随机的,可以是任一管截止,其余二管导通。假设BG\(_{16}\)截止,BG14、BG\(_{15}\)导通,则与BG16连接的BG\(_{17}\)~BG21组成的开关电路工作,BG\(_{17}\)、BG18导通,BG\(_{19}\)截止,BG20导通,BG\(_{21}\)截止。这时指示灯ZD1亮,+12伏电压通过BG\(_{2}\)0的发射极输出约+11伏,作为频段切换电压加到高频头去。电视机内的+70伏电压,经R51、W\(_{3}\)分压后,在W3中心抽头处获得0~30伏的频道调谐电压,也输至高频头。而与BG\(_{14}\)、BG15集电极相连的另外两组开关电路,则工作于BG\(_{22}\)、BG23、BG\(_{25}\)、BG26截止,BG\(_{24}\)、BG27饱和导通的状态。这时,ZD\(_{2}\)、ZD3指示灯不亮,所以电位器W\(_{2}\)、W1为低电位,D\(_{9}\)、D10截止,无调谐电压输出。因此,电视机工作在6~12频段的任一预选频道上。当需要切换另一频道的节目时,只需要把发射机按钮按动一下,立即放开,发射出一个短信号。此时,BG\(_{7}\)集电极输出一短正脉冲。因为C14较大,所以这一短正脉冲不能使施密特电路翻转,不影响电视机的开关,但能触发三稳态电路的翻转。使BG\(_{16}\)导通,BG14截止,BG\(_{15}\)仍保持导通(关于三稳态电路的工作原理,请参阅本刊1978年第8期)。于是,与BG14集电极相连的开关电路的末级BG\(_{27}\)截止,从W1上输出0~30伏的频道调谐电压,其它二个开关电路使W\(_{2}\)、W3无电压输出。这时电视机工作于1~5频道的任一预选频道上。同理,再按动发射机按钮一下,电视机又自动切换至W\(_{2}\)电位器的工作电压上,于是电视机又工作在另一个1~5频道的预选频道上。
K\(_{c}\)为直控按钮,按动Kc相当于BG\(_{7}\)集电极输出一正脉冲,根据按下的时间的长短,同样可以控制电视机的开、关及频道的切换。
超再生接收机与执行控制部分由+12伏专用电源供电,它是用3DG12作调整管的一般稳压电源,输出电流在100毫安以下即可。专用电源的初级变压器与电视机输入的交流220伏并联,并受电视机总电源开关控制,打开电视机的总电源开关,+12伏专用电源就开始工作。如果电视机内部结构允许,也可以用电池代替。
三、制作
1.元件的选择:
发射机的振荡管BG\(_{1}\)采用3DG6,β值在50~100之间,过小起振困难,过大振荡不稳;高频放大管BG2也采用3DG6,选截止频率高的为佳。
超再生振荡管BG\(_{4}\)的选择是关键,可选用锗管3AG24、3AG28、3AG1E等,或选用硅管3CG8E。β值以50~100为宜,穿透电流锗管不得超过200微安。如果发现灵敏度不高,控制距离近,热温度特性差,则需要更换管子。高放管BG3的选择与BG\(_{2}\)要求一样。
开关管BG\(_{5}\)~BG7,双稳态开关管BG\(_{1}\)0、BG11都可选用3AX21或3AK20。后者穿透电流要小于100微安。BG\(_{5}\)~BG7的β值可在30~150范围内选用。BG\(_{1}\)0、BG11要求配对,β值、穿透电流、发射结正向电压应一致,β值以40~80为宜。三稳态开关管BG\(_{14}\)~BG16选用3DG6,要求特性要一致,在V\(_{CE}\)= 1伏、IC=10毫安的条件下,β值选40~80为宜。与BG\(_{14}\)~BG16相连接的三路开关电路也要求元器件参数一致性好,中功率管3DG12可用3DK4代换,BG\(_{21}\)、BG24、BG\(_{27}\)选用3DG4D,BVCEO应大于30伏以上。对其余硅管的要求,可参照BG\(_{5}\)~BG7。
双稳态和三稳态电路中的电容、电阻等元件,要求配对或一致性好。频道指示灯ZD\(_{1}\)、ZD2、ZD\(_{3}\)应选用电压为12伏、电流为80~100毫安的。现在用市售XDX-1型交流6.3伏指示灯代用。
2.印制电路板图:
发射机部分的印制线路图如图4所示(比例为1∶1)。它装在105×45×20mm\(^{3}\)的小木盒内,携带方便。线圈L\(_{a1}\)要屏蔽,避免与La2产生寄生耦合。采用七节短波拉杆天线及自制弹簧按钮微动开关。

超再生接收与执行控制部分的印制电路板图,如图5所示(比例为1∶1)。用铝盒屏蔽并固定在电视机底座上。+12伏专用电源也安装在底座上,+70伏由电视机内+100伏分压供给。

3.线圈与变压器的数据和绕法:
L\(_{a1}\)用电视机的伴音中周改绕,采用直径为0.11毫米的漆包线,在磁心上密绕14圈;La2为脱胎式空心线圈,采用直径1毫米的漆包线,在直径为5毫米的钻头上平绕10圈,抽出钻头,拉长一些,靠两头固定;L\(_{1}\)为高频扼流圈,用直径4毫米的高频磁心作骨架,采用直径为0.08毫米的漆包线,绕90圈,两头用直径0.2毫米的铜线扭成两只脚,线头焊在脚上引出;L2用上海长征LT103S电子管收音机的短波振荡线圈改绕,采用直径0.4毫米的漆包线,在原线圈骨架槽上绕10圈或者在直径9毫米的骨架上间绕10圈;L\(_{3}\)为脱胎式空心线圈,采用直径0.7毫米的漆包线,在直径3毫米的钻头上平绕11圈,抽出钻头,拉长一些,靠两脚固定;L4、L\(_{5}\)为高频扼流圈,线径与绕法同L1,圈数均为150圈;L\(_{6}\)、L7也是高频扼流圈,用直径0.11毫米的漆包线,在1/4W或1/8W500KΩ的电阻上,绕150圈,线头焊在电阻脚上;变压器B用EI=14型超小型音频变压器铁心,采用直径0.06毫米的漆包线,初级绕1200圈,次级绕380圈;继电器J用JWX-1型继电器改绕,采用直径0.08毫米的漆包线,绕满原线圈骨架,要求直流电阻为1KΩ,调整弹簧松紧,使其在电流为7毫安时吸合。
四、调试
从图2和图3可见,根据电源不同,可分成三个独立电路进行调整。调试步骤与方法如下:
1.发射机的调整。断开电路A处,串入0~10毫安电流表,接上+3伏电源,反复调整R\(_{a3}\)和Ca3,使振荡最强,BG\(_{1}\)的集电极电流约为2毫安左右。短路电容Ca5,电路停振,电流应有变化。再将电流表接入B处,调节C\(_{a7}\),使BG2输出最大,BG\(_{2}\)的集电极电流约为3毫安。要特别注意,在BG1没有振荡输出时,BG\(_{2}\)的集电极电流应为零,处于截止状态。天线的输出信号是否最大,可以通过简易的场强计或用已调好的超再生接收机来监听,要反复调节Ca3、L\(_{a1}\)、Ca7,使天线辐射场强最强。
2.接收机及控制电路的调整。接通BG\(_{3}\)~BG13工作的+12伏专用电源。然后按照下列步骤调整。
第一,调整BG\(_{1}\)0、BG11组成的双稳态电路及BG\(_{12}\)、BG13组成的开关电路。用两只电压表分别接在BG\(_{1}\)0、BG11的集电极,此时,应该一只指示高电位(约4.5伏),一只指示低电位(约零伏),然后在C\(_{17}\)与C18之间用手握改锥感触一个干扰脉冲或直接用+6伏电源触动,此时电压表指示的高低电位应转换,每触动一次,应转换一次。若双稳不能翻转,应检查元器件是否对称,3AX21的β值或穿透电流是否有一只太大,二极管D\(_{2}\)、D3的特性是否一致。每次接通电源,应保证BG\(_{1}\)0集电极为高电位,BG11集电极为低电位,否则应检查C\(_{22}\)是否失效。双稳态电路调整好后,电压表改接在BG13集电极,当双稳轮流翻转时,BG\(_{13}\)应轮流饱和或截止,使继电器吸合或释放,注意检查继电器的触点是否接触良好。调整R27,使BG\(_{13}\)饱和时的电流约为12毫安。
第二,调整BG\(_{8}\)、BG9组成的施密特触发器。调整R\(_{14}\)应使BG8截止、BG\(_{9}\)导通,此时各点到地的电压值如图3中所示。然后用直控按钮输入一长信号,使继电器吸合或释放。
第三,检查BG\(_{5}\)~BG7组成的开关电路是否能正常工作。用电压表测量BG\(_{7}\)的集电极电压,当切断BG3与BG\(_{4}\)的电源时,变压器B无超再生噪音输出,BG7的集电极电压应为+6伏。而用导线或用镊子把BG\(_{5}\)的集电极与发射极短路时,BG7的集电极电压应降为零伏。如果BG\(_{7}\)不能完全导通或截止时,可调节R10,直至开关电路正常工作为止。
第四,调整超再生接收部分。用高阻耳机接到监听处进行监听,电压表接在BG\(_{5}\)的集电极上,用3KΩ电位器代替R1电阻,将电容C\(_{4}\)的容量和L2的磁心调在中间位置。然后加上BG\(_{3}\)、BG4的电源,调节电位器R\(_{1}\),使耳机里出现噪声并使输出最大。适当调整C4,使噪声输出较强烈且平稳,这时BG\(_{5}\)集电极的电压应接近6伏,若达不到此数值,表示噪声输出不够大。若没有噪声或发现工作不稳定或灵敏度差,应检查线路和更换晶体管。
3.调整BG\(_{14}\)~BG27控制频道转换部分。由于BG\(_{17}\)、BG22、BG\(_{25}\)为射极输出器,所以对三稳态电路影响较小,调试时不必断开。先用直控按钮触发一个短的正脉冲,这时BG14~BG\(_{16}\)应有二管导通,一管截止,检查方法参照双稳态调试方法进行。其转换逻辑规律为110→011→101→110→……其中“1”表示管子导通,“0”表示管子截止。由BG17~BG\(_{27}\)组成的三路开关电路的调整方法比较简单,以调整BG17~BG\(_{21}\)一路为例,电压表接在选频电压输出端,调节R46使ZD\(_{1}\)发亮,末级BG21应截止,调电位器W\(_{3}\)应有0~30伏输出。若最高电压比30伏偏高或偏低,应检查+70伏电源或R51。调整此路时应注意使其他两路电位器W\(_{1}\)、W2的输出电压为零,否则要暂时切断这些电路,以免影响调试。切换电压输出端可接上150Ω假负载,调整R\(_{49}\),使BG20饱和,输出11~11.5伏切换电压。这三路开关,只要接线正确,元件数值和晶体管参数差异不大,一般都能正常工作。
4.发射机与超再生接收机联合调试。调整L\(_{2}\)的磁心或电容C7,对准发射机的频率,同时配合调节R\(_{1}\)、G4,使发射机有发射信号时,变压器B的噪声输出抑制最干净,没有发射信号时噪声最大且比较稳定,此时BG\(_{5}\)集电极的电压变化幅度也最大,这样调试即告完成。
遥控装置与电视机连接使用时,要注意0~30伏调谐电压范围要满足要求,过大或过小都会影响频率的覆盖范围与频率特性。如果电视机的图象出现超再生振荡引起的雪花干扰,在调整时应采取一些措施:(1)偏调高频头输入回路中27.75MH\(_{Z}\)伴音中频吸收回路,使之为28MHZ,用来吸收超再生振荡引起的干扰;(2)适当增加超再生接收机中L\(_{3}\)的圈数,同时减少C10的电容量,以减少超再生振荡器的辐射;(3)缩短超再生接收天线的长度;(4)把BG\(_{3}\)改用输出电容较小的晶体管,以提高隔离作用;(5)屏蔽超再生接收部分。(广州市无线电中等专业学校 周永东 尹俊勋 梁寿永)