②合理选择工作电流I\(_{C}\)——第一中放如果IC过大, 会引起中频自激啸叫,同时自动增益控制也将减弱,所以I\(_{C}\)应选得小一些。此时因放大的信号幅度较小,IC小些不会引起失真,一般I\(_{C}\)选用0.3~0.5毫安。中频增益的大部分由第二中放承担,故IC应选大些,一般选0.6~1毫安。为了使增益可调,第二中放偏流电阻可装一只100千欧左右的半可调电阻,比较有效。
3.检波级:本级的作用是将经过中频放大的调幅中频信号进行整流,削去负半周,同时利用滤波电容滤去残存中频成分,用隔直流电容去掉直流成分,而将有用的音频信号输往下一级。由此可见,检波不仅没有放大作用,而且要造成很大的损耗,即我们通常所说的衰减,所以前面方框图中检波部分标明-20分贝,负值就是损耗的意思。这相当于检波后信号功率仅有原来的百分之一。
怎样才能使检波的损耗尽可能小呢?
①合理地选择检波二极管——凡是2AP型二极管原则上都可以用,而2AP9、2AP10比较适合小信号检波,可提高收音机的接收能力,同一种型号的二极管也有优劣之分,可用万用表测量正、反向电阻予以区分,一般用R×1K档测量正向电阻值应小于1千欧,越小越好,反向阻值应大于200千欧,越大越好。
②检波电路要合理——一般接成图3电路并按图中数值选用阻容元件,即可保证检波工作正常。

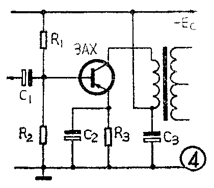
4.低频电压放大级:本级的功能是将检波后取出的音频信号进行放大,其输出用来推动功放级。为了得到30dB以上的增益,有条件可设计两级低放,但通常有一级就够了,它的典型电路如图4所示。本级的增益与哪些因素有关呢?

①晶体管的选择——这一级对晶体管的频率特性要求很低,一般低频管都可以用,高频管也完全可以使用,β值在一级低放时应选在60以上,如管子穿透电流不大,β上限可不受限制。如果设计两级低放,则β可以低一些,第一级β≥30,第二级β≥50即可。
②工作电流I\(_{C}\)的选择——IC要大小适中,太小了固然会因为管子β值下降而致使增益下降,而且在输入信号过大时会造成集电极电压正半周削峰,引起失真,如图5(a)。I\(_{C}\)过大,也会在输入强信号时使集电极电压负半周削峰,引起失真,如图5(b)。通常在电源电压为4.5~6伏时,IC选1.2~2.5毫安比较合适。如电源电压很低(3伏以下),或直流负载电阻太大,I\(_{C}\)更应选小些,具体数据可通过实践确定。

③负载的设计——如为一级低放,常常以输入变压器作为负载,变压器的圈数比直接影响负载大小,通常用3:1×2,比例大一些,负载阻抗就大一些,增益随之高一些,但对功放级提供的推动电流较小,不适于大功率输出。如设计两级低放,第一级和第二级之间大多采用阻容耦合,第一级的负载电阻要选得适中,一般选3~7千欧,大一些可提高电压增益,但会降低晶体管的动态范围。实践证明,这一级晶体管发射极至集电极的压降对于锗管应不小于0.8伏。
5.功率放大级——功率放大器的功能是输出较大的音频功率,以推动扬声器工作。虽然它也具有一定的功率增益,但设计时考虑的主要矛盾则是要求它有大的功率输出,这两者并不是一回事,选择不同的电路参数(如变压器圈数比),则可以达到不同的目的。
目前功率放大器大都设计成推挽电路,因为推挽电路具有失真小、效率高等优点。要保证这一级有良好的性能,必须在晶体管的选择和变压器的设计方面下功夫。
①晶体管的选择——一般讲,所有低频管都可作功率放大管使用,高频管因I\(_{CM}\)小,耗散功率不够,故不适用。最理想的是3AX31B、3AX22。输出功率超过300毫瓦的用3AX81。因处于末级放大,要求一定的功率输出,但激励级的推动功率有限,故β值不能过小,通常β=60~200,这样既可保证不易失真,又可获得较大增益。同时,推挽电路又要求两只晶体管性能比较一致,Iceo要相近,二管β值相差不应超过10%。

②输出变压器的设计——输出变压器的圈数比直接决定了输出功率的大小和电源效率的高低。从图6的特性曲线可以看出,要想得到较大的输出功率,其负载应小些,即圈数比要小些,但此时电压增益要降低,因而电源效率也就相应低一些。具体选择多大圈数比较合适,则要根据需要得到的输出功率大小和选用电源的类型等因素专门计算设计。
至于功放级的电流选择,仅仅选取避免引起交越失真的静态电流即可,通常选2~5毫安。(程宏基)