一般自动秤上,大多是用光电开关来作发信号用的元器件。这种开关的缺点是怕灰尘、光源灯泡使用寿命较短。我们试制了一种无触点开关(也称接近开关)来代替光电开关,它的好处是线路简单、截止区域小、灵敏度较高、不怕灰尘、使用可靠。
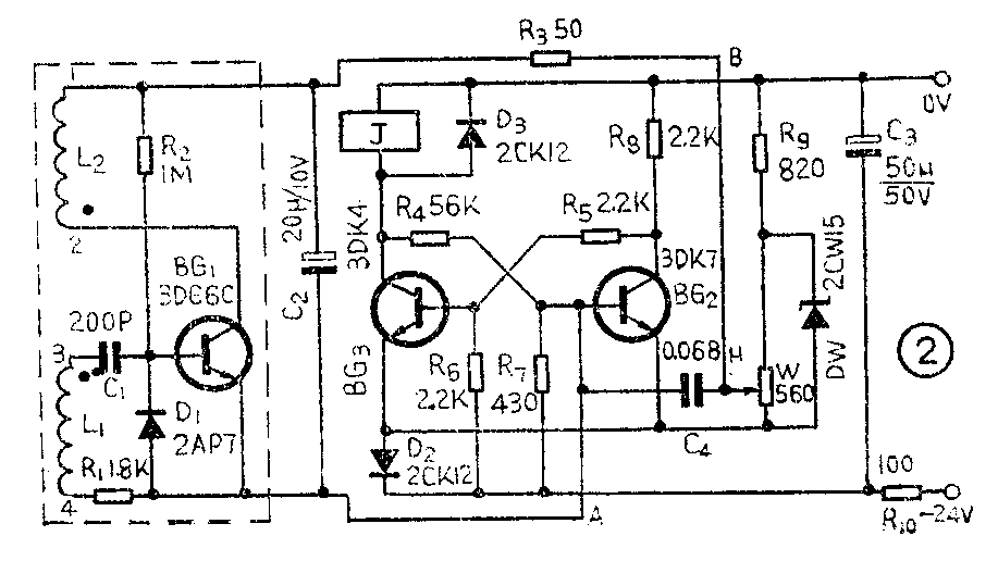
无触点开关的电路原理如图2所示,包括振荡电路和开关电路两部分。图中BG\(_{2}\)、BG3组成开关电路;虚线框内是LC振荡电路。加上-24伏直流电压时,振荡立即产生,在L\(_{1}\)、L2线圈中感应出一定大小的交流电压,经二极管D\(_{1}\)整流,加强BG1管的基极正向电压,从而促使BG\(_{2}\)导通达到饱和状态。当振荡电路工作时,BG1导通、BG\(_{2}\)导通、BG3截止。
当外力驱动金属挡片(秤杆)移动到无触点开关槽口处的一定位置时,由于在金属挡片中产生涡流损耗,使振荡回路的损耗增大,振荡停止。开关电路恢复常态, BG\(_{2}\)截止、BG3导通,继电器J动作传送出信号。
继电器J选用小型灵敏继电器,要求有两组以上的常开接点,直流电阻500~700欧,吸合电流不大于20毫安。电位器W选用小型线绕电位器WX3-11-560欧。BG\(_{1}\)选用高额小功率管3DG6A-6D,β值80~100;BG2用3DK7型,β值60~80;BG\(_{3}\)用3DK4型,β值50~80。
制作与调整:1.线圈L\(_{1}\)、L2采用φ0.1毫米高强度漆包线齐整地绕在骨架上,L\(_{1}\)为400匝,L2为160匝。连接时按图2所示,线端2、3为同名端(始端)。
2.两线圈绕制得越薄、安装的距离越近时,灵敏度越高。
3.振荡电路调好后,用有机玻璃进行封装,然后安装在自动秤架上。
4.正常情况下,开关电路部分元件焊好后基本上不用调整。把它和振荡部分连接好后,通过改变电位器W的阻值可以提高或降低整个无触点开关的灵敏度,可根据实际需要进行调整。(沈阳衡器厂 张革)

