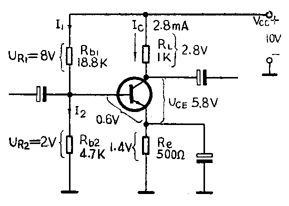
如果在一张晶体管放大器电路图上,能标出各晶体管的正常集电极电流值及各部分的电压值,这将给检修工作带来很多方便。图1所示单管放大电路上,已标出I\(_{c}\)及各电压值,这些数据是怎样求出来的呢?下面我们介绍估算方法。

晶体管放大电路中电源电压U\(_{cc}\)一般是已知的,电阻Rb1、R\(_{b2}\)、RL、R\(_{e}\)阻值也是已知的,根据这些条件就可按下列步骤来求各部分电压值。
(一)求U\(_{Re}\)
在典型的晶体管放大器电路中(如附图电路),R\(_{b1}\)和Rb2分别为上、下偏置电阻,R\(_{b1}\)上的电压为UR1,R\(_{b2}\)上的电压为UR2。由于R\(_{b1}\)与Rb2串联后接于电源两端,则
U\(_{cc}\)=UR1+U\(_{R2}\)…………(1)
如果下偏置电阻足够小,使I\(_{2}\)》Ib,则I\(_{b}\)可以忽略,流过Rb1的电流I\(_{1}\)与流过Rb2上的电流I\(_{2}\)几乎相等,因此可写出下列等式
所以U\(_{R1}\)=r·UR2……………………(2)
将(2)代人公式①得
U\(_{cc}\)=UR1+U\(_{R2}\)=r·UR2+U\(_{R2}\)=UR2(r+1)
U\(_{R2}\)=Ucc(r+1)=U\(_{cc}\);Rb1/R\(_{b2}\)+1……(3)
由图1可以看出U\(_{R2}\)就是晶体管be结和发射极电阻Re上的电压之和,即U\(_{R2}\)=URe+U\(_{be}\)。
如果使用硅三极管,U\(_{be}\)=0.6伏,故
U\(_{Re}\)=UR2-0.6=\(\frac{U}{_{cc}}\)1+Rb1/R\(_{b2}\)-0.6……(4)
如果使用锗三极管,U\(_{be}\)=0.2伏,
U\(_{Re}\)=UR2-0.2=\(\frac{U}{_{cc}}\)1+Rb1/R\(_{b2}\)-0.2……(5)
(二)求I\(_{c}\)
我们知道I\(_{e}\)=Ic+I\(_{b}\),在小功率晶体管中,由于基极电流Ib的数值在微安数量级,而I\(_{c}\)的数值是毫安数量级,因此Ib可以略去不计,所以I\(_{c}\)≈Ie,又因为
I\(_{e}\)=UReR\(_{e}\),则Ic≈U\(_{Re}\);Re
(三)求R\(_{L}\)上电压URL
U\(_{RL}\)=Ic·R\(_{L}\)
(四)求U\(_{ce}\)
U\(_{ce}\)=Ucc-U\(_{Re}\)-URL=U\(_{cc}\)-(URe+U\(_{RL}\))
(五)求U\(_{R2}\)
U\(_{R2}\)=Uccr+1
(六)求U\(_{R1}\)
U\(_{R1}\)=Ucc-U\(_{R2}\)
现把图1电路中所给元件和电源电压各数值代入上述各式,即可验证一下所标数值是否正确。图1电路中r=18.8/4.7=4
U\(_{Re}\)=Ucc/(1+r)-0.6=10/5-0.6=2-0.6=1.4(V)
I\(_{e}\)=URe/R\(_{e}\)=1.4V/0.5KΩ=2.8mA Ic≈2.8mA
U\(_{RL}\)=Ic·R\(_{L}\)=2.8 mA· 1KΩ=2.8V
U\(_{ce}\)=Ucc-(U\(_{Re}\)+URL)=10-(1.4+2.8)=10-4.2=5.8(V)
U\(_{R2}\)=Ucc/(r+1)=10/(4+1)=2(V)
U\(_{R1}\)=Ucc-U\(_{R2}\)=10-2=8(V)
由以上计算可知,图1中所标电压数值是正确的。
在检修工作中,通过测量各部分的电压,再跟计算出来的值相比较,就可以分析故障原因。
为了迅速求出各电压值,我们还可运用公式④(或⑤)绘制发射极电压速查表。如附表所示。

表中“△”表示必要时的临界设计,“×”表示不允许的设计;插在整数比值之间的其他比值均能正常工作。
使用此表时,只要知道r值和电源电压U\(_{cc}\),就可以直接读出URe值。如图1电路中的r=18.8/4.7=4,电源电压是10伏,查表得U\(_{Re}\)为1.4伏,URe数值查到后,求其他电压值就方便了。(邵善之)