为收听外语广播讲座,我们制了一个袖珍式两管机,它装在一只塑料牙签盒内,外形尺寸为70×35×15(立方毫米)。
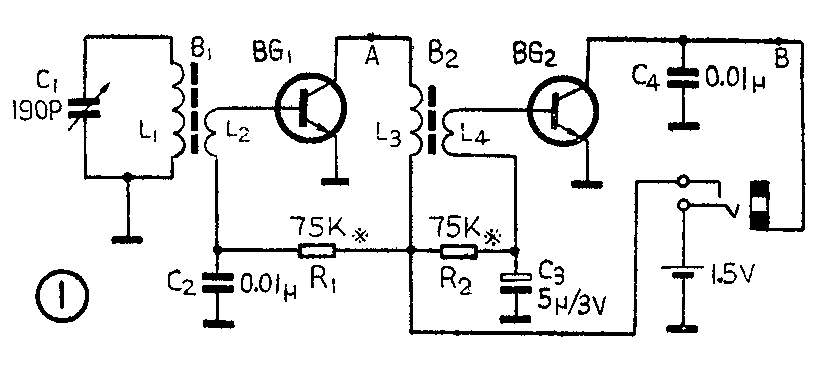
两管机的电路见图1,其中BG\(_{1}\)管作高放,BG2管作检波和低放。由于级间采用高频变压器耦合,阻抗匹配较好,而且用三极管检波,检波效率比较高,故灵敏度比较高。在上海收听,能满意地收到英语、日语广播讲座。此两管机总电流为1~1.2毫安,比较省电。

元件选择
可变电容器C\(_{1}\)采用20×20×12(立方毫米)超小型差容式密封双连,把二组并联起来,总容量为190pF。另注意把此电容顶部二个微调电容的容量调到最小(即将动片全部旋出)。
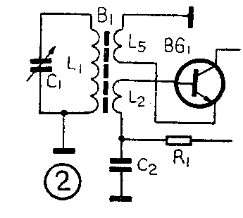
磁棒用市售55×13×5的扁磁棒,在长度上截去15毫米,留40毫米。用φ0.21漆包线初级绕90圈,次级绕9圈。也可用23厘米电视机中φ3×40毫米的行线性磁棒,用φ0.15漆包线,初级绕130圈,次级绕13圈,但灵敏度较前一种差。补救方法是在BG\(_{1}\)的发射极接上一个再生线圈L5(见图2),L\(_{5}\)圈数为2~5圈数,要注意绕向。

高频变压器B\(_{2}\)的磁心采用MX1000或MX2000的低频磁环,磁环的尺寸为φ10×6(单位为毫米)。绕制时先用黄蜡绸或其他绝缘材料在磁环上绕一圈,再用φ0.19漆包线,初级L3绕70圈,次级L\(_{4}\)绕35圈,初级电感量为3毫亨左右,如有其它尺寸小的磁环也能用,只要将圈数增加一些,但要保证初、次级圈数比为2:1。
晶体管BG\(_{1}\)、BG2可用NPN型小功率硅管,如3DG6、3DG8、3DG4、3DG11、3DK2、3DK3等,β值在40~200之间都可用。
耳机插座采用插孔为3.5毫米的那一种,要改制一下才能兼作电源开关(改制方法参见本刊79年第2期26页),安装插座时要做一个固定架,如图3所示。

电容C\(_{2}\)、C4用瓷片电容,C\(_{3}\)用耐压为3伏或6伏的电解电容器;电阻用\(\frac{1}{8}\)瓦的碳膜电阻,电池用五号电池,耳机用800欧姆高阻耳塞。
安装与调整

按图4所示制好印刷板。把五号电池直接用导线与印刷板焊牢,插上耳塞,调节R\(_{1}\)使BG1集电极电流为0.5~0.6毫安(在A点测电流),调节R\(_{2}\)使BG2集电极电流为0.3~0.6毫安(在B点测电流)。BG\(_{1}\)和BG2电流调好后在耳塞中就能听到广播声音。如果有啸叫声可将BG\(_{1}\)集电极电流调小一些,如果觉得声音不够响,可将BG1集电极电流适当调大一些。如果发现低端灵敏度差,可增加高频变压器的初级圈数。
最后说明一下,如果读者所在地区的外语讲座的电台频率在中波段高端,最好采用图5所示再生电路。(王公诚)
