光电枪是根据光电原理制作的。它分为光枪、光靶两部分。当光枪瞄准光靶时,光枪发射的光束被光靶接收,并把这个光信号变为电信号推动光靶电路工作,发出枪声响声。光电枪可用于模仿实弹射击训练及娱乐场所。
工作原理
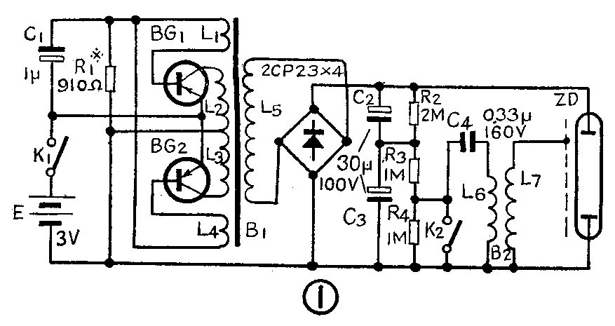
光枪电路如图1所示(参照本刊1977年第10期“自制小型万次闪光灯”一文的线路)。当扣动光电枪扳机时K\(_{2}\)接通,电容通过线圈L6放电,闪光管闪光发出光信号,这光经过遮光板的小孔后,再经过凸透镜变成平行光束照射在光靶电路的光电管D上。

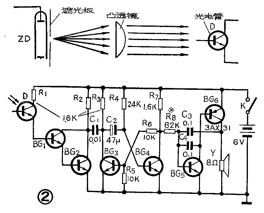
光靶电路如图2所示,当光电管D接收到光枪发出的光信号后,D由截止变为导通。这时BG\(_{1}\)、BG2的基极电路接通,它们处于导通工作状态。BG\(_{2}\)导通后,它的集电极电位降低。由于电容两端的电压不能突跳,所以BG4的基极电位也降低,于是BG\(_{3}\)、BG4组成的单稳态电路翻转,BG\(_{4}\)由原来导通状态变为截止。BG4截止时,它的集电极电位增高,BG\(_{5}\)导通,BG5的集电极接到BG\(_{6}\)的基极,BG6导通,BG\(_{6}\)的集电极输出的信号经C3正反馈到BG\(_{5}\)的基极,形成振荡,喇叭发出声响,表明射击击中。由于此时在单稳态电路中,电容C2通过BG\(_{3}\)、R4和电源放电,BG\(_{4}\)的基极电位升高,约经过一秒多钟,BG4导通,电路恢复到BG\(_{3}\)截止、BG4导通的稳定状态。调整R\(_{4}\)、C2的数值可以调节声响的时间长短。由于BG\(_{4}\)导通时,它的集电极电位降低,于是BG5截止,振荡器停止工作。光靶电路复原,等待下一次光束的到来。

元件选择与制作
图1中直流变换器的变压器B\(_{1}\)的铁心可用晶体管收音机的输入或输出变压器的铁心。线圈L2、L\(_{3}\)用线径为0.44毫米的漆包线双线并绕各为30圈。L1、L\(_{4}\)用线径为0.21毫米的漆包线也是双线并绕各为40圈。然后垫上两层电容器纸作层间绝缘再在上面用线径为0.06毫米的漆包线绕上3000圈左右为L5。大家可根据窗口自己选择线圈的线径和圈数。BG\(_{1}\)、BG2用3AX81,β值大于30即可起振。B\(_{2}\)用2.5毫亨的成品空心高频扼流圈的原绕组为L7,外面再用线径为0.44毫米的漆包线绕20圈为L\(_{6}\)。闪光灯管长约4厘米。枪体是按着军用五四式手枪外形用白铁片自制的,为了提高射击难度,枪内空余之处要增加一些配重金属物。图3给出了光枪部分的电路印刷板。这种印制板制作简单,用小刀将敷铜板分割成很多小块,图4中有网纹部分为敷铜部分。为安装简单起见,闪光管外面套上一个用马口铁皮卷成的圆筒,在圆筒的中央钻一个直径为2毫米的透光孔,使闪光管发出的光通过透光孔后近似于点光源。选用的凸透镜的直径为1.5厘米,焦距在4~8厘米范围内。透镜片立着放在一个铁皮作的圆筒里,为了不让它倒,在它的两侧又安放了两个圆筒把镜片的边卡住。移动这两个圆筒就移动了镜片在枪口的位置,使它的聚焦点正好落在透光孔上。


光靶电路的光电管选取β值约为200的3DG或3DK型硅管代用。先将管子的铁壳顶端锉去,见到管内有晶片即可作为光电管,要求光电管在有光照射时,其集电极~发射极之间阻值约为1千欧,无光照射(室内光线)时其阻值约为100千欧左右,这样光电管只对强光起作用。晶体管BG\(_{1}\)~BG5用3DG或3DK型硅管,β大于50。BG\(_{6}\)用3AX31。光靶部分的印制电路见图4,制作方法与前述同。
调试与校准
光枪部分的电路调试见本刊的有关介绍。光枪电路工作正常后固定在枪体内,将枪口正对太阳,通过圆筒慢慢移动透镜在枪筒中的位置,使光线聚焦形成的光点恰好落在闪光管的透光孔上,这样当闪光管发出的光束通过透镜后就必然成为近似于平行光的一束光。枪筒内壁最好用无光黑漆或黑纸复盖一层以防折射光的干扰。校正光枪的准星时最好在晚间进行,因为晚上能较清楚地观察光枪射出光束所形成的光点位置。校准时,先将枪体固定好,这样就可以避免因手握不稳而产生的不易校准的现象。然后使枪口距墙壁约5米,扣动扳机观察光点的位置并在墙上用笔描出光点圆圈作为标记。修正准星的大小及标尺的开口位置,使标尺、准星及光点圆圈的下沿成一直线即可。
光靶部分只要光电管D符合要求,一般都能正常工作。光靶采用半身靶面,面积10×10厘米\(^{2}\),这样在5米处瞄准也就相当于在25米处瞄准练习靶一样。靶面为黑色,中央有直径为2厘米的白色圆,中心放置光电管。
调整好以后可以进行射击练习。但光靶要放置在背光处,不要受阳光直射。(李文谦)