功率集成电路的出现,使历来为分立元件所独占的功率放大设备,实现了集成化。本文介绍国产集成功率放大器5G37(上海元件五厂生产)的主要特性及其一些典型应用线路,供读者选用时参考。
5G37集成功率放大器,是利用平面集成工艺技术,同时将电阻、晶体管(包括功率晶体管)制作在一块2×3毫米\(^{2}\)硅片上的固体组件。它用带有散热片的塑料双列直换式封装,因而具有体积小、使用方便、调试方便等特点。在18伏电源电压下,能向8欧负载提供2~3瓦不失真音频功率,它能应用于中小型电视接收机、录音机、电唱机、台式收音机以及其他设备。由于它的售价低于由分立元件组装的电路,因而颇受用户欢迎。


图1是5G37的内部电路图及引出线的序号位置;图2是封装外形及引出脚排列。从图1可以看出,这是一种具有二级放大的典型的OTL功率放大电路。如果象图1中用虚线连接的那样,配置少量的外部元件,就能十分方便地组装成一个OTL功率放大器。图中的BG\(_{1}\)、BG2是两个异极性复合管,它们等效成一个高β的PNP晶体管,作输入放大级。外部电阻R\(_{c1}\)用来确定BG2的工作电流(即I\(_{c2}\)≈2VBE/R\(_{c1}\)=1.4伏/Rc1。2V\(_{BE}\)为BG3、BG\(_{4}\)基极与发射极间的压降,每只管子为0.7伏左右,二只管子就近似1.4伏),一般Rc1取20千欧左右。BG\(_{3}\)、BG4则复合成高β的NPN晶体管,作驱动级。内部电阻R\(_{2}\)作这一级的负载,并由它确定这一级的工作电流。这是因为R2上端的电压为V\(_{cc}\),电路输出端(第⑥脚)电位为\(\frac{1}{2}\)Vod=1;2V\(_{cc}\),R2下端电位为\(\frac{1}{2}\)V\(_{cc}\)+VBE8+V\(_{BE9}\),VBE8、V\(_{BE9}\)为BG8、BG\(_{9}\)的基—射极正向电压,于是R2两端的电压为V\(_{cc}\)-(1;2Vcc+V\(_{BE8}\)+VBE9)=\(\frac{1}{2}\)V\(_{cc}\)-2VBE,则I\(_{3}\)+I4≈\(\frac{1}{2}\)V\(_{cc}\)-2VBER\(_{2}\)。BG5~BG\(_{7}\)是二极管链,用来给BG8、BG\(_{9}\)以及BG10、BG\(_{11}\)、BG12组成的准互补乙类输出级提供静态偏置电压(即用来确定末级静态偏流),并提供良好的偏置温度补偿。后一点是集成电路固有的优点,是分立元件电路无法比拟的。从图1还可以看到,BG\(_{2}\)的集电极,通过内部电阻R1(10千欧)接到输出端,构成直流全反馈。如果忽略R\(_{1}\)上的压降(VR1=I\(_{c2}\)R1),则只要使BG\(_{1}\)基极电位偏置在1;2Vcc+V\(_{BE1}\)上(VBE1≈0.6伏),就可保证电路输出端(⑥脚)电位处于12V\(_{cc}\)的最佳工作点上。
图1中,引出脚③和④之间外接一只15微微法电容,用来作相位校正,使电路在不同放大倍数下工作时,不会产生自激振荡。引出脚①外接一个R\(_{e1}\)和Cce1串联网络,作为交流反馈网络的一部分,以改善低频响应。它的作用可以这样来分析:由于5G37集成功放的开环(即不加负反馈)电压增益很大,在2000~3000倍之间,故加上负反馈后,放大器的闭环增益A\(_{vc}\)≈1/β。β为反馈系数。如果在工作频率上,Ce1的容抗远小于R\(_{e1}\),则反馈系数β≈Re1/R\(_{1}\),此时闭环电压增益Avc≈R\(_{1}\)/Re1。调节R\(_{e1}\),就能改变放大器的增益。对直流而言,Ce1相当于开路,β=1,放大倍数也为1,故能稳定工作点。还可以看出,对于反馈系数而言,C\(_{e1}\)的取值大小能影响到电路低频响应的转折频率,如果低频转折点用fPL表示,则f\(_{PL}\)=1/2πRe1·C\(_{e1}\)。例如,如果要求低频响应优于50赫,当Re1=100欧时,则C\(_{e1}\)应等于或大于1/2πfPL·R\(_{e1}\)=1/2×3.14×50×100≈30微法。一般说来,Ce1值可在50~100微法之间选取。值得注意的是,在OTL电路中,由于负载(扬声器)阻抗很低,约4~16欧,所以低频转折点往往由输出电容C\(_{L}\)来确定,例如,当RL=8欧时,在上述要求下,C\(_{L}\)值应等于或大于1/2πfOL·R\(_{L}\)=1/2×3.14×50×8≈400微法,在图1中CL选取1000微法。

采用如图1所示的外部接法,C\(_{L}\)和RL还兼作驱动级自举网络,使其在正向驱动时,保持R\(_{2}\)两端电压恒定,以增强激励效能。其道理可以用图3来解释:在无信号输出时,图中B点的电位偏置在1/2Vcc上,而A点电位为V\(_{cc}\),故电容CL上充到\(\frac{1}{2}\)V\(_{cc}\)的电压值上。由于CL容量很大,可近似认为是一只击穿电压为1;2V\(_{cc}\)的稳压管。在输出信号的正半周期,由于电容CL上的电荷来不及释放,故随着B点电位的正向上升,A点电位也上升,而A、B之间仍保持一个12V\(_{cc}\)值的电压差,这就使⑧脚的电位相应提高,甚至比⑦脚电源电压还要高,这样就保证了驱动级负载R2两端的电位在信号正半周期内不变,这也就达到了恒流驱动的目的。否则,如果将⑧脚接在V\(_{cc}\)上,则当B点电位升高时,R2两端压降降低,驱动能力随之下降,就会导致输出正向幅度达不到最大,这就是通常OTL电路要加自举网络的出发点。若R\(_{L}\)对地接,则必须另外加置一个RC自举网络,这就要多用二只元件。
5G37电路能在6~20伏电源电压范围内正常工作。由于电路内部采用直流耦合,因而低频响应取决于外电路的配置,低频段在-3分贝时的频率为f\(_{OL}\)=1/2πRLC\(_{L}\)。频率高端由补偿电容Cp决定,一般能延伸到100千赫,因而频响较好,能满足各种放音设备的要求。由于电路引出脚设计得较为周密,电路适应能力较强,功能较多,所以下面我们举几个例子加以介绍。

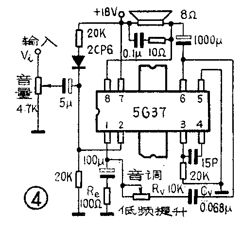
1.具有低频提升音调网络的OTL功率放大器 如图4(并参考图1)所示,这种电路的实质,是在5G37电路的引出脚①和⑥之间外接一个R\(_{v}\)-Cv网络,此网络和内部电阻R\(_{1}\)(10千欧)并联来衰减高音,而在效果上起到提升低音的作用。改变Cv值就可改变高频转折频率,而调节R\(_{v}\)值就可改变低频提升量。一般说来,如果按图4中的数值装配,可获得3~10分贝的低频提升量。
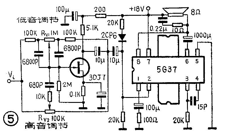
2.与结型场效应器件结合的音调控制放大器 如果对音质要求更高,可用一只场效应晶体管(比如3DJ6)与5G37配合运用,构成一个具有高低音提升作用的音调控制电路。只要场效应器件跨导足够高(1000μ Ω以上),就可以达到±10分贝以上的高、低音提升(或衰减)效果,构成一个音质较好的音频放大电路(见图5)。利用场效应管作音调控制放大器,可以兼有高输入阻抗的特性。按图5所示的阻值配置方法,输入阻抗约为100千欧,可直接用于电唱机(晶体唱头)的放音电路,而省去阻抗缓冲级。

3.低压BTL电路 由于集成技术在制造工艺上的局限性,为了保证电路有足够的电流驱动能力,5G37输出级采用了复合管结构,这样做的一个缺点是导致电源电压利用率降低。一般情况下,当工作电压低于9伏时,输出功率急剧下降,于是限制了5G37在诸如6伏电源的录音机上的运用。补救的措施是利用二块5G37电路组成所谓BTL电路,使其在相同的电源电压下较之单块OTL电路的输出功率提高4倍。

从图6可以看到,第二块5G37是经电位器R\(_{V1}\)从①脚输入的,因此是一个倒相放大部,调节RV1可使放大倍数为1,从而减小了V\(_{0}\)1和V02的不对称性。电位器R\(_{V2}\)用来调节第二块5G37的输出直流电位,从而保证负载二端的直流电位严格相等,使流过RL的直流电流为零。当V\(_{cc}\)=6伏,RL=4欧时,可输出近2瓦的功率,能满足一般盒式录音机的需要。
由于末级电流极限输出小于1.5A\(_{p-p}\),所以本文介绍的5G37构成的BTL电路不适宜在高于12伏电压下工作。
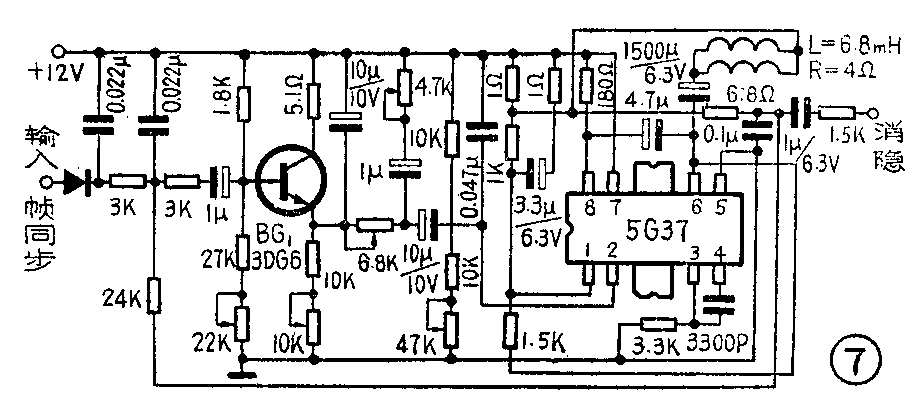
4.帧输出功率放大器 与普通由分立元件组成的OTL电路一样,集成功率放大器5G37除用作放大音频信号推动扬声器外,也可以用来驱动低阻抗电感负载,作帧偏转线圈驱动电路就是一个典型的例子。具体电路和连接图见图7。图中BG\(_{1}\)兼用作换向开关,用来控制扫描正程和逆程的转换。这是一种典型的多谐振荡器式的帧扫描电路,5G37用作振荡和输出,能用于23厘米和31厘米的黑白电视机帧输出电路,偏转线圈直流电阻约4欧。

以上是集成功放5G37的几个应用例子,作为一个通用放大电路,只要熟悉集成块的工作原理及电路内含特点,就可以组成具有各种特色的功率放大器。
由于集成工艺不适宜制作小阻值电阻,因而输出级没有串接通常的保护电阻,所以使用时切忌输出短路。一旦输出端短路,电路极易失效。(王国定)