本刊1974年第9、10两期发表“混合式九英寸电视机的制作和调整”之后,许多业余爱好者仿制。实践表明,这种电视机容易制作和调整,而且性能较稳定。但是,普遍反映八频道灵敏度较低,图象对比度不够。现介绍一种改进措施,供参考。
大家知道,八频道灵敏度低的主要原因是在高频道时,高放增益下降造成的。本电视机高放级采用共发射极电路,此电路的优点是增益和输入阻抗都较高,便于和输入回路匹配。缺点是当工作频率升高时,晶体管本身的输入、输出阻抗要发生变化,从而造成高频道增益比低频道的低。而决定高频头灵敏度的关键是高放增益。

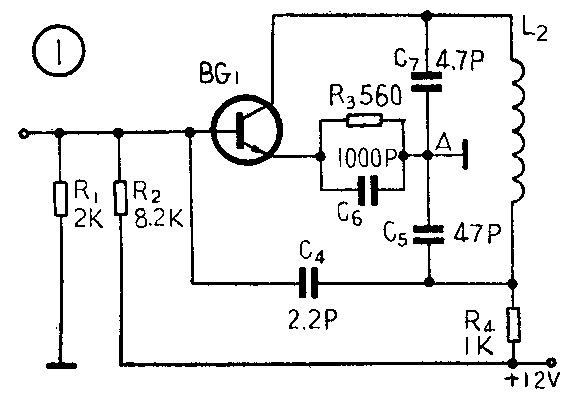
要提高高频道的灵敏度,最好是从提高高放级的增益着手。高放级的简化电路图,如图1所示。虽然C\(_{6}\)的容量较小,但对电视载频来讲,高放管的发射极可看成是接地的。由图可知C5和C\(_{7}\)串联后与L2构成并联谐振回路,同时,C\(_{5}\)、C7又是中和电路电桥的两臂。若考虑线圈L\(_{2}\)的直流电阻R,则L2与电容C=C\(_{5}\)·C7/C\(_{5}\)+C7相并联的谐振阻抗Z=L\(_{2}\)/RC,由于R很小,所以谐振阻抗很高。因为高放级发射极对电视载频来说是接地的,所以,相当于把高放管的输出阻抗并接在C7两端。结果使高放级输出回路的交流负载阻抗小于谐振阻抗,频率越高,交流负载阻抗比谐振阻抗小得越多。这就使高放级的交流负载线发生了变化,从而减小了高频道的增益。因此,在不影响谐振回路和中和回路参数的基础上,设法提高输出回路的交流负载阻抗,是提高高放级增益的方法之一。经过试验,将C\(_{5}\)和C7原来的接地端A点,不直接接地,通过一个电容C\(_{D}\)=10P再接地,这样可以显著提高高频道的灵敏度。如果因接入电容CD而使电路参数发生一些变化,可适当拉伸或压缩L\(_{2}\)。电容CD接入后,对二频道没有什么影响。
实践证明,经过这样改进后,即使在离电视台较远的地方收看节目,八频道也可达到较好的效果。(施克孝)