我们在放唱片或收听音乐节目时,都有这样的感觉:在音量开得较轻的时候,低音与中音、高音相比较,显得非常弱,甚至几乎听不出低音。高音乐器的音色也不清脆,变得很沉闷。只有在音量开得较大时,扬声器才能发出厚实丰富的低音及清脆明亮的高音。这是什么原因呢?
人耳所能听到的声音的频率范围大致在20~20000赫之间,但人耳对于不同频率的声音的灵敏度是不同的。在声强较低的情况下,人耳对于很高的频率和较低的频率,其灵敏度都非常差。只有在声强较大的时候(80分贝以上),人耳对于不同频率的声音所感觉到的响度才大致相等。人耳的这种特点可以用图1所示的等响度曲线来描述。图中每一条曲线代表一定的响度(人耳主观感受到的强度)时,频率不同的各种声音的实际声强变化情况。从图中可以看出:频率为30赫、声强为80分贝时的响度,和频率为1000赫、声强为50分贝时的响度是一样的(同为50那条曲线)。而其实际声强,两者之间要相差约1000倍(30dB)。只有在中间的频率范围内(800赫~5000赫),响度曲线才较为平坦。乐队的高音乐器(如短笛、小提琴等)的最高音的基音一般不超过3000赫,但这些乐器的高次泛音是很丰富的,有些泛音一直可伸展到超音频范围内。正是这些泛音的总和决定了乐器的明亮清脆的音质。当这些泛音在重放音时如果声强太弱或被削减,就会造成这些乐器发音沉闷。

普通音频放大器的音量控制电位器,实际上是一个可变的电阻分压衰减器,它对任何频率信号的衰减量都是一样的。当我们把音量开得较小时,各种频率的信号都受到较大的衰减。此时即使输送到扬声器的中频、高频和低频的电功率还是保持原来的比例,即放音系统在整个可听频率范围内的放音特性曲线保持平坦,但由于人耳的上述特点,在听起来的时候,却会觉得低音比中音轻得多,高音也感到不够明亮。再加上扬声器在低频段和高频段的电声转换效率要比中频段低许多,所以这种现象更为显著。
看来要想获得丰富的低音,只有把音量开大。有些人片面地追求所谓低音“倍司”,把扩大机开得震耳欲聋。这样一来,常常会使扩音机的输出功率超过额定功率,失真度急剧上升,结果不但无法欣赏音乐,还严重妨碍了其他人的学习和休息,增加了环境噪音。为了解决这一矛盾,出现了一种“等响度音量控制电路”。高级收音机、高保真度扩音机常采用这种电路。
等响度音量控制的意思是:不论音量开大或开小,低音、中音和高音听起来具有相等的响度。这样,在音量较轻的情况下,也能聆听到音乐的整个频带。这种电路的原理是:在音量控制器中插入几个与频率有关的RC网络,当音量调节到较小时使低频信号及高频信号的衰减量比中频段的衰减量小。这样,低音和高音就会相应地提升。但在音量调节到最大时,所有频率的信号都不衰减。也可以这样来叙述:当音量由大逐渐减弱时,中音频信号电平按指数规律较快的衰减,而低音和高音频信号衰减速率较慢。音量越小,这两者衰减量的差距越大,此时低音和高音仍能维持一定的输出功率。显而易见,这种电路的输出特性曲线应该和图1的等响度曲线相似,才能满足等响度的要求。但是,要使这种电路的输出特性曲线与图1的曲线完全一致是相当困难的,也是不必要的。实践证明,最易影响响度不均匀的是低音。因此,实际的等响度音量控制电路,只要具有图2所示的特性曲线形状就能满足要求。当然,如果再加上高音响度补偿效果会更好。


图3是一种较好的等响度音量控制电路。它只使用了一个普通的电位器,所用元件很少,但效果却相当显著。这个电路的原理是:当信号源的内阻抗远远小于R\(_{1}\),负载阻抗大于RW,并且R\(_{W}\)远远大于R1和R\(_{2}\)时,电容C所取的数值仅对高、中音频起作用,对低音频信号可视为开路,于是低音频信号的输出电平为:
V\(_{L}\)=r2R\(_{1}\)+r2V\(_{i}\)
式中V\(_{i}\)为输入信号电平。而高、中音频信号的输出电平为:
V\(_{H}\)=r2·R\(_{2}\)·ViR\(_{1}\)(RW+R\(_{2}\))+r2(r\(_{1}\)+R2)
式中R\(_{w}\)=r1+r\(_{2}\)。当音量开得较大时,也就是电位器滑臂在较高的位置时,r1接近于零,r\(_{2}\)近似于Rw,又因R\(_{1}\)<<Rw,R\(_{2}\)<<Rw,R\(_{1}\)+r2≈r\(_{2}\),R2+R\(_{w}\)≈Rw,则上二式可简化为:V\(_{L}\)≈Vi,V\(_{H}\)≈R2R\(_{1}\)+R2·V\(_{i}\)。当取R2=10R\(_{1}\)时,VH≈0.9V\(_{i}\),这时低音频与中、高音频输出电平十分接近。
当音量调节到很小时,也就是电位器的滑臂在较低的位置时,r\(_{1}\)很大,r2很小。这时,高、中音频的输出电平可简化为:
V\(_{H}\)=r2·R\(_{2}\)(R1+r\(_{2}\))(R2+r\(_{1}\))·Vi
两者输出电平的比值为
K=\(\frac{V}{_{L}}\)VH=r\(_{2}\)/(R1+r\(_{2}\));r2·R\(_{2}\)/(R1+r\(_{2}\))(R2+r\(_{1}\))=1+r1R\(_{2}\)。
从以上公式可以看到:比值K随r\(_{1}\)的增大而增大,当r2接近于零时,r\(_{1}\)就接近于Rw,于是
K=1+\(\frac{R}{_{w}}\)R2≈R\(_{w}\);R2。
这时,低音频信号输出电平要比中、高音频信号高出20分贝以上。其频率转折点为
f=\(\frac{1}{2πfC·(R}\)\(_{2}\)‖ Rw),
R\(_{2}\)‖Rw表示两电阻并联。
图4是加了等响度音量控制电路的实用电路。它插在前置放大与音调控制电路之间。后面所接的主放大器采用OTL或OCL电路。实际使用结果证明效果良好。在音量开得很小的时候,也能获得清晰、柔和的低音。前置放大的输出级采用了恒流源的射极跟随器,从而保证了很低的输出阻抗及良好的跟随特性。其工作电流调整在4~6毫安之间,在负载较小的情况下,也能有足够的信号电平输出,并能保持极小的失真度(在音量为零时,前置放大器的负载就是阻值较小的R\(_{1}\))。等响度音量控制器之后用了场效应晶体管,有很高的输入阻抗及很低的噪声系数。如果没有场效应晶体管也可以用一般的晶体管,只是输入阻抗不能小于300千欧。如果输入阻抗太小,则效果不会显著。由一只晶体管构成的单级射极跟随器往往无法满足要求,可采用两级(如图5)。图5电路在低频段的增益比较高,容易引起低频自激,所以应该采用稳压电源供电,以消除这种毛病。这个电路没有加高频补偿,如果使用时高音不足,可按图4上虚线所示加上一个高音补偿电路。调节所串联的电阻的大小可改变高音补偿的程度。


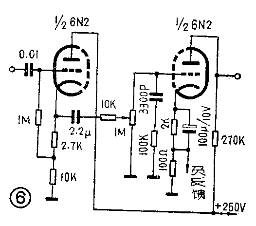
电子管高保真扩音机的音量控制部分也可以仿照这种电路形式。但是电子管音频放大器的音量控制一般放在检波器或拾音器之后,因前级的输出阻抗较高,因此必须在检波器或拾音器后面加一级射极输出器(见图6),以降低输出阻抗。 (曹松青)
