自动增益控制电路(简称AGC电路),在电视机中,它能使图象通道的增益随着外来信号的强弱和快速变化而自动进行调整,以保证输出的视频信号的波形和幅度基本不变。
一、对AGC电路的基本要求
为了使电视机在输入各种不同场强的全电视信号时,都能得到稳定的图象质量,对AGC电路提出的要求主要有以下几点:
1. 控制范围要宽。AGC电路控制范围的定义是:当加到显象管调制电极上的视频输出电压,与标称调制电压(例如31厘米显象管的标称调制电压为20Vpp)比较,变化±1.5dB时,相应的天线输入端信号变化范围的分贝数,即为AGC控制范围,可写为201g\(\frac{U}{_{+}}\)1.5dU-1.5dB,式中U\(_{+}\)1.5dB为相应于视频输出电压比其标称电压高1.5dB时的天线输入信号电压;U-1.5dB为相应于视频输出电压比其标称电压低1.5dB时的天线输入信号电压。 AGC控制范围说明电视机AGC系统所能适应输入信号场强的变化范围,这叫静态AGC特性。大家知道,一般电视机输入信号场强的变化范围为30μV/米~100mV/米,假定图象中放的AGC在天线输入信号场强为50μV/米时开始起控,对于50μV/米~100mV/米之间变化的电视信号来说,AGC系统总的控制范围应大于66dB。如果整机的AGC控制范围达不到66dB,可以在天线输入端加一个10:1的衰减器,以使在强信号情况下接收时,可把输入信号先衰减20dB,这样,AGC的总控制范围只要大于46dB就可以了。
扩大AGC控制范围的主要措施是:设法提高AGC电路的控制环路增益,控制环路增益越大,天线输入端信号的微小变化,就能引起AGC电路输出电压的较大变化,从而使通道增益也有较大变化。另外,要求被控中放晶体管的增益控制特性要好,即AGC电压的微小增加,就能引起中放增益较大的衰减。如果AGC电路控制两级中放管,则要求这两级中放晶体管的控制电流一致性要好,这样才能使总的增益衰减特性较好。图1示出了两种不同晶体管的增益控制特性曲线,当两个晶体管集电极电流变化量I\(_{C}\)相同时,曲线1比曲线2的增益衰减量要大,即KP1>K\(_{P2}\),这说明曲线1比曲线2的增益控制特性要好。

2.动态AGC特性要好。动态AGC特性是表征AGC系统抑制输入信号快速变化能力的。大家知道,电视机中经常遇到两种干扰,一种是脉冲干扰,这种干扰由电视机中的抗干扰电路进行抑制;另一种是低频干扰,如日光灯干扰,电源频率与晶振场同步脉冲频率之间的差异所造成的黑滚道干扰以及吊扇或飞机机翼对电磁场的扰动引起输入信号电平起伏所造成的图象扭曲、晃动等,都属于低频干扰。对于这种干扰,只要适当选择AGC电路的时间常数,使AGC系统的反应速度与干扰低频相适应,就能进行有效的抑制。因此,动态AGC特性的好坏,反映了AGC系统对低频干扰的抑制能力。
3.要求AGC系统对同步电路的影响要小。如果AGC电路设计不合理,将会影响行、场同步电路的正常工作。
4.在自动增益的控制过程中,对图象通道的幅频特性和相频特性影响要小,以保证图象信号波形失真小。
二、AGC电路形式的选择
电视机的自动增益控制系统,通常是从视预放级取得一个正比于视频信号电平的直流电压,然后再通过AGC电路去控制图象中放和高频放大器的增益。目前采用较多的是正向AGC电路,即增益Kp随着AGC电压的增加而下降。取得AGC电压的电路形式有三种,即平均值式AGC电路;键控式AGC电路和峰值AGC电路。

平均值式AGC电路,如图2所示。它是利用检波负载上的脉动直流电压,经视预放倒相并由Rp、Cp滤波后,去控制放大器的增益。这种电路的优点是比较简单,缺点是AGC电压随图象内容的变化而变动。当图象为暗场时,AGC电压增大,图象通道增益下降;亮场时,AGC电压减小,图象通道增益增次。即使在同一接收场强时,由于图象内容不同,也会引起增益变化,结果造成一种反调制,压缩了图象信号的动态范围。另外,为了保证AGC电压不随50Hz场频的变化而引起纹波干扰,时间常数(Rp·Cp)应取得较大,一般为0.2秒。但是,这将使AGC电路的动作迟钝,不能随接收场强的快速变化而作出相应的反映。因此,这种电路目前已很少采用。
键控式AGC电路,是利用全电视信号中行同步脉冲幅度固定不变并与图象内容无关的特点,通过一个闸门控制开关信号,使AGC电压只有在行同步脉冲到来时,AGC系统才工作。一般闸门控制开关信号采用行输出变压器的逆程电压。这种电路的优点是:(1)AGC电压与图象内容无关,只与行同步脉冲电平有关。大家知道,行同步脉冲永远是调制功率的最大点,当场强一定时,不管图象内容如何,行同步脉冲的电平是不变的。这样就克服了在平均值式AGC电路中,AGC电压随图象内容而变化的缺点。(2)抗脉冲干扰的能力较强。从键控AGC电路的工作原理可知,当行同步脉冲与闸门控制脉冲在时间上相同时(即同频、同相),如图3所示,这时才能产生AGC电压。所以,在行同步脉冲以外的脉冲干扰都不会对AGC电路产生影响。我们知道,行周期为64μs。,行同步脉冲宽度只有4.7μs,这样受干扰的可能性就大大减小。(3)AGC环路的增益较高,控制深度可以作得较好,一般可以达到60dB以上。键控AGC电路的缺点是:开机或转换频道时,图象的同步不能立即正常工作,往往要有一个很短的捕捉过程。这是由于键控AGC电路和行的AFC电路之间有牵引造成的。在开机和转换频道时,从没有输入信号状态很快变成输入信号很大的状态。由于AGC电路的时间常数较大,要产生与之相对应的AGC电压,需要一定的时间,在这一段时间内,放大器进入了饱和状态,同步信号受到破坏。一旦同步被破坏,键控AGC电路就失去作用,因此,放大器就一直处于饱和状态,行同步也就无法正常工作。这种现象称为锁定现象。如果行振荡频率偏离行同步脉冲频率不多时,仍有可能恢复正常同步,但需要一个捕捉过程。适当减小键控AGC电路的时间常数,可以缩短捕捉过程。但又会引起行引入范围的缩小,因为时间常数取得较小时,会产生一种差频干扰,由于行同步未引入时,行同步脉冲与键控脉冲的频率不相同,结果使AGC输出电压中出现一些干扰脉冲,其频率等于行同步脉冲和键控脉冲频率之差,如图4所示。这种干扰脉冲会破坏正常的同步信号,使行引入范围大大减小。相反,当电路的时间常数取得较大时,会使AGC电路的动作速度迟缓。由于时间常数大,动态AGC特性差,抑制场强快速变化引起的图象闪烁、滚动、扭曲的能力也就较差。


峰值AGC电路,是利用峰值检波器,取出全电视信号中的同步脉冲电压,作为AGC电压。因此,它也具有和键控AGC电路一样的特点,即AGC电压与图象内容无关。另外,这种电路最大的优点是动态AGC性能好,AGC电路的时间常数可以选得较小,所以,抑制低频干扰的能力较强。但是,这种电路抗脉冲干扰的能力较差。因此,必须配合抗干扰电路,才能充分发挥其优点,消除由于脉冲干扰造成的AGC电路的错误动作。由于峰值AGC电路抑制低频干扰的能力较强,同时,又因普遍采用抗脉冲干扰电路,所以。近年来这种电路被广泛采用。因此,联合设计31厘米电视机也选用了此种电路。
三、峰值AGC电路的分析
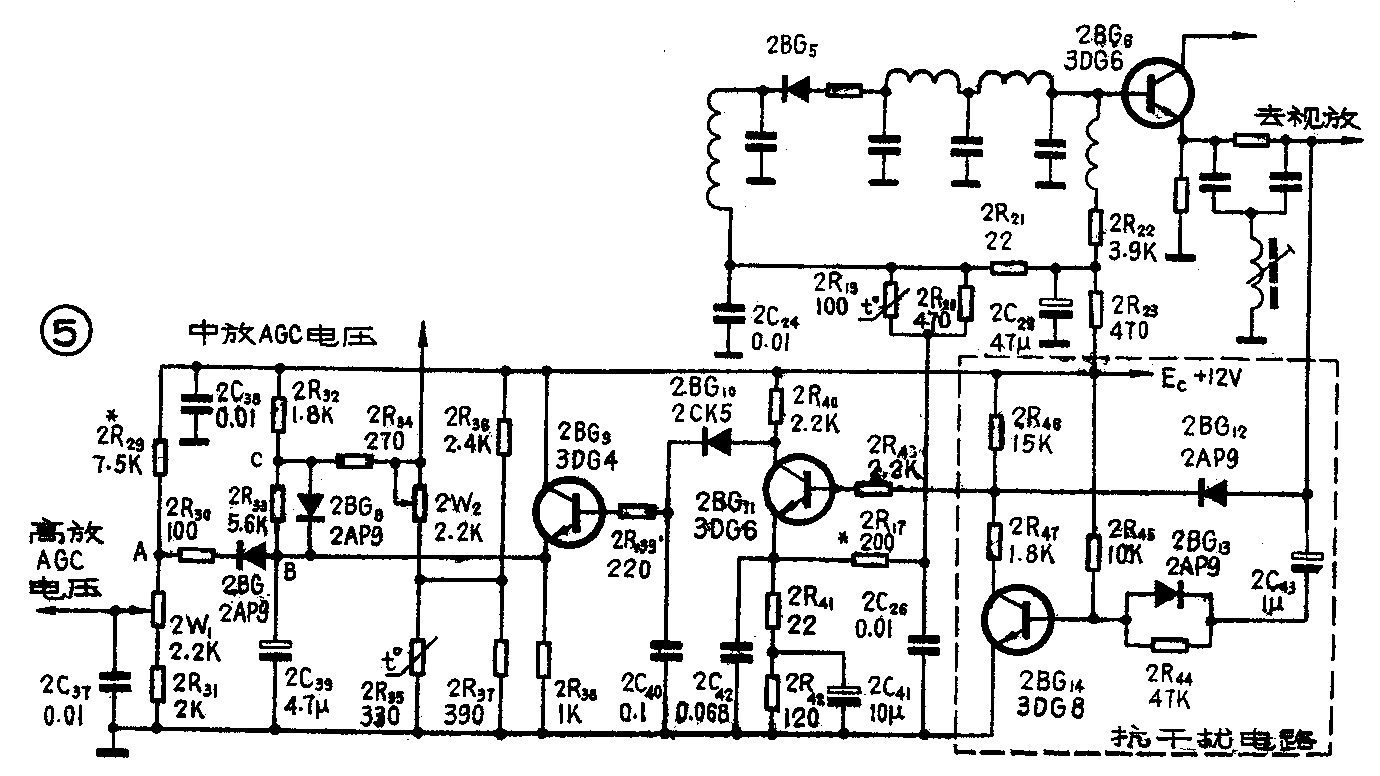
联合设计31厘米电视机的峰值AGC电路,如图5所示。下面分别介绍各部分电路的工作原理、元器件的作用及设计时应注意的问题。

1.ACC电压的检出电路
来自视预放发射极的视频信号,经抗干扰电路(图中虚线框内电路,以后再介绍)抑制脉冲干扰后,再经隔离电阻2R\(_{43}\)加到AGC检出管2BG11的基极。2BG\(_{11}\)发射极电压是由2R21、2R\(_{19}\)∥2R20、 2R\(_{17}\)、2R41、2R\(_{42}\)组成的分压电路来决定的。图6示出了AGC检出电路的工作原理。当输入信号较小时,由于2BG11发射极上分得的直流电压(2V左右)小于2BG\(_{6}\)发射极加到它基极上的电压(4.5V左右),所以,2BG11处于深饱和状态,此时,没有同步脉冲输出,也就没有AGC电压输出,起到了中放AGC延迟的作用。当视频信号幅度足够大时,加到2BG\(_{11}\)基极上的正极性(同步头向下)视频信号中的同步脉冲。才能使2BG11由饱和区退回放大区,这时,2BG\(_{11}\)集电极上才有放大的同步脉冲输出。因为图象信号仍处于饱和区,所以没有图象信号输出。2BG11集电极上输出的同步脉冲的大小正比于输入信号的强度。由于U\(_{c}\)=Ec-I\(_{c}\)R(R即为2R40),所以,当2BG\(_{11}\)由饱和区退回放大区时,Ic反而减小,从而使U\(_{c}\)增大。此时,峰值检波二极管2BG10导通,并给电容2C\(_{4}\)0充电。同步脉冲过后,2BG11的集电极电位迅速下降,使二极管2BG\(_{1}\)0截止,这时电容2C40又通过2BG\(_{9}\)的输入阻抗放电。电容2C40上的电压,即为AGC检出电压,如图6(d)所示。

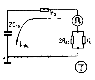
实现峰值检波的条件是:充电时间常数应远小于行同步脉冲宽度,即τ充<<4.7μs;放电时间常数应远大于行同步脉冲的周期,即τ放>>64μs。这样才能使检波输出的电压的大小正比于同步脉冲的大小。

实际上,对2C\(_{4}\)0充电的等效电路如图7所示。图中rC为2BG\(_{11}\)的输出阻抗(一般为几千欧),rD为二极管2BG\(_{1}\)0的正向内阻(一般为几十欧),充电电路中的电阻为2R40(2.2K)与r\(_{C}\)并联后,再与rD串联,其阻值约为几百欧;充电电容2C\(_{4}\)0为0.1μ,因此,可算得充电电路的时间常数τ充为几十微秒。可见,不满足τ充<<4.7μs的条件。对于放电时间常数来说,由于2BG9为射极跟随器,所以,其输入阻抗R\(_{i}\)≈βRe。已知R\(_{e}\)为2R38=1K,如果2BG\(_{9}\)的电流放大系数β=100,则Ri=100KΩ,可算得放电时间常数τ放=R\(_{i}\)C=0.01秒。因此,是满足τ放>>4μs的条件的。
从以上分析可知,此电路充电时间常数不满足峰值检波的条件,放电时间常数满足峰值检波的条件,所以,它是一种不完全的峰值检波电路。
由于AGC检出电路是一种不完全的峰值检波电路,所以,对于脉冲宽度为192μs的场同步信号和对于脉冲宽度为4.7μs的行同步信号,有着不同的输出。大家知道,对于充放电时间常数一定的RC积分电路来说,尽管输入的脉冲信号的幅度是相等的,但由于脉冲宽度不等,输出的电压也不相等。由于场同步脉冲较宽,所以,在场同步脉冲期间,AGC电路输出电压较高,结果使通道增益下降,压缩了场同步脉冲,造成场同步范围缩小,引起场同步不稳定。
为了克服这个缺点,在2BG\(_{11}\)的发射极电路中接入了2R41和2C\(_{42}\)。由于2C42的容量较小,为0.068μ,所以,它对行、场同步脉冲呈现不同的负反馈。行同步脉冲宽度较小,在2C\(_{42}\)上建立的电压也较小,因此对行同步脉冲的负反馈量也小,也就是说2BG11对行同步脉冲的放大量较大;而场同步脉冲的宽度较大,在2C\(_{42}\)上建立的电压也较大,因此对场同步脉冲的负反馈也大,放大倍数就小。所以,经2BG11输出的行同步脉冲幅度大,AGC电压就大,输出的场同步脉冲幅度小, AGC电压也就小。控制通道增益的结果,相对地提高了场同步脉冲的幅度,克服了场同步脉冲被压缩造成场同步不稳的现象。解决场同步脉冲压缩的问题,也可以用加大2C\(_{4}\)0,使2BG10成为平均值式检波器的办法来实现。但是加大2C\(_{4}\)0后,AGC电路的时间常数变大,使动态AGC特性变坏,AGC电路的输出电压跟不上输入信号变化的速度。
在2BG\(_{11}\)的发射极还有电阻2R42和电容2C\(_{41}\),由于2C41的容量较大,为10μ, 所以它对行、场同步脉冲呈现的阻抗相差不大,负反馈量也基本相同。因此,2R\(_{42}\)、2C41的作用是给2BG\(_{11}\)的发射极提供直流电位,来控制2BG11由饱和状态进入放大状态。
电阻2R\(_{17}\)用来调整发射极电路的分压比,以改变2BG11的工作状态。利用这一点,也可改变AGC电路的起控点。当2R\(_{17}\)的阻值增大时,相应地减小了2BG11发射极的电压,此时,视频输出必须增大,才能使AGC电路有输出,所以,也就延迟了中放AGC的起控点,缩小了AGC的控制范围。相反,当2R\(_{17}\)的阻值减小时,就会使中放AGC的起控点提前。通常2R17选200Ω左右,这时,视频检的输出电压约为11.2Vpp。
下面我们再来分析一下2BG\(_{11}\)发射极的分压电路,为什么要通过视频检波电路的问题。从视频检波电路的分析中已经知道,为了减小二极管检波在小信号时的非线性失真,提高检波效率,接入了2R21,以便为检波二极管2BG\(_{5}\)提供一个正偏置。另外,检波电流在2R21上也要产生一个电压降。这个电压正比于视频信号的平均电压,当这个电压加到2BG\(_{11}\)的发射极时,随着输入信号增大,2R21上的压降也增大,结果使2BG\(_{11}\)的发射极电位上升,使2BG11很快由饱和状态退出,进入放大状态。这就提高了AGC的检出效率。因此, 2BG\(_{11}\)的发射极分压电路具有微弱的平均值式AGC作用。
此外,检波电路中的2C\(_{24}\)和2C26与2C\(_{42}\)的作用一样,也具有相对提高场同步脉冲的作用。

下面我们讨论一下峰值AGC电路抑制低频干扰的问题。假如受低频调制的全电视信号如图8(a)所示,则经过检波器解调以后的视频信号如图8(b)所示。由于视频信号受到低频调制,所以,在显象管显示出的图象就会产生扭曲和滚动。采用峰值AGC电路以后,由于其动作速度较快, AGC电压如图8(c)所示,利用反向调制的AGC电压,去控制图象通道的增益,这样就可以抑制低频调制,使输出的视频信号如图8(d)所示,从而克服了图象的扭曲和滚动。(安永成 朱德辉) (待续)