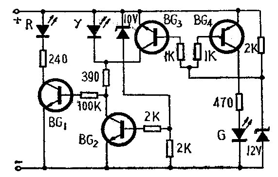
这是一种以电子线路取代动圈式电表的简易自动电压指示器,适用于安装在汽车上随时监测蓄电池的电压。电路的简单工作过程是:当输入电压在10V以下时,BG\(_{2}\)、BG3和BG\(_{4}\)都截止,BG1导通,发光二极管R(红色)亮;输入电压上升到11V左右时,BG\(_{1}\)和BG2都导通,发光二极管R和Y(黄色)都亮;输入电压上升到12V时, BG\(_{2}\)处于深饱和使BG1截止,仅发光二极管Y亮;在输入电压上升到13V时,BG\(_{4}\)导通,使发光二极管G(绿色)也亮;输入电压继续上升到14V以上时,BG3进入深饱和,使原来通过发光二极管Y的电流改经BG\(_{3}\)流通,发光二极管Y熄灭,但BG2仍继续保持导通,故BG\(_{1}\)仍截止,这时仅发光二极管G亮。附表列出了输入电压从10V到14V变化时三个发光二极管的亮灭指示,表中“1”表示亮,“0”表示灭。
电压 R(红) Y(黄) G(绿)
≤10V 1 0 0
11V 1 1 0
12V 0 1 0
13V 0 1 1
≥14V 0 0 1

电路中BG\(_{1}\)~BG3选用3DK系列、β>20、P\(_{CM}\)>200mW的开关管,BG4用3CK系列同样参数要求的开关管。发光二极管可选用北京崇文光电器件厂或苏州半导体器件一厂的产品。
换用不同稳定电压值的稳压管,就可以指示不同电压范围,所以这个指示器也可以应用于其它方面。(董乃斌编译)