5G28是利用结型场效应管与双极型晶体管相容的集成工艺制作的单片运算放大器,它的特点是具有较高的输入阻抗和较快的转换速率。图1示出5G28集成运放的内部电原理图。由图知,集成运放的输入级由一对P沟结型场效应管构成,第二级则是复合晶体管组成的放大级,输出级由一对互补射极跟随器组成,电路直流偏置由两个P沟结型场效应管电流源提供。电路结构简单,是一种典型的集成运算放大器。电路典型开环电压增益86dB,输入电阻10\(^{9}\)Ω,大信号带宽在增益为20dB时达100KHz,最大输出幅度20V\(_{P-P}\)(电源电压±15V时)。这些指标足可满足在音频范围内的应用。

本文以5G28集成运放为例,介绍运算放大器在音频领域中的一些简单应用。这些应用例子,原则上可以适用于其他型号的运算放大器,只要这些产品有足够宽的频带即可。
放音设备中的频率均衡电路
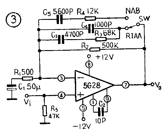
唱片还音电路中的频率均衡电路是为了补偿录音机在不同频率下增益不同而设计的。标准的频率均衡电路常常需要具有所谓RIAA\(^{*}\)和NAB*两种均衡响应,前者用于对密纹唱片的录音进行补偿,后者则用于补偿磁带录音。图2a和2b就是两种均衡响应曲线。图3示出用运算放大器组成的频率均衡电路,适当选择运算放大器的反馈元件,就可得到前置放大器所需要的均衡响应曲线,频率响应曲线中的各转折点频率可由下式计算得到:


(1)对于RIAA均衡
f\(_{P1}\)=\(\frac{1}{2πR}\)2(C\(_{3}\)+C4),f\(_{P2}\)=1;2πR3C\(_{3}\),
f\(_{P3}\)=\(\frac{1}{2π〔R}\)2‖R\(_{3}\)〕C4
低频增益A\(_{V}\)=R2R\(_{1}\)
电路输入电阻R\(_{in}\)=R5
一般按以下要求选取元件:A\(_{V}\)≈40b~60dB;fP1≈50Hz, f\(_{P2}\)≈500Hz,fP3≈2.4KHz R\(_{in}\)≈51~200KΩ。
(2)对于NAB均衡
f\(_{P1}\)=\(\frac{1}{2πR}\)2C\(_{5}\), fP2=1;2πR\(_{4}\)C5
一般要求f\(_{P1}\)≈50Hz, fP2≈3KHz。
在图3电路中,运放用双电源工作,如果用单电源供电时,可将R\(_{5}\)的接地端改为\(\frac{1}{2}\)Vcc电位,⑤脚接地便可。
注:RIAA指美国唱机工业协会的唱片均衡网络的标准。
NAB指磁带录音机频率均衡网络的标准。
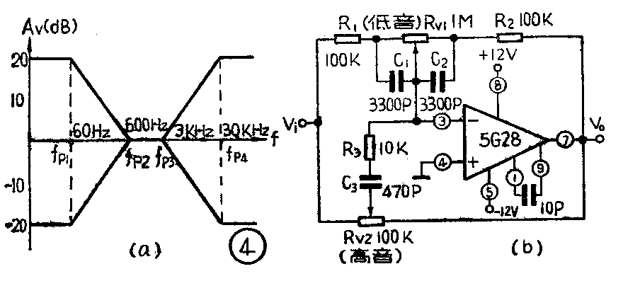
音调控制电路

放音设备中的高、低音控制是用音调控制电路来实现的。用运算放大器构成高低音控制电路,只要分别将高音和低音网络同时设置在反馈网络中即可。图4a示出一般要求获得的音调控制响应曲线,图4b则是实现这一控制的具体电路。用这个电路可以获得±20dB以上的高低音控制范围,图中f\(_{P1}\)≈60Hz,fP2≈600Hz,f\(_{P3}\)≈3KHz, fP4≈30KHz。这些转折点频率分别由下式给出:
f\(_{P1}\)=\(\frac{1}{2πR}\)V1C\(_{1}\); fP2=1;2πR\(_{1}\)C1
f\(_{P3}\)=\(\frac{1}{2πR}\)V2C\(_{3}\)fP4=1;2πR\(_{3}\)C3
图4b电路输入电阻约100KΩ,如无需这样高时,R\(_{1}\)、R2可改用10KΩ,R\(_{V1}\)用100KΩ,RV2用10KΩ,R\(_{3}\)用1KΩ,电容C1、C\(_{2}\)、C3各扩大10倍,则与调控制特性不变,而输入电阻减为10KΩ。
滤波与选频电路
利用运算放大器的负反馈特性,可以构成各种特性的有源滤波器和选频放大器。实际上上述音调控制电路只是其中的一个特例。滤波与选频电路在各种音频设备以及遥测、遥控设备中有极广泛的用途,这里提供几个简单的实例。
1.在许多音频放音设备中,出于音质上考虑常要分别放送不同频域的信号,因而要将所需的频域从信号中分离出来,此时简单的方法是用滤波器来“分频”。

图5a是一个用运算放大器组成低通滤波电路的实例。这是一种具有二阶衰减特性、增益为3的滤波电路,转折点频率为100Hz,亦即:
f\(_{P}\)=\(\frac{1}{2πRC}\)≈ 100Hz
A\(_{V}\)=1+R2R\(_{1}\)=3
滤波特性由二节RC积分回路决定。
图5b则是一个高通滤波器的实例,与图5a不同之处在于把R-C积分电路改成C-R微分电路。它同样是一个二阶(即以每倍频程12dB变化)递增的特性,它的增益和零点表示式如下:
A\(_{V}\)=1+R2R\(_{1}\)= 3
f\(_{Z}\)=\(\frac{1}{2πRC}\)≈3.5KHz
上述两种滤波电路可以构成图6所示的响应特性,选取不同的R-C或C-R网络就可以构成不同响应特性的滤波电路。

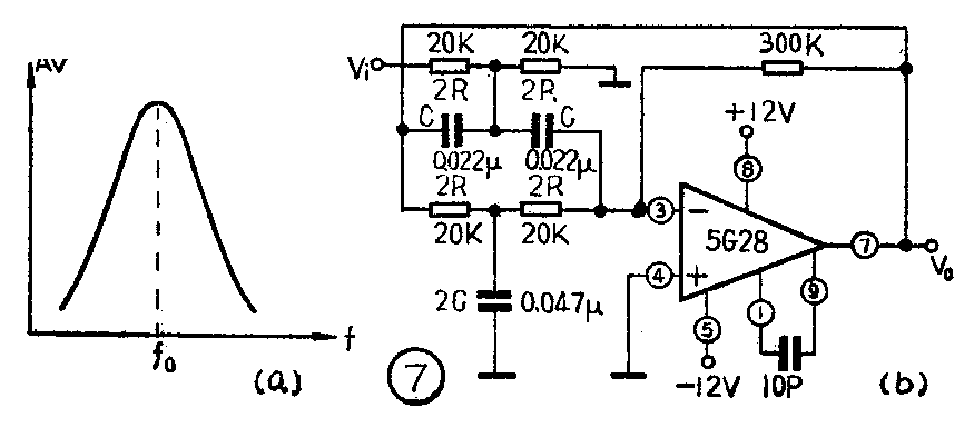
2.在多路遥控接收机中,常常需要设置一系列频率选择电路。利用运算放大器组成的有源选频电路,在频率较低时,可以获得通常使用的L、C选择网络所难以达到的Q值。图7示出一种用集成运放组成的双T选频放大器的实例。这种电路工作稳定,调试简便,特性仅由外部R-C元件确定,选频中心频率f\(_{0}\)=\(\frac{1}{2πRC}\)。图7电路的f0≈715Hz,带宽f≈19Hz,Q值约38,A\(_{V}\)=19,所用元件要求比较精确,否则容易自激。

信号发生器电路
在许多音频设备与音响设备中,需要用到各种信号发生电路,例如正弦波、方波、三角波等,用作信号源或是调制源。利用运算放大器组成各种信号源可以使电路结构简单,调试简便,互换性强。这里介绍几种能用于诸如电子乐器,调制器等中的简单电路。
1.正弦波发生器
利用集成运放作增益元件,外加具有选频特性的正反馈网络,可以构成所需的振荡电路。文氏桥振荡电路即是其中最常用的一种。图8示出用集成运放的文氏振荡器实例。这个电路的振荡频率由R-C元件值确定,用两只同类型号的稳压元件加一只电阻并接在负反馈电阻R\(_{f}\)上,即能实现振幅稳定。输出幅度约等于稳压元件(2CW7)的击穿电压值,失真度<1%。改变R-C元件值能改变振荡频率,构成点频或连续可调频率的音频信号发生器。图8电路的振荡频率约为1KHz。

2.三角波与方波的发生器
用集成运放还可以构成简易的三角波与方波发生器电路,如图9所示。图中R\(_{3}\)、R4组成再生反馈回路, R\(_{1}\)、C构成R-C时间常数电路,R\(_{2}\)为限制流过稳压管电流的限流电阻。这种电路的振荡周期由下式确定:
T=2R\(_{1}\)C1n\(\frac{1+β}{1-β}\)
式中β=\(\frac{R}{_{4}}\)R3+R\(_{4}\)
如果满足β=0.473则T=2R\(_{1}\)C,调节R1可以改变振荡频率。
图9电路中,在V\(_{0}\)处可获得稳压管D1和D\(_{2}\)击穿电压幅度值的对称方波,在V′0处则可获得对称的三角波。这种电路可用在各类调制电路或简易信号发生器中。
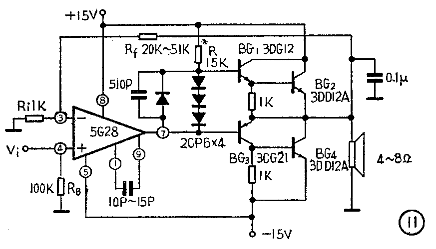
功率放大电路
用集成运放外加功率晶体管,就能组成十分稳定、几乎无需调试的0TL或0CL电路。一般集成运放输出电流可达10mA,因此只要功率晶体管的电流增益β足够高或用复合管结构,就能得到足够的功率输出。
图10和图11分别示出用5G28(或其它运放)组成的OTL和OCL电路。图中BG\(_{1}\)、BG2和BG\(_{3}\)、BG4 构成准互补输出电路,D\(_{1}\)、D2、D\(_{3}\)为它们的偏置电压源,D4则用来作正向输出导引电路。这种结构较之其它结构能获得最大的输出摆幅。如果电源电压为30伏,则电路最大输出幅度可达20伏峰峰值,在8Ω负载上能获得6瓦以上不失真功率,在4Ω负载上则可得12瓦以上功率。BG\(_{1}\)、BG2、BG\(_{3}\)、BG4的β值只要大于20即可。


由于5G28有较高的转换速率,因此高频响应较好。图10和图11中电阻R\(^{*}\)用来控制推挽输出管的静态电流,电路增益由反馈电阻R\(_{f}\)和Ri的比值确定,即 A\(_{V}\)=(1+RfR\(_{i}\)),与电路器件无关。电路的输入阻抗由电阻RB确定,这里选用R\(_{B}\)=100KΩ,即为100KΩ输入电阻,能直接用作唱机放音电路。
如将上面介绍的一些电路进行适当组合,可构成各种高性能的音频设备。(上海元件五厂 王国定)