半导体收音机的变频级或中放级发生自激故障时,可能出现一种影响收听的啸叫声,甚至完全是啸叫声,收不到信号,也可能无啸叫声,但不能正常收听。产生自激的原因很多,这里仅就一些常见的故障谈谈检修体会。
检修自激故障要从现象入手。例如拿到一台有自激故障的收音机,首先要判断故障出在哪一级电路。如果喇叭里有啸叫声,在低放部分工作正常的情况下,一般说这种故障出现在本机振荡或一中放级较多,因为这两级如有不大的自激,自激振荡的干扰就会随电台信号被后面各级放大,在喇叭里听到明显的有用信号和干扰的差拍啸叫声。究竟故障在哪一级呢?我们可以打开收音机电源开关,从波段低端到高端拨动调谐旋钮,同时仔细观察收台情况。如果发现在低端自激较轻,而越往高端拨自激越严重,当拨到1300千赫以上就收不到电台信号,只有自激叫声,那么这种故障现象说明,自激是随调谐变化而变化的,是与变频级有关。这多半是因为本机振荡过强所引起的。故障原因可能有:①变频管I\(_{c}\)太大;②如是硅管机,则是稳压二极管断路,使变频管偏压变高;③变频管β值太大;④本振线圈换过,与原机型号不一致,或虽是同型号但参数有出入不合用。另外还要注意是否有后换元件不符合原机要求的。
检查故障的办法是:检查基极稳压电路(指硅管机)的电压是否是1.4伏左右。其次检查变频管是否换过,如换过的,要焊下来测量一下是否完好,一般在4.5伏~6伏电源供电时,β值选用50~70较为合宜。再测量一下变频管的静态电流,一般应在0.4~0.7毫安,太大就会引起自激。
经上述检查后未发现问题,可继续检查本振线圈,接脚是否对,型号是否符合要求。然后用万用表测量变频管发射极对地电压,正常值应比基极对地电压偏低或接近,如高出较多,并随着调谐而升高或降低,说明本机振荡过强。排除方法是在本振回路线圈初级并联1~3千欧电阻,或在50~100欧范围内选取一个合适的电阻与振荡耦合电容串联,使自激消除。
下面谈中放级自激故障。中放有两级,故障出在哪一级,如何判断呢?我们还是用试收电台信号方法判断。从低端到高端寻找电台,当收到强电台时自激啸叫消失,收音正常;到弱电台时自激就出现,可判定是一中放自激。这是因为一中放加了自动增益控制,当强信号来到时,从第二检波输出的自动增益控制电压高,送回一个较高的反向直流电压,使一中放增益下降,自激消失。而当弱信号来到时,送回的自动增益控制电压低,一中放增益基本不变,自激出现。
如果从波段低端向高端调谐找电台时整个波段内都有自激出现,不受频率高低影响,也不受电台信号强弱影响,从电路分析,这是二中放有自激,因为它不受信号调谐影响。
以上两种中放自激故障产生的原因有:①中放管偏压过高,下偏流电阻断路或变值;②中放管β值太大;③中和电容断路;④发射极对地短路;⑤硅管机基极稳压二极管断路;⑥中频变压器更换过,型号不合要求。
检修方法:仔细检查是否有后换的元件,如中周、晶体管等,其规格是否不符合要求,焊下来测量检查。经检查后在中频调好的情况下仍有自激,可在中周初级线圈1—3脚并联一只3~10千欧电阻试验。也可适当增加中和电容量;或将中频适当调偏一点。中周上并联电阻会使收音机选择性变差,尽量不用此法。
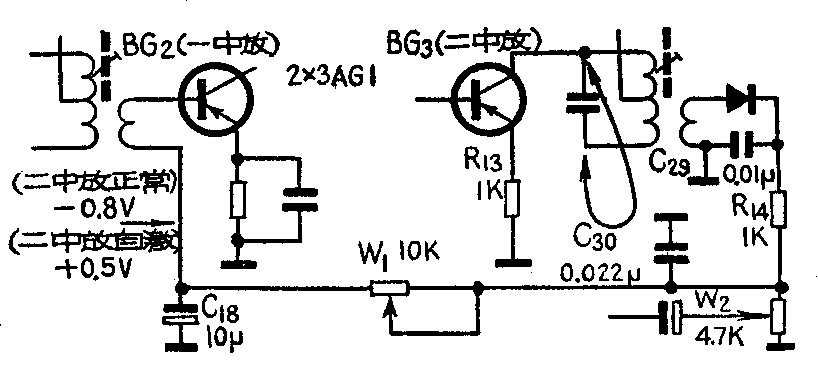
下面再谈谈喇叭里听不到啸叫声的中频自激故障。其故障表现是开机后能正常收听,听几十秒钟或二、三分钟后突然无声,关掉电源再开又能恢复,然后又重复上述现象。另一种表现是开机唱一、二句或拨一下调谐钮就突然无声。这种故障要测量中放各极电压来检查判断。一中放基极电压一般正常值是-0.8伏(见图),出现故障后会增高到+0.5伏(指锗管)或更高。显然就使一中放管进入截止状态不能工作。此时用测试信号注入二中放基极或用干扰法,喇叭里能听到声音,再注入一中放基极时则无声。从现象上看好象故障出在一中放,但这是假象,故障的根子还在二中放。这可从电路分析来说明。测量一中放正常值是-0.8伏,这一级有故障后,它的基极电压不可能出现+0.5伏,如是上偏流电阻断路,顶多出现零偏压。一中放基极电压这样高是由于二中放自激造成的。二中放自激后,其输出的自动增益控制电压也很高。这时一中放将不受电台信号强弱的影响,而是取决于二中放自激的强弱,在二中放严重自激时,一中放将被控截止,甚至在基极出现正电压。电台信号进不来,而二中放自激是高频,所以喇叭里听不见声音。为了更准确地判断,可用一根线将第三中周初级1—3脚短路(如图),再测一下一中放基极电压是否恢复正常。如恢复到-0.8伏,就证明判断正确。排除故障方法如前所述。为什么开机后还能听一会儿,然后才出现故障,这是因为二中放管热稳定性差,刚开机时I\(_{ceo}\)小,还未出现自激,温度增加,Iceo增大,自激出现就听不到广播了。(吴铁全)
