目前有些电视机选择电视节目时,既不需要用手揿按钮,也不用转动频道开关,只要用手指轻轻摸一下所选中的带有号码的触键(如图1)即可达到目的,同时指示灯亮。这就是触摸式节目预选器。它由触摸开关电路和电子调高频头结合组成。图1是可以预选四种电视节目的频道触摸开关电路示意图。它包括三个部分:

1.触摸键。它是一个接受人体感应电压的传感器。由金属片做成,形状有多种。其作用是:将人体的静电感应电压传递给开关晶体管,使其动作,并推动以后各级开关电路的工作。
2.锁定电路。为了预选多种电视节目,可设置多个预选电路。每次只有被选中的那一路给出调谐电压,接通指示灯电源。如果被选的频道是在VHF的高频段,还要接通频段转换开关。而且当手指离开触摸键以后,电路仍继续保持原状态,直到再有新的触摸指令为止。完成这一功能的电路叫作锁定电路。这里是由双稳态电路作锁定电路。
3.附属电路。它包括:变容管调谐电压开关电路;指示灯电源开关电路和频段转换开关电路。
下面介绍两个适于业余制作的触摸预选开关电路。
分立元件开关
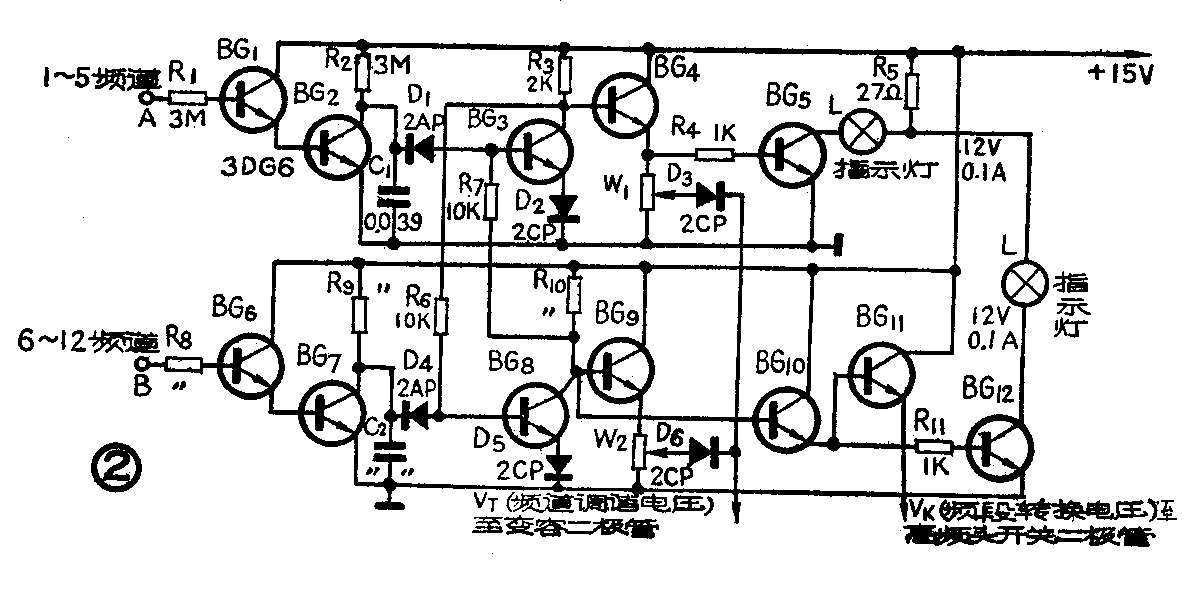
由分立元件组成的二路预选触摸开关电路如图2。其中上半部分各晶体管组成低频段1~5频道的预选开关电路。下半部分各晶体管组成6~12频道的预选开关电路。图中晶体管BG\(_{3}\)和BG8组成上、下两部分共用的锁定电路。

工作过程
当用手指触摸A触键时,人体的感应电压通过电阻R\(_{1}\)加到晶体管BG1基极,使由BG\(_{1}\)、BG2组成的复合开关管饱和导通,BG\(_{2}\)管集电极电位接近于0(地电位)。因而二极管D1负极对地电压也为0,D\(_{1}\)管也导通。D1的正极与BG\(_{3}\)管的基极相连,又使BG3管的基极电压近似为0,BG\(_{3}\)管处于截止状态。其集电极电压近似为电源电压(+15伏)。又因BG4管的基极与BG\(_{3}\)集电极相连,所以BG4管饱和导通。因此通过BG\(_{4}\)发射极加到电位器W1上的电压近似等于电源电压(+15伏左右)。该电压经电位器W\(_{1}\)的中心头传给变容管作调谐电压。同时,由BG4管的发射极经电阻R\(_{4}\),给控制指示灯的开关管BG5基极以正向偏置,使BG\(_{5}\)管饱和导通,指示灯亮。此时,便能收看到低频段的某一频道的电视节目。
另一方面,由于晶体管BG\(_{3}\)和BG8组成的是双稳态电路(其原理请参阅有关文章)。所以BG\(_{3}\)管截止时,BG8管由截止状态转变为饱和导通,其集电极电压趋于0,并使得接在它后面的各晶体管——BG\(_{9}\)~BG12,也都处于截止状态。与此同时,又因BG\(_{3}\)管的基极是通过电阻R7接到BG\(_{8}\)管的集电极上,所以,BG8管的饱和导通,又使得当手指离开触摸键A以后,BG\(_{3}\)管基极仍处于反向偏置,继续保持其截止状态不变。只有当手指触摸B键时,电路才发生翻转,工作在高频段上。
当接收6~12频道的电视节目时,在电调谐高频头中,采用开关二极管导通后,把输入回路和本机振荡回路调谐线圈的一部分加以短路,使电感量减少,工作频率升高,实现调谐回路工作在高频道上的。因此还要给这两个开关二极管提供开关电压,在图2中是由BG\(_{1}\)0和BG11组成的复合管开关来担任。这里采用复合管的原因,是由于频段转换开头二极管的工作电流要求比较大,一般两只开关二极管的工作电流就需要50~80mA;四只开关二极管就需要150mA左右。如果只用一只β=50的晶体管,其基极电流I\(_{b}\)就有1~2mA。Ib太大会影响触摸开关的工作。为了使I\(_{b}\)尽量小,所以采用复合管。
元器件
晶体管BG\(_{5}\)和BG12因需要通过0.1A的电流供给指示用,所以要选用中功率管,如3DG12、3DK4等。
为了使频段转换开关晶体管BG\(_{11}\)截止时,不致影响调谐回路线圈的Q值,应选用饱和压降小于1伏的晶体管。使其截止时,漏电流小于1μA。其余各晶体管,只要β值在40以上的硅NPN型三极管均可。
在图2中除了BG\(_{5}\)、BG11和BG\(_{12}\)采用3DK4以外,其它均采用3DG6管。
二极管除了D\(_{1}\)和D4用2AP型管外,其它均用2CP型二极管。
选择电视节目用的W\(_{1}\)、W2为小型20K~50K电位器。
调试
只要元器件符合要求,焊接无误,该电路的调试很简单。
首先检查BG\(_{3}\)和BG8组成的双稳态电路。用摄子把其中一只管子的基极对地短路,此管应为截止状态,另一只管子变为饱和导通。再用手指轮换接触A或B键,看其是否能来回翻转。用手触摸时,须注意身体其它部分不要碰到电路板的任何部位,以免身体的电位被箝位到低电位,使手指触摸时不起作用。
然后,调节电阻R\(_{4}\)和R11的阻值,或者在指示灯泡上串联或并联电阻,使指示灯泡亮度一样。
集成电路开关
为了增加节目预选的数量,并尽量少用元器件,笔者采用处理品数字集成电路——MOS—J型寄存器,装制了一个具有四个预选通路的节目预选器。电路图如图3。因为MOS—J寄存器可以把输入信号寄存起来,即输出可以根据需要保持输入状态,因此我们能利用它作触摸开关。

图3中1、2两个通路,预选1~5频道的节目;3、4两个通路还加有频段转换用开关,预选6~12频道电视节目。图4为1∶1印刷电路板图。

工作原理
在MOS(金属氧化物场效应晶体管)管里,氧化物绝缘栅具有很高的输入阻抗(10\(^{9}\)Ω左右),我们可利用它对静电比较敏感的特点,加上适当的保护电路,作成电路极为简单的触摸开关。
MOS—J寄存器,是由四个R—S触发器组成,其管脚图见图5a。单个的R—S触发器由5个“与非”门(都作反相器使用)和4个场效应管(作控制开关用)组成,见图5b。C\(_{I}\)为输入端;Co为输出端;C-\(_{o}\)为反相输出端;JCP为寄存指令端。“与非”门作反相器的意思是输入和输出的相位相反。我们把高电平(0伏)叫作“1”,低电平(-12伏)叫作“0”。如反相器输入是“1”,输出就是“0”。在一个R—S触发器中有两个“与非”门(即反相器)B和C组成双稳态电路。下面先说明双稳态电路的工作过程(参看图5b)。

当B反相器下面输入端为“0”时,上面输出端就为“1”。B的输出与C反相器的输入相连结,所以C的输入也是“1”,而C的输出就是“0”。C的输出又与B的输入连接,它们又都为“0”,所以电路就处于一种稳定状态。反之就处于另一种稳定状态。
再来看四个场效应管(G\(_{1}\)~G4)组成的开关电路。它们受J\(_{CP}\)寄存指令控制。这里场效应管是P沟道的,当其栅极为低电位“0”时管子导通。当栅极为“1”时,管子截止没有电流流过。所以当JCP为“0”时,G\(_{1}\)和G3管能导通。但此时,G\(_{2}\)或G4是哪个导通,要看输入C\(_{I}\)的电平而定。如C1为“0”,G\(_{2}\)管子导通。双稳态电路中的“与非”门B的输出端和G2是相连接的。由于G\(_{1}\)、G2导通,B输出端的电平就近似为地电位(即高电平0伏左右),所以B的输出端为“1”。
再看A反相器的作用。当C\(_{I}\)输入为“0”,A的输出就为“1”。而A的输出与G4的栅极相接。G\(_{4}\)栅极为“1”时不导通,使“与非”门C的输出端为“0”(即为电源的负电压),这正符合上面所分析过的一种稳定状态。D反相器的输入接C的输出,所以D的输出和C的输出相位相反。而E反相器的输出又和D的输出相位相反,达到了输出保持了输入状态目的。当C1为高电平“1”时,所有的工作过程与上述相反。
当J\(_{CP}\)为“1”时,G1、G\(_{3}\)就截止,这时G2、G\(_{4}\)也都截止。因此,双稳态电路原处在什么状态,电路就保持在什么状态,不受C1输入电平的影响,而输出C\(_{o}\)和C-o又只受双稳态电路的状态决定,所以也不受C\(_{P}\)的输入电平影响,保持原状态。它们之间的逻辑关系(见表)。

在MOS—J寄存器里的四个R—S触发器都受一个J\(_{CP}\)命令控制,所以只要触摸一个输入端时,它的负电位同时打开JCP指令,未被触及的输入端都为“1”(高电位)。
在图3中,为了使手指离开输入触摸键后,输出保持被选中状态。对J\(_{CP}\)就有一个特殊要求。这是因为JCP指令的负电位,来自手触时的感应电压。要避免当手离开触键,输入负电位下降时,J\(_{CP}\)负电位也同时下降,输出C-o又翻转回到未触摸以前的状态,就要求在手指离开触键之前,还是负电位时,J\(_{CP}\)指令先关掉。这样,就能保持住输出端C-o为被选中时的正电压。这里,我们是利用场效应管内存在的栅极固有的电容(它和普通三极管P—N结电容一样)实现了这个要求。虽然场效应管栅极固有电容量很小(约2P),但是因输入电阻很高,当手指离开触键后,被充电至负电位的栅极电容,通过稳压管对电源放电,需要一段时间。同样,在J\(_{CP}\)输入端也存在栅电容。我们在JCP和电源之间接一电阻R\(_{6}\),使JCP栅电容放电时间,比触摸输入C\(_{1}\)的放电时间短。即在C1还为负电位时,J\(_{CP}\)已从“0"→“1”了。这样就使输出端保持在被选中的工作状态。而原来正处在工作状态的输出端,在选中新通路后,由于原输入端已经没有负电压,新的JCP指令到来后,使输出端就翻转回到地电位,自动关掉了原来节目所需要的调谐电压。
这个集成电路触摸开关的附属电路和分立元件电路的基本相同,只是指示灯采用了氖泡。另外,由于P—MOS集成电路工作电压比较高,所以供给变容二极管的调谐电压变化范围比较大,一般为0.5~30伏左右。
元件选择
在将MOS—J焊接到电路上之前,要进行挑选。首先选J\(_{CP}\)必须是好的,否则不能用。其次选四个输入CI和输出C-\(_{o}\)也应都是好的。如果只有二、三个输入、输出端是好的,只可用于二、三个通路的预选器。
挑选时,可按图6搭一个实验电路。用直流电压表分别测量C-\(_{o}\)的四个输出端对地电压。通电后,先将JCP接“0”,再把输入C\(_{I}\)接“0”时,测C-o应为+24伏。C\(_{I}\)接“1”时,C-o应为地电压。然后再把J\(_{CP}\)接“1”。这时CI接“0”或接“1”,输出C-\(_{o}\)都不应变化。

稳压管D\(_{1}\)~D4为2CW6E,稳压值在-15伏左右。也可用多只稳压管串联使用。D5采用2CW7N,稳压值在24~30伏左右。
氖管应选用80伏以下起辉的低压氖管。
晶体管BG\(_{3}\)~BG6只要β值大于50;耐压在100伏左右的即可,如3DG403型管。
BG\(_{1}\)、BG2管为频段转换开关管。因集成电路输出电流小,而开关二极管要求电流比较大,所以采用复合管形式。其中BG\(_{1}\)为3DG6;BG2为3DK4,每只管β值应大于50。
D\(_{6}\)~D13均用2CP型二极管。W\(_{1}\)~W4为200K电位器。
调试和注意事项
调试时,先调整电阻R\(_{5}\)的阻值,使加在稳压管D5上的电压,应在24~30伏之间。然后,在地线上焊接一段短导线。用它去分别触及触摸键1、2、3、4。再在相应的输出端上,接一只电压表,看其电压是否跳变到+24伏。并且当触及其它触键时,该电压就从+24伏降下来。依次进行这样的实验。如果触时,电压能跳上去,但导线离开电压又掉下来,一般是因电阻R\(_{6}\)的阻值不合适。可以把R6阻值减小试试(可用阻值范围合适的电位器进行调整,调好后换上电阻)。反之,如果接触时,输出端无反应,而集成块又是好的,就可能是R\(_{6}\)阻值太小,可加大阻值试。
当输出端电压有+24伏时,相应的氖管就应发亮。如果不亮,可以把与氛管相接的晶体管的C极,用导线对地短路试试。若还不亮,就是氖管的起辉电压太高,需换用起辉电压低的氛管。如果用导线短路时,氖管亮,而不短路时氖管不亮。可能是晶体管饱和压降太大,使得加到氖管两端的电压不够大。这时,应换用饱和压降小的晶体管。
调整频段转换开关电压时,在开关管输出端和地之间,暂时接一只1/2W的200Ω电阻,调整完毕再把电阻去掉。当触及触键3、4时,在所接电阻两端有近10~11伏电压即可。如果电压太小,就是BG\(_{2}\)管饱和压降太大,应换管试。
装制时,注意焊接要干净,不可用焊油膏助焊剂焊接MOS集成块。因为MOS块的输入阻抗很高,任何表面的污染都会引起电路不能工作。可用松香作助爆剂,焊完后用棉花蘸酒精,将集成电路的周围,尤其是输入端部分,擦干净。
焊接集成块时,所用的电烙铁不应有漏电,否则会损坏集成块。可用试电笔检查一下烙铁有无漏电,或者在焊接时,拔掉烙铁的电源插头。
为了使电路简单,在此开关电路中,未加装优先导通哪一路的电路。因此,开启电视机后,可能会发生各指示灯都亮或都不亮等现象。但是这不会影响以后的正常选台。(王敦诗)