图示电路可用来精确地匹配功率互补对而不会有损坏管子的危险。用适当数值的R\(_{1}\)、R2、R\(_{3}\)、R4来限制集电极电流。调节R\(_{1}\)、R2可以使流过晶体管的电流相等,这时电表M\(_{2}\)指示为零,并有如下关系:hFE1h\(_{FE2}\)=R1;R\(_{2}\)。如果已知一晶体管的hFE,本电路也可用来测量与其互补的晶体管的h\(_{FE}\),当次级两半个线圈的电压相等并采用精确的线性电位器时,这种测量方法具有足够的精度。(一民译)

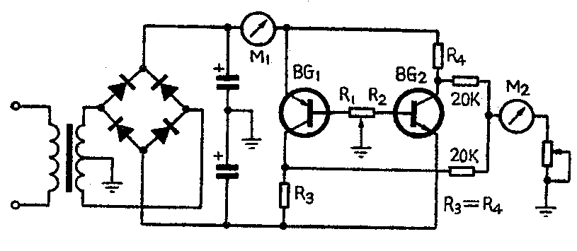
互补对的匹配
图示电路可用来精确地匹配功率互补对而不会有损坏管子的危险。用适当数值的R\(_{1}\)、R2、R\(_{3}\)、R4来限制集电极电流。调节R\(_{1}\)、R2可以使流过晶体管的电流相等,这时电表M\(_{2}\)指示为零,并有如下关系:hFE1h\(_{FE2}\)=R1;R\(_{2}\)。如果已知一晶体管的hFE,本电路也可用来测量与其互补的晶体管的h\(_{FE}\),当次级两半个线圈的电压相等并采用精确的线性电位器时,这种测量方法具有足够的精度。(一民译)
