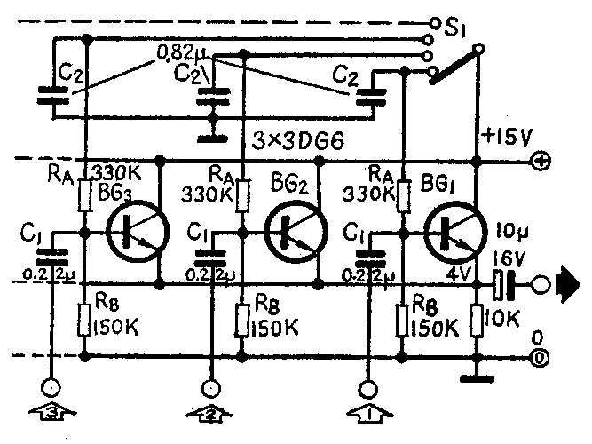
一般扩音机的输入选择开关大多安装在机器的前面板上,而信号输入插座却装在后板上。输入信号在进入放大器以前必须先经过后板上的插座和前面板上的选择开关,这样长的距离增加了感应交流声和串音干扰的可能性。为避免这一点,我们可采用一种电子输入选择器,它可以放在输入插座附近,音频输入信号经过它直达放大器,而不再经过面板上的选择开关。

图中是电子选择器的一个通道,它有三路不同的输入信号,每一路输入信号送到一个射极跟随器,每个射极跟随器的基极偏置电压是通过开关S\(_{1}\)来提供的。当S1选择到一个指定的输入时,这一路的晶体管就得到一个基极偏置电压,并使输入信号通过。其余晶体管均因基极通过电阻R\(_{B}\)接地而被截止。
由于S\(_{1}\)仅对选择器电路提供一个直流偏置电压,所以S1到输入选择器之间的导线长度就不需严格要求了。此外,每一个射极跟随器就是一个阻抗变换器,它的输入阻抗较高(100KΩ左右),输出阻抗低(≤1KΩ)。这样,可使选择器电路的输出端和放大器输入端之间的导线长度也不受限制。电路中接入C\(_{2}\)的目的是使晶体管基极电压平滑缓慢地消失,而不至于在转动S1时产生不必要的喀喀声。
如果要增加输入路数只需相应地增加射极跟随器。如需增加一个通道,就必须增加整个选择器电路。
选择器电路的最大输入电压为1V(有效值),(3V峰—峰值),增益=1(0dB)。(汤贵良 编译)