1.小王自己绕制了一只晶体管收音机用的输入变压器,用万用表测量时,初、次级绕组直流电阻阻值符合要求。但把它换接到正常工作的收音机上时,收音机却没有声音了。为什么?
2.小李装的收音机调整好偏流后,虽能收音但自动音量控制失常,他知道这是检波二极管的极性接反了。但当他把二极管倒过来接以后,收音机反而没声了。为什么?
上期“想想看”答案
1.由于低阻圈的电感量大,圈数多,绕组分成很多层,所以它的分布电容大。这个分布电容对低频信号无大的影响,而对高频信号的影响却很大。当用低阻圈代替高阻圈时,由于分布电容的缘故,它对高频信号呈现的容抗小,高频信号很容易通过它,这样就起不到阻止高频信号通过的作用。所以不能用低阻圈代替高阻圈。 (王德源)

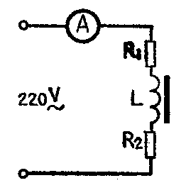
2.小王这种计算方法不对。电源变压器在空载时,其初级可近似地等效成如图所示的电路。其中R\(_{1}\)为初级绕组的直流电阻,R2代表变压器的铁损耗电阻(包括磁滞损耗、涡流损耗等)。由于电感L是不消耗功率的,所以变压器的空载功耗主要是R\(_{1}\)、R2上的功耗,P\(_{1}\)=I\(^{2}\)R1为铜耗,P\(_{2}\)=I2R2为铁损耗。通常R\(_{1}\)、R2的数值很小,总的空载功耗P=I\(^{2}\)R\(_{1}\)+I2R2《I·U,即总的空载功耗大大小于6.6瓦。所以在这个电路中,计算变压器的空载功耗时,不能用电流和电压值直接相乘。 (陈演平)