在中学物理教学中,交流电路部分是个难点。现在一般中学都配备了325—2型教学示波器、JDG—1型电子开关和JXY—1型教学信号源等教学设备,利用这些设备就能很好地进行交流电路部分的演示实验,以提高教学质量。下面就和老师们谈谈演示方法。
纯电阻电路
演示用的电路见图1(a)。u是500赫正弦交流电压,由教学信号源供给。电阻R和取样电阻R\(_{o}\)可用任何型号的电阻。从A路输入到电子开关的是纯电阻R+Ro两端的电压u,这就是说A路是用来观测电压的;从B路输入到电子开关的是电阻R\(_{o}\)两端的电压uo,由于u\(_{o}\)与通过它的电流i成正比且两者同相位,所以用B路来观测电流。示波器面板上,“频率范围”旋钮置于“20K—50KHZ”档,“Y轴耦合”开关扳在“AC”,“Y轴衰减”和“扫描范围”分别置于“1”和“100—1KH\(_{Z}\)”档,“Y轴增益”旋钮顺时针方向转到底,“同步”开关放在“内”。

演示时,接通电源,若各仪器工作正常后,再适当调节教学信号源的“音频增幅”旋钮(改变u的幅度),电子开关的“A增幅”、“B增幅”、“频率细调”、“相对位移”等旋钮,以及示波器的“微调/相位”旋钮,则在示波器上就出现图1(b)所示的波形。当旋动电子开关的“A增幅”旋钮时,幅度变化的波形为电压u的波形;当旋动“B增幅”旋钮时,幅度发生变化的是电流i的波形。从波形图上可以看出,流过电阻的交流电流与电阻上的交流电压同时达到最大值和最小值,变化规律一致,波形的初相角相同,所以得出,纯电阻上的交流电压与电流是同相位的。
纯电感电路
这部分包括以下几个演示:
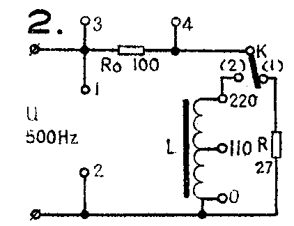
1.电感器的感抗 演示电路如图2所示。电感器L是用教学可拆变压器的线圈I插入条形铁心来代替。线圈上标有“0—110V—220V”字样,它的直流电阻是0—13Ω—27Ω。由于L的直流电阻是27欧,为了抵消它的影响,在电路中加了电阻R,其阻值跟L的直流电阻相等,这样当开关K置于(1)或(2)时,即不接入或接入L时,电路里的直流电阻是不变的。

演示时,先将开关K置于位置(1)上。示波器的“Y轴衰减”、“扫描范围”分别置“1”和“100—1KH\(_{Z}\)”档,“Y轴增益”旋钮顺时针方向转到底,“Y输入”和“地”接线柱的导线接测试点“1”、“2”。调节信号源的“音频增幅”和示波器的“微调/相位”等有关旋钮。使示波器荧光屏上显出峰—峰幅度恰好为6厘米的稳定正弦波形,这表明电压u是150mVP-P。然后把示波器的“Y输入”、“地”接线柱改接在测试点3、4上,荧光屏上显出峰—峰为4.8厘米的正弦波形,这表明取样电阻两端的电压为120mV\(_{P-P}\),可算出通过电路的电流i=120mVP-P/100 =1.2mAP-P。再将开关K扳到位置(2)上,接入电感器L,把示波器接到“1”、“2”端,再微调信号源的“音频增幅”旋钮,维持屏上的正弦波形峰—峰幅度仍为6厘米,即u的大小不变,然后再将示波器改接在“3”、“4”端,测得取样电阻两端电压波形峰—峰幅度为1.5厘米,电压为37.5mV\(_{P-P}\),算出此时电路电流i为0.38mAP-P。从这两次测量可以看出,在交流电压和电路的直流电阻不变的情况下,由于接入了电感器,电路中的电流强度显著地变小了,说明电感器(电感线圈)对交流电(交流信号)具有阻碍作用,这种“阻力”就称为感抗。
2.感抗和自感系数的关系 演示电路见图3,u、L与上面介绍的相同。为了能改变电感线圈的圈数从而达到改变自感系数的目的,并保证电路的直流电阻不变,从线圈的中心抽头(110V)处引出导线,串以电阻R后,接于开关K上。当开关置位置(2)时,电感线圈的整个圈数都被利用,它的直流电阻约27欧;当开关置位置(1)时,电感线圈只有一半圈数被利用,但由于给它串接了电阻R,故这一路的直流电阻也约为27欧。

演示时,先将开关置位置(1)上。示波器的“Y轴衰减”、“扫描范围”分别置“1”和“100—1KH\(_{Z}\)”档,“Y轴增益”旋钮顺时针方向旋到底,“Y输入”、“地”接线柱导线分别接测试点“1”、“2”上,适当调节信号源和示波器的有关旋钮,使屏上显出电路两端u的波形峰—峰幅度恰为6厘米,这表明电路两端的电压是150mVP-P。再把示波器的“Y输入”、“地”接线柱改接在测试点“3”、“4”上,此时屏上显出波形的峰—峰幅度约为3.6厘米,算出通过的电流是0.9mA\(_{P}\)-P。再将开关扳到位置(2)上,保持电路两端的电压u不变,使电感线圈的圈数增多,L增大,则屏上显出的波形峰—峰幅度显著变小,约为1.4厘米,表明此时通过电路的电流仅有0.35mAP-P。因为电路中的直流电阻是一定的,所以电路中电流减小的原因是电路中的感抗随电感线圈的自感系数L的增加而增大的缘故。
此时如果把条形铁心从线圈中抽出(线圈的L减小),就会发现波形的幅度逐渐增大,当铁心完全抽出时,波形的峰—峰幅度可达4.2厘米,算出电路中的电流为1.05mA\(_{P}\)-P。电路其它条件未变,电流之所以增大,是由于电路中的感抗随电感线圈的自感系数L的减小而减小的缘故。
通过上面的演示,可以定性地说明电感器的感抗X\(_{L}\)正比于L。
3.电感器的感抗和频率的关系 演示电路见图4。正弦交流电压u是由教学信号源供给。电感L是一个空心线圈,用可拆变压器线圈I代替。u的频率先用500H\(_{Z}\)。

演示时,示波器上各旋钮位置与上述同,“Y输入”和“地”接到测试点“1”、“2”上,用来观测u,且调至屏上波形的峰—峰幅度为6厘米。把示波器改接在“3”、“4”点上,算出电路中的电流为1.05mA\(_{P}\)-P。然后依次改变u的频率为1KHZ,1.5KH\(_{Z}\)和2KHZ(u的幅值维持不变),测得的电流分别为0.6mA、0.28mA、0.15mA。这就说明感抗X\(_{L}\)和交流信号的频率成正比。
4.纯电感电路中电流与电压的相位差 演示电路见图5(a)。电位器W作为改变电感线圈的直流电阻使用,其阻值为100Ω~220Ω,也可用滑动变阻器来代替。L用插入条形铁心的可拆变压器里的线圈I。

演示时,电子开关的“A输入”、“B输入”、“地”分别接于测试点“1”、“2”、“3”上,“频率范围”旋钮置于“20K—50KH\(_{Z}\)”档。示波器的“Y输入”、“地”分别接在电子开关的“输出”和“地”上,“Y轴衰减”、“扫描范围”分别扳在“1”和“100—1KHZ”档,“Y轴增益”旋钮顺时针旋到底。将电位器W的阻值调至最大,再适当调节信号源、电子开关、示波器等有关旋钮,屏幕上出现图5(b)的波形,电压u与电流i的相位差大于零而小于90°。然后将W阻值逐渐减小,u与i的相位差增大;当W为零时,u与i之间的相位差接近90°。
从屏上波形的变化可以看出,电路越接近纯电感,电流在相位上滞后电压的角度越接近90°。
纯电容电路
1.电容器对交流电的容抗 演示电路见图6。电容器C用金属化纸介电容。开关K用于短路或接入电容,以便进行比较。具体演示方法与前面叙述的感抗同。

2.容抗与电容量的关系 演示电路见图7,当开关K分别置于位置(1)、(2)、(3)时,电路中接入的电容减小,电路中的电流减小,说明容抗增加,容抗与容值成反比。具体的测试、调节方法与前面介绍的感抗与电感量的关系同。
3.容抗和频率的关系 演示电路见图8,改变信号源的信号频率,发现容抗与信号源频率成反比。具体调节方法与上面介绍的感抗与频率关系的调节方法相同。

4.纯电容电路中电流与电压的相位差 演示电路见图9(a)。当电位器W的阻值减小时,从屏幕上就会看出电路中电流i与电压u的相位差逐渐增大见图9(b),当W变为零值时,它们之间的相位差增大到90°,具体调节步骤与纯电感电路中的电流与电压相位差的演示方法同。

电阻、电感、电容串联电路的阻抗

演示电路见图10(a),L仍用可拆变压器的线圈I,C用金属化纸介电容器。电子开关的“A输入”、“B输入”、“地”分别接测试点“1”、“5”、“2”,用来观测总电压和总电流。再把电子开关的“输出”、“地”接在示波器的“Y输入”、“地”接线柱上。
演示时,电子开关的“频率范围”置于“20K—50KH\(_{Z}\)”档。示波器的“Y轴衰减”、“扫描范围”分别扳在“10”和“100—1KHZ”档,“同步开关”放在“内”位置。把可拆变压器的条形铁心完全插入线圈I中,即它的感抗X\(_{L}\)达到最大值。在教学信号源、电子开关、示波器处于正常工作状态后,适当调节“音频增幅”、“A增幅”、“B增幅”、“频率细调”、“相对位移”、“Y轴增益”、“X轴增益”和“微调/相位”等有关旋钮,屏幕上即出现如图10(b)所示的波形,u的峰—峰幅度为2.4厘米,i的幅度为2厘米,电流滞后电压约80°。这表明电路呈电感性。
然后把条形铁心缓慢地从线圈I往外抽,感抗X\(_{L}\)减小,这时屏上总电压波形幅度变化很小,而电流波形的幅度却显著增大,两者的相位差逐渐减小。当铁心约抽出2/3时,u与i的相位差变成零,即电流与总电压同相位,且电流达到最大值,此时i的峰—峰幅度约为5.6厘米,见图10(c),这时电路中XL=X\(_{C}\),电路呈电阻性,这时电路达到了串联谐振。
再将铁心继续往外抽,X\(_{L}\)减小,屏上总电压波形的幅度变化不大,而电流波形的幅度却明显减小,两者的相位差又逐渐增大。当铁心全部抽出时,总电压的幅值约为2厘米,电流幅值约为4厘米,电流超前电压约80°如图10(d),此时XL<X\(_{C}\),电路呈容性。

如果把电子开关的“A输入”、“地”和“B输入”改接在测试点“3”、“4”、“5”上,就可以用来观测电感两端的电压u\(_{L}\)和电容两端的电压uC。当铁心全部插入线圈时(X\(_{L}\)>XC),则屏上显出的波形如图11(a),从图上可以看出u\(_{L}\)>uC。当铁心继续抽出直到X\(_{L}\)=XC时,屏上显出的波形如图11(b),u\(_{C}\)=uL。当铁心全部抽出(X\(_{L}\)<XC)时,屏上的波形如图11(c),这时u\(_{L}\)<uC。
需要注意的是:u\(_{L}\)与uC是反相的,在发生串联谐振时,两者的大小相等,方向相反。但由于我们在这一实验里,把电子开关的“地”接到了L与C的连接点“4”上,即把这一点取作零电位参考点,因而造成其中之一(u\(_{L}\)或uC)反相,故屏上显出的波形同相,在发生串联谐振时出现了相位相同的现象。在演示时,这一点必须加以说明。
通过这个演示,就清楚地说明了R、L、C串联电路的阻抗特性,以及串联谐振的情况。
电阻、电感串联后和电容并联的电路

演示电路见图12(a)。电感L用可拆变压器线圈I。电子开关的“A输入”、“B输入”、“地”分别接测试点“2”“4”“3”上用于观测总电流i和支路中的电流i\(_{1}\)。再将它的“输出”、“地”接在示波器的“Y输入”、“地”接线柱上。
演示时,电子开关的“频率范围”置于“20K-50KH\(_{Z}\)”档。示波器的“Y轴衰减”、“扫描范围”分别扳在“10”和“100-1KHZ”档,“同步开关”放在“内”位置。在教学信号源、电子开关、示波器进入工作状态后,适当调节“音频增幅”、“A增幅”、“B增幅”、“频率细调”、“相对位移”、“Y轴增益”、“X轴增益”和“微调/相位”等有关旋钮,使之在示波器屏上显出图12(b)所示的波形,这表明此时总电流i和R、L支路的电流i\(_{1}\)大小相等。
值得注意的是,由于把电阻R\(_{1}\)与R2的连接点“3”作为“0”电位参考点接到电子开关“地”上,所以测得的电压u\(_{R1}\)与uR2相位相反,屏幕上出现的i与i\(_{1}\)波形也相位相反。
然后合上开关K,电容C并联在电路两端。这时将明显地看出总电流i波形的幅度由4厘米减小到2厘米;而R、L、R\(_{1}\)支路中的电流i1波形的幅度由4厘米增加到4.4厘米,如图12(c)所示。这样就能定性地说明,给电感性负载两端并上适当的电容后,总电流减小了,它比感性负载上的电流还要小。
再将电子开关的“A输入”、“B输入”、“地”分别接在测试点1、3、2上,用来分别观测外加总电压u和总电流i。适当调节上述有关旋钮,在示波器屏上就可以显出图12(d)所示的电流与电压波形。在相位上,电流比电压滞后约60°。然后合上开关K并联上电容C,就会看到两者的相位差立即变小,见图12(e)。这就定性地说明了给电感性负载两端并上适当的电容后,总电流与电压间的相位差减小了,也就是提高了功率因数。(王兴乃)