4.配组:实验表明,要取得整个调谐范围的最佳跟踪,必须使用相同特性的变容二极管,少则二只一组,多则10只一组(构成五个射频调谐回路,采用背对背组态)。要求其容量误差不大于0.4微微法,且C\(_{d}\)~Vd特性曲线不得交叉。

5、测量方法;利用Q表按如下电路可对变容管之容量、变比和Q值进行测量,再进行选配。具体方法是:将图6电路接入Q表,在未插管子时,先测得Q表谐振时的电容C\(_{1}\)和Q1。插入管子后,测得C\(_{2}\)、Q2。根据下面公式换算得变容管的电容量和Q值为:
C\(_{d}\)=C1-C\(_{2}\)
Q\(_{d}\)=〔Q1Q\(_{2}\)/(Q1-Q\(_{2}\))〕·(Cd/C\(_{1}\))
测试应在不同的偏压V\(_{d}\)和不同的频率下进行。

利用变容二极管特性比较仪和示波器可同时比较二只管子的特性,进行配对(图7)。从SBT-5示波器的锯齿波扫描电压输出端将一扫描电压加到比较仪的输入端,此电压同时加到被测管和样管上,使它们的电容分别连续发生变化,容量的变化又变成电压的变化,一起加到示波器的Y轴上,从而可直接从荧光屏上比较它们的电容变化曲线C\(_{d}\)~Vd,进行分选配对。两条曲线完全重合且不交叉的管子方可配为一组使用。
表1 几种变容管的主要特性
击穿电压 C-3V C-25V 变比 Q值
(V) (pf) (pf) (-3V)
国 2CB14 30 20 3 5~7 250~300
(50MH\(_{Z}\))
303B 30 18~30 3~5 >6
2CC1 25 27 3.6 250
(5MH\(_{Z}\))
内 DB300 30 18 6.8 110
(50MH\(_{Z}\))
国 MV3102 30 22 5.6 4.5 300
外 BA141 30 12 2.2 4.5 300
二、电子调谐电路
1.电路特点:在接收机高频调谐回路里,变容二极管取代了可变电容器,成为并联谐振电路的一个重要组成部分。常见的调谐电路如图8。其中L为谐振回路电感线圈,C\(_{t}\)为补偿电容;C为隔直流电容,对交流旁路;RA为串联电阻,防止与别的回路及调谐电源交连耦合。

在设计上我们可以将变容二极管看作一个可变电容器来进行计算。这里就不详述了。但电子调谐电路还有如下的特点,是可变电容器调谐电路所没有的。
(1)失调现象:对于图8(a)的基本电路,由于变容管C\(_{d}\)~Vd特性曲线的非线性,当它工作在较低的偏置电压时,曲线的曲率较大,见图9。在这个偏压上叠加有高频交流信号U\(_{mRF}\),在高频信号的正负半周里所引起的电容增量是不相等的,△C1≠△C\(_{2}\),即产生一个净电容增量△C=△C2-△C\(_{1}\)。这种Cd~V\(_{d}\)特性曲线的弯曲,将使谐振回路的谐振电容量增大,谐振频率降低,高频回路失谐,引起斜率检波,从而使高频互调失真加大。在低压运用时尤其严重。

(2)交叉调制:当谐振回路两端出现一较大的交流信号(见图10)时,此交流信号就会叠加在变容二极管的直流偏压上。某一瞬间,当偏压增大时,变容管的容量减小,使谐振回路的谐振频率变高,谐振曲线右移。与此同时,谐振回路的谐振阻抗变大(谐振阻抗R\(_{oe}\)=ω\(^{2}\)L2/r,回路电感L和损耗电阻r不变,C变小,ω变高,Roe增大)。谐振曲线的幅度增大,输出加大。反之,当交流信号减小时,回路电容加大,谐振频率降低,同时谐振阻抗减小,以致输出降低。于是,对应于交流信号的一个周期,谐振曲线前后移动,输出幅度就受到调制。如果此交流信号是一强干扰信号(又是已调的),则将出现从一个信号到另一信号的调制转移。这一现象是变容管调谐所特有的,称作变容二极管交叉调制。
2.电路改进措施:
(1)提高最低工作电压,使交流信号的摆幅远小于直流偏置电压,即使最小调谐电压尽可能地保持在较高的电平上,尽量用在C\(_{d}\)~Vd特性的平缓部分。这样就能限制失真。但另一方面,低的调谐电压却可获得高的电容变化比,因此在电路设计时,应在电容范围(即频率范围)与失真之间权衡得失。
(2)采用配对以背对背变容管组态,如图8(b)所示,以消除曲率,使交扰调制失真及失调减至最小。此时变容管呈现一真正的电容,这是因为对高频任意半周,一个二极管被激励在正偏方向,而另一个被激励在负偏方向,于是对于一个高频信号,一个变容管的C增加,另一个变容管的C减小,二者互相抵消,使净电容增量等于零,从而使接收机的交调和互调失真减至最小。实验证明,采用背对背组态,互调失真可改善15分贝左右。
(3)选用漏电流I\(_{do}\)小、击穿电压BVd高、变比大、Q值高、线性好的变容二极管。为了保证跟踪误差最小,要求严格选配,使每组管子一致性好,用于调频接收机中的管子在任意偏压下的容量误差不得大于0.4微微法,且Cd~V\(_{d}\)特性不许交叉。
(4)与场效应管相结合,选用多组射频回路。好似把大门开得窄窄的,只让有用信号进来,把干扰拒之门外,且弥补其Q值的不足,以提高接收机的实际选择性,改进接收能力。
三、电子调谐接收机举例
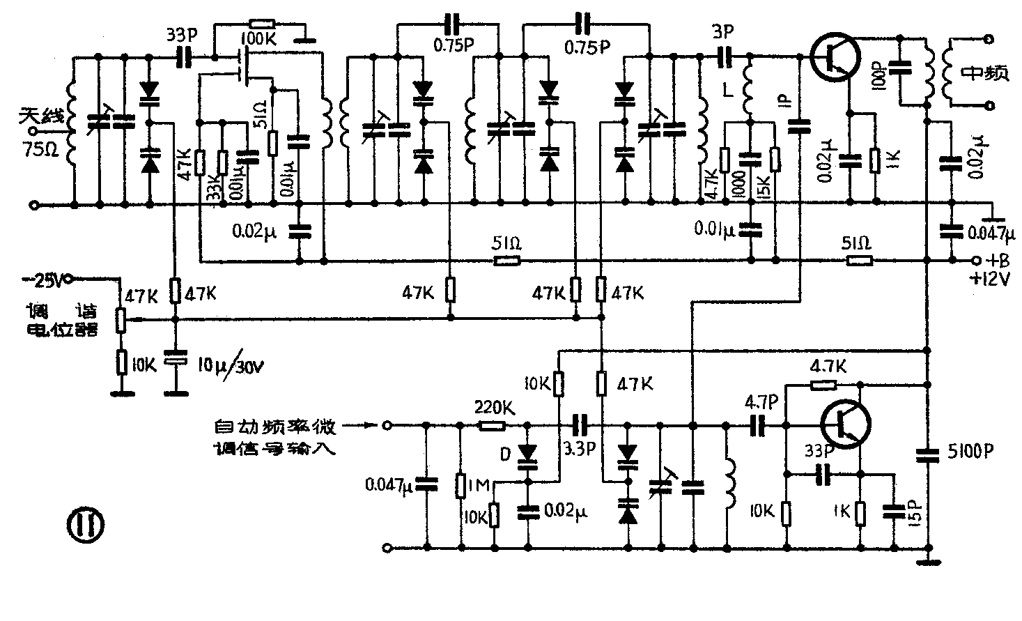
图11举出了一个高级调频接收机的电路,工作于88~108兆赫。它由一级双栅MOS场效应管高放、晶体管混频和晶体管振荡器构成,共用了五组射频回路,每组变容二极管均采用背对背组态,共用了10只配对管。整机达到了最优良的性能。

电路特点是:高频放大器采用了双栅MOS场效应管,它比一般的晶体管转移特性好,高次谐波分量少、输入出阻抗高、动态范围大、噪声小,在大致相同的条件下,场效应管放大器比普通晶体管放大器的互调性能要好20分贝以上。加之高频放大器负载为三重调谐回路,为整机提供了极好的实际选择性,提高了抗干扰能力,从而大大地改善了接收机的实际接收效果。
振荡级采用共集电极考毕兹振荡器,管子与振荡回路用小电容作松耦合,使元件参数的变化对回路影响较小,以期得到较好的振荡波形与频率稳定度。混频级采用晶体管共发射极电路,它能给出较高的混频增益,要求较低的本振电压,制造容易。为减小信号与本振之间的牵连,振荡电路与高放回路均采用小电容耦合至混频器基极。混频器基极接有电感L和1000微微法电容组成的串联谐振回路;用以对10.7兆赫中频陷波。
变容二极管组的中点通过去耦电阻连到一起。由于控制它们的是直流电压,因此可以通过二根引线将它们连接到任意适宜安装电位器的地方去(这点是任何可变电容器机械传动所作不到的),通过改变这个电位器就能改变接收机的频率,方便之极。当然控制电源要求相当稳定,波纹系数要尽量地小,这也是不难做到的。
整个高频头能给出不小于32分贝的增益,整机灵敏度约为2微伏。中频抗拒比大于90分贝;象频抗拒比大于70分贝;假响应优于90分贝,有大于80分贝的交互调能力。
自动频率微调信号是从接收机鉴频器送来的-1~0~+1伏直流电压,经隔离电阻(220千欧)加到变容二极管D上。该二极管D则由+12伏电源经过两个10千欧电阻分压提供直流反向偏压。当本振频率产生偏差时,鉴频器就送来一个如上述直流电压(或正或负),加到变容二极管D上,使其容量发生变化,这一变化再通过一小耦合电容加到本振回路,调整其谐振频率,以准确接收信号。
四、电子调谐国内外发展动向
电子调谐是一门新技术,具有很大的生命力,这一方面是由于它体积小、重量轻、可靠性高,另一方面是由于只要控制其直流电压,便可达到调谐的目的,比较简单、实用。发展趋势不外两方面:一方面是研究新的原材料,改进工艺,提高变容管的Q值,改善其线性,扩大变比,降低成本,在整机上充分利用管子性能,采用新颖电路程式,以期获得更好的接收效果;另一方面是改善外围设备,增添一些附属装置,因此近来由电子调谐派生出许多新的电路。
目前国内除彩色电视机上采用外,在民用接收机上用的仍较少,但实践表明完全是可能的。如无线话筒专用调频接收机,工作在155~167兆赫频率,就采用了五组背对背组态的国产变容二极管,获得了满意的结果,可见,用于调频收音机上也是很好的。
国外,西德和荷兰都很热衷于搞电子调谐,不少产品已陆续问世。日本近年来也开始生产电子调谐的高级调频调谐器。展望今后的发展趋势,电子调谐可引生出下列各种新技术、新设备。

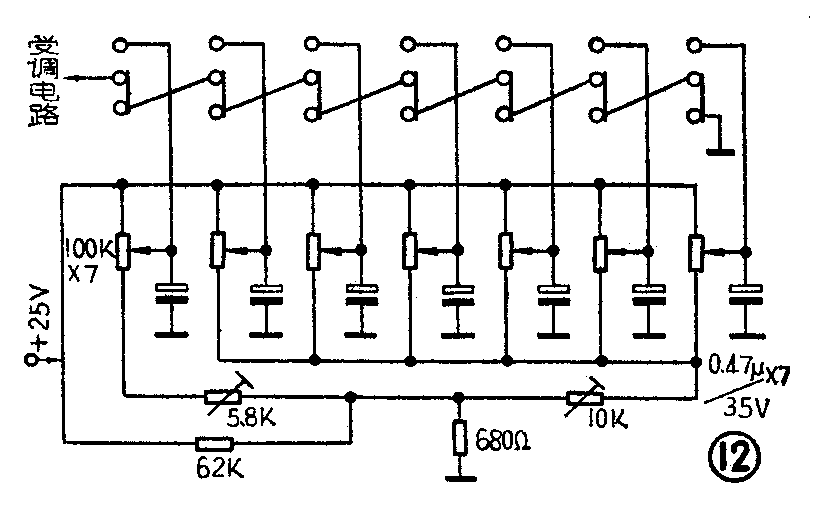
1.预选电台:利用琴键开关或触摸式开关,可预先将几个常用频率以合适的直流电压预先调好,到使用时,按下琴键开关或摸一下触摸开关(图12),接收机迅即精确地接收到所需要的频率,无须微调,就能满意地收听。这是可变电容器调谐难以做到的。而小微调电位器却可藏于机器的底部,任你选台。
2.指触开关:利用人体阻抗或感应电容,通过环形计数开关电路,为变容二极管提供不同的控制电压,从而达到选台的目的。其特点在于操作方便及时,无机械触点,无磨损,可靠性高,易与遥控和节目预约等附属装置配合。
3.扶手椅遥控选台:采用声波或红外波进行控制,可对频道、频率、音量、音调、立体声平衡等进行遥控。由于控制的是直流电位,因此极适合与电子调谐电路相配用。
4.电子波段转换:当变容管的变比达不到要求(尤其是对中波调幅信号进行电子调谐)时,可采用频段开关二极管,将回路电感线圈短路一部分,即可扩展频段,改善频率刻度的线性,这种方式无触点,只需一外加电压即可(参看图13)。

5.调幅(AM)电子调谐:中波调幅波段频率低,波段覆盖系数较大,因此需要特殊的变容二极管,变比要大于20,容量达300微微法左右。国外有的厂家采取在一块硅片上作成性能完全相同的三只对管,然后将几块硅片一一对应并联起来,以满足中波大容量、大变比的要求。
6.自动搜索调谐:这是更进一步向自动化调谐迈出了一步。只要打开电源,对所接收的频段采用线性扫描,收到信号后,即停下数秒钟,请您鉴别是否爱听,若不需要将继续扫描过去,遇到您感兴趣的节目时,只要给予指令(摸一下触摸开关或按一下按钮开关),就能一直欣赏下去。扫描是连续进行的,扫到频段最高端后能立即迅速从头开始再扫。这种电子扫描将比旧式的马达和继电器系统要优越得多了,近闻荷兰和瑞士已有这种电子搜索调谐收音机问世了。
7.无度盘数字显示或电光显示:采用自动调谐后,再不必用马达来带动指针指示频率了。采用数字频率显示即可解决精密调谐的困难,方法是将调幅或调频振荡频率在一个电子计算机内计算,然后减去中频,得到的电波频率以光学方式显示出来,计算过程在一个固定时间里重复进行。(伟明)