一.视频检波电路
为了从中频全电视信号中还原出原来的视频调制信号,电视机中必然要有视频检波电路。视频检波,通常采用晶体二极管包络检波,基本原理和收音机中的二极管检波完全一样,也是利用二极管的单向导电特性,分离出单极性的中频信号,然后再用滤波器滤除中频成份,这样就可以还原出视频信号来。但是二极管包络检波有很多缺点:(1)检波效率比较低,一般≤50%,损耗也比较大。(2)由于二极管的伏安特性是非线性的,所以,当输入的信号较小时,就会使检波后的视频信号产生非线性失真;另一方面由于残留边带制所固有的正交失真,也会造成更大的波形失真。(3)由于二极管伏安特性曲线的非线性,在接收彩色电视节目时,还会产生色副载波(4.43兆赫)和第二伴音中频(6.5兆赫)的差拍,使屏幕上出现网纹干扰,因为这种差频干扰(2.07兆赫)恰好落在视频频带中对图象质量影响较大的频率范围内,所以对图象质量损害很大。(4)由于二极管包络检波电路的不平衡性,即半周导通、半周截止,这种断续的信号必然会产生高次谐波,如果处理不当,就容易引起干扰,造成通道自激,在屏幕上出现“拉毛”现象。
为了克服或减轻二极管包络检波的上述缺点,就必须把检波电路输入信号电平提高到一定强度,实行所谓“大信号检波”。通常要求末级中放集电极的电压达6V\(_{PP}\)左右,这样才能保证二极管检波器输出1VPP左右的视频信号。另外,还要在二极管两端加上一定的正偏压,以改变二极管的工作点,使它工作在直线部分,来克服由于伏安特性曲线的弯曲所造成的失真。为了实现大信号检波,要求末级中放必须提供足够的增益,这势必加重了中放级的负担,对中放级的稳定性非常不利,尤其是对电路的集成化更为不便。因此,目前在集成电路电视机中,如果仍采用二极管包络检波电路,那么中频放大电路仍然需要加一级分立式的末级中放才行。
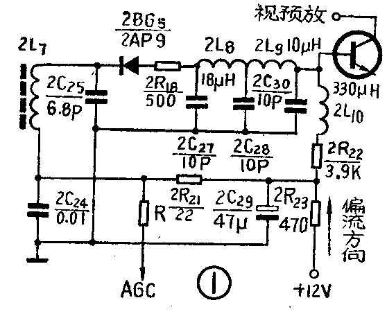
为了克服包络检波电路的缺点,人们又研制出一种小信号同步检波电路。这种电路要求输入信号达50mV\(_{PP}\)左右,就可以不产生非线性失真。此外,采用同步检波电路也可以避免正交失真。由于同步检波电路为平衡电路,所以,也就克服了由于不平衡所带来的高次谐波辐射等缺点。但是这种电路比较复杂,除了集成电路和彩色电视机有条件采用外,在一般普及型电视机中,目前仍普遍地采用二极管包络检波电路。全国联合设计31厘米黑白电视机,就是采用的这种检波电路,其电路如图1所示。

图1所示的电路,由二极管(2AP9)、负载电阻(2R\(_{22}\))、低通滤波电路(2L8、2L\(_{9}\)、2C27、2C\(_{28}\)、2C30)、正向偏置电路(2R\(_{21}\)等)、负载高频补偿电感(2L10)以及防止高次谐波干扰的串联电阻(2R\(_{18}\))等组成。2C25(6.8P)与2C\(_{24}\)(0.01μ)串联起来构成次级调谐回路的谐振电容,因为2C24的容量比2C\(_{25}\)大得多,所以,实际上次级回路的谐振频率主要由2C25决定。
检波二极管应选用高频特性良好、检波效率较高的晶体二极管,如2AP9等。外表面应有黑色涂层,以减少光辐射对检波特性的影响。
检波二极管的接法,由视频放大电路的级数和显象管采用的激励方式来确定。在电视机中,检波之后通常采用一级视预放和一级视放。如果显象管采用阴极激励,则二极管应接成负向检波(即二极管的负极接输入信号),这样检波所得的正极性电视信号(即同步头向下,白色为高电平,黑色为低电平),经过一级视放倒相后(因视预放为射极跟随器,没有倒相作用),正好在阴极上加有负极性激励信号。如果显象管采用栅极激励,则需要把二极管接成正向检波(即二极管的正极接输入信号),这样检波所得的负极性电视信号,经一级视放倒相后,正好在栅极上加有正极性激励信号。但因栅极激励,需要较大的激励电压,故不常用。如果视放为两级,二极管的接法正好与上述两种情况相反。
低通滤波电路,主要是用来滤除残留中频信号及其高次谐波的。总的来说,要求低通滤波电路与检波负载配合起来,在视频频率范围内具有近似不变的输入阻抗,以避免检波负载随视频的变化而变化,造成某些频率峰起,某些频率凹陷。低通滤波电路一般采用双π型电路,它比单π型电路的滤波性能好。目的是为了防止高次谐波进入后面的电路。在调整滤波电路时,对截止频率以外的衰减特性必须很好注意。如果调得不好,容易在屏幕上造成拉毛现象。

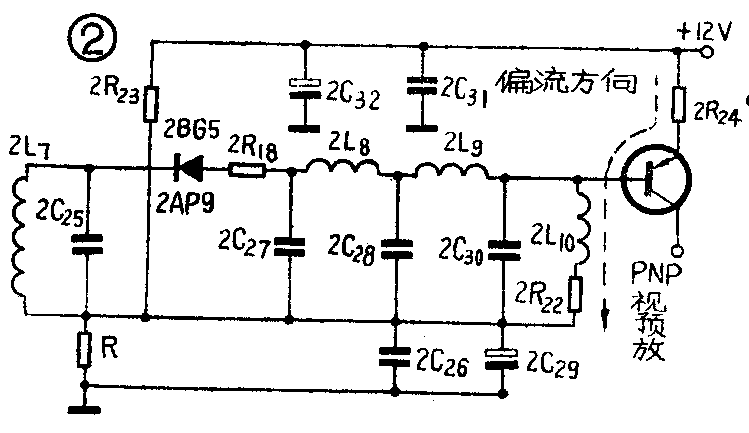
为了克服检波二极管伏安特性的弯曲所造成的失真,在检波二极管上加有一定的正偏置电压。正向偏置电压的加法与视预放采用NPN晶体管还是采用PNP晶体管有关,以采用PNP晶体管比较方便,此时,可直接利用检波负载上视预放偏流所产生的压降,作为检波管的正向偏置,如图2所示,不必再采用特设的电路。如果视预放采用NPN型管子,则必须另加正向偏置电路。因为这时视预放的偏置电流,流经检波负载所产生的压降,其极性恰好与二极管正向偏置的要求相反。联合设计31厘米电视机的检波电路,其正向偏置电路的设置见图1。由图可见,+12伏经2R\(_{23}\)、2R21、R(为去AGC电路的模拟电阻),在2R\(_{21}\)上产生约0.4伏的压降,此压降抵消视预放偏流在2R22上产生的压降后,还有0.3伏左右的电压,将此电压加到检波二极管两端,作为正向偏置。改变2R\(_{21}\)的阻值,可改变偏置电压的大小,以便调整检波二极管的工作点。
另外,为了防止高次谐波的辐射,对视频检波器必须妥善地加以屏蔽,并在印刷电路板的排列上,尽可能地远离中放输入部分。
二.视预放
一般普及型黑白电视机的视频放大电路均由两级构成,第一级叫视预放,第二级叫视放输出级。视预放接在视频检波电路之后,为了提高输入阻抗,减小它对检波电路的影响,对视频图象信号来说,必须采用射极跟随电路。对第二伴音中频(6.5兆赫)来说,为了使其有一定的放大增益,必须采用共发射极放大电路。视预放的输出端连接着视放输出级、AGC电路及同步分离电路等,视预放采用射极跟随电路后,因为输出阻抗较低,可以减小各电路之间的相互串扰。
全国联合设计31厘米黑白电视机的视预放电路,如图3所示。由图可见,视预放发射极接有6.5兆赫的伴音中频吸收回路。它采用桥T型电路,以获得较高的衰减量,使第二伴音中频信号不致进入视放输出级和其他电路。在视预放的集电极接有6.5兆赫的第二伴音中频耦合变压器,从中滤出6.5兆赫的伴音信号,然后送往伴音中频放大电路。2C\(_{31}\)为中和电容,以防止自激;2R27、2C\(_{33}\)为退耦电路,以防止杂散信号窜入;电阻2R24是为了解决静态幅频特性与动态幅频特性的不一致性而设置的,对于第二伴音中频信号来说,视预放输出是由高Q值的LC谐振电路组成,这种电路惰性较大,因此,造成了静态幅频特性与动态幅频特性的不一致,如图4所示。由于伴音信号的频率是随着调制音频的速率变化而变化的,所以,在实际应用中,人们感兴趣的是动态幅频特性。在视预放集电极上串上2R\(_{24}\)后,视预放的负载除2L11、2C\(_{23}\)谐振回路外,还有2R24。大家知道,纯电阻是没有惰性的,因此加2R\(_{24}\)后,可以相对减小LC谐振电路对幅频特性的影响。这样我们就有可能用扫频仪调出接近于实际的幅频特性来。此电阻不能选得太大,太大会影响该级作为伴音中放级的增益,一般选200欧以下为宜。


视预放在电视机中担负着多方面的工作,它工作状态是否正常对全机性能影响很大。由于视预放本身采用的是射极跟随器,所以,只要电路设计正确,一般不会发生大问题。但是视预放的发射极电压(约5伏)对其他电路是有影响的。例如AGC和消噪电路工作是否正常与这一点电压有关,因此,常常将视预放发射极电压作为重要的检测点,不仅要看视频输出电压是否正常,也要看直流电压是否正常。
三.视放输出电路

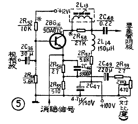
视放输出电路将视预放送来的1V\(_{PP}\)左右的视频信号放大到50~80VPP,然后再对显象管的辉度进行调制。联合设计31厘米电视机的视放输出电路,如图5所示。在此电路中,2C\(_{36}\)为视频输入耦合电容;2R52、2R\(_{53}\)为直流偏置电阻。在视放管2BG15的发射极上,电阻2R\(_{54}\)、2R55,电位器2W\(_{3}\)以及电容2C46、2C\(_{49}\)组成串并联电路,构成电流负反馈,以稳定工作点,同时也作为对比度控制电路。2W3为对比度调节电位器,它通过隔直流电容2C\(_{49}\)与发射极电阻2R55并联。调节2W\(_{3}\)虽然不影响末级视放管的直流工作点,但改变了发射极的交流电阻,从而改变了电流的反馈量。当2W3阻值变小时,交流反馈量减小,使末级视放管的增益增大,对比度也增大;当2W\(_{3}\)阻值增大时,交流反馈量也增大。使末级视放管的增益降低,对比度也减小。2R59用来减小对比度的调节范围,也可以防止2W\(_{3}\)起始电阻突跳所引起的对比度突变。
视放输出电路为共发射极放大电路,由于要求它提供较大的输出电压幅度,所以放大电路必须用高压(约100伏)供电。放大用的晶体管也必须是耐压大于100伏的高反压管,如3DA87B~E等。
视放输出电路是一个宽频带放大器,要求其带宽至少要达到4兆赫以上。因此,必须采用各种补偿措施,以展宽频带。本电路采用了三项高频补偿措施:在集电极负载电路中,采用了并联补偿线圈2L\(_{14}\)和串联补偿线圈2L13;在发射极电路中,采用了高频补偿电容2C\(_{46}\),以减小2W3在调节过程中,视频特性曲线的变动。关于它们的补偿原理,这里就不作介绍了,需要着重研究的问题是视放输出电路究竟怎样补偿才最合理。换句话说,补偿以后的视放幅频特性应具备什么样的形状,才能获得质量较好的图象。大家知道,电视机的图象通道是一个统一体,不能分割开来去研究各部分应具备什么样的特性。因此,在考虑视放输出级的补偿时,应与中放幅频特性、检波负载特性等联系起来统一考虑。前一篇文章已经谈到,中放幅频特性有平顶形和草垛形两种,而且知道平顶形曲线的相频特性不理想,如能用一个合适的视放特性曲线与它配合使用,仍能获得较好的图象。一般与平顶形曲线相配合的视放幅频特性曲线,如图6所示。这个曲线的特点是在1~2兆赫附近约有2dB左右的峰起,利用视放幅频特性曲线的这一畸变,来校正中放幅频特性中这一部分的相位失真。曲线峰起以后,就应逐渐下降,因为平顶形曲线有较宽的频带,不必再用视放特性曲线来提升高频,否则就有可能使高频过冲,产生振铃,破坏图象质量。

与草垛形中放幅频特性曲线相配合的视放幅频特性曲线,如图7所示。这个曲线的特点是在4兆赫以下基本上是平坦的。因为草垛形曲线的相频特性在通带内接近于线性,所以,没有必要再用视放特性曲线来补偿。但是,草垛形曲线的带宽较窄,高频分量有所损失,所以,高频部分需要用视放输出级的串联补偿,将高频部分提上去。
总而言之,通道的优劣最终要以图象质量来决定,既要照顾分辨率,也要照顾图象的过渡特性,即图象黑、白或白、黑转变中的边缘过程,好的图象质量边缘清晰,没有镶边,振铃、拖尾等现象。
另外,在末级视放的发射极上还加有行、场消隐信号,当行、场的逆程脉冲(正极性)来到时,使视放管截止,集电极处于高电位,将此电位送到显象管阴极,使射束截止,起到消隐的作用。(北田)