世界上各个国家和地区的电视广播,都按照一定的技术标准进行发送和接收。一套完整的技术标准,就构成一种制式。各个国家和地区不仅采用的制式不完全一样。而且所使用的频率分配也不相同。因此,各个国家所生产的电视机的频段覆盖范围、通频带宽度、图象中频及第二伴音中频(简称伴音中频)频率等等也各有差异。如果从国外购买的电视机,其制式与我国的不同,要使其正常接收我国的广播电视节目,就需对其有关部分进行改动。常见有:改高频调谐器(俗称高频头)、伴音中频及图象中频等调谐电路。我们把这些与工作频率有关的部分的改动,简称为“改频”。
表(一)列出了几种常见的与改频有关的技术标准。从中可以看出:采用日本制式生产的电视机,在我国使用,只能接收7—11频道的电视节目0-5频道和6—12频道的节目就不能接收或接收不好;采用西欧标准的电视机,只能接收我国的1、2频道和7-12频道的电视节目。4、5频道和3、6频道就不能接收或接收不好。而它们的伴音部分,也由于伴音中频与我国的不同,不能正常收听。

从表(一)中还可以看出:日产生产的采用58.75MH\(_{Z}\)的高图象中频的电视机,因其图象中频和我国1-3频道的图象载频很接近,也无法在1-3频道广播地区使用。
上述这类电视机,在我国使用,都需要进行改频。下面分别介绍改频的方法。
一、高频
电视机高频调谐器,目前常见的有机械式鼓形开关调谐器和电子调谐器两种。它们只是切换频道的方法不同,内部电路组成基本一样。下面分别介绍这两种调谐器的改频方法。
1.鼓形开关调谐器
改高频,一般都使用扫频仪(如BT-3)先测试一下原调谐器的高频特性。然后,再去改动高频输入电路、高放输出和混频输入等调谐回路及本机振电路等部分,使其高频特性和混频输出电路的中频特性符合我国电视频道的要求。

用扫频仪测试高频特性的接线方法,如图(1)。接线时要注意匹配,扫频仪输出为75Ω不平衡方式,如果无线输入端是300Ω平衡方式,则应把阻抗变换器断开,把扫频仪输出端,直接接到调谐器的75Ω输入端上,待调好后再恢复电路。扫频仪的检波头要串接一个1KΩ隔离电阻,再接到从混频管基极(指共发射极电路)引出的测试点(TP)上。注意扫频仪的输出、输入衰减要适当。测试高频特性时,要把机器的本机振荡器停振,以防止本机振荡对高频特性的干抗。停振的方法有:切断振荡器电源,断开振荡线圈、电容等。选择哪一种方法,视具体情况而定。
电视机高频部分的频率特性曲线、如图(2)。

图(2)(a)是理想的高频特性曲线,图(2)(b)是高频特性曲线实际允许的误差范围。以图象载频附近的A点为100%,其它部分的频率特性,只要处于阴影的范围之内,都可以得到较好的接收效果。
高频特性的调整方法,主要是用改变输入电路、高放输出电路、混频输入电路的电感线圈的圈间距离或增减线圈圈数达到改变各调谐电路的谐振频率,使高频特性适合我国电视标准的要求。必要时,也可用改变调谐电路电容的方法解决。调整中要注意线圈的疏密、线圈间的耦合距离和耦合角度。这些都对高频特性有影响。并注意根据高频特性曲线的形状,来判断调整是否适当(参考图(3)、图(4)、图(5))。经过反复调整直到满意为止。调整时,还应注意使高频特性的增益、一般不小于20分贝。高频特性调好以后,要恢复振荡电路。本机振荡频率的调整,也必须按照实际情况进行。扫频仪(如BT—3)的联接如图(6)。这种方法测量本振频率时,可以根据扫频仪频标的位置、直接读出本机振荡的频率。



调整本振线圈,使振荡频率为所要求接收的我国某电视频道的图象载频加上该机的图象中频频率之和,并且使其在调整频率微调时,有±1.5MH\(_{Z}\)的可调范围。
另外,还可以用测试综合特性的方法,测试和调整本机振荡器的频率。扫频仪的联接方法如图(7)。

扫频仪的输入端,一般使用开路电缆经10KΩ隔离电阻接在电视机视频检波之后。也可以使用检波探头,接在视频检波之前。这时,在扫频仪上看到的是综合特性曲线。调整振荡线圈的铜心或改变振荡线圈,使某电视频道的图象载频位于特性曲线左侧50%高度的地方,使伴音载频位于特性曲线右侧的第一个吸收点,两点相距应为6.5MH\(_{Z}\),再调整频率微调旋钮,使整个特性曲线能左右移动各1.5MHZ。这样,本机振荡器的频率就算调好了。
①实际电路举例之一:
日本的松下TR—286E型电视机,是按西欧制式生产的,要求它能够接收我国的第五频道电视节目。由表(一)可以看出,只有该机的第四频道(61-68MH\(_{Z}\))与我国的第五频道(84—92MHZ)比较接近,所以用该机的第四频道改为我国的第五频道。采用扫频仪来测试调整。图(8)是该机的调谐器电路。

由图中可以看出,高放和混频之间,是电容耦合单调谐电路。需要改动的是输入电路的L\(_{入4}\)(L5)、高放输出电路的L\(_{高4}\)(L15)、本机振荡电路的L\(_{振4}\)(L21)、共三个线圈,经估算和调整后确定:L\(_{入4}\)、L高4、L\(_{振4}\)都由15匝改为10匝、调整后的高频特性如图(9)。

调整后的本振频率,应该是85.25MH\(_{Z}\)加上38.9MHZ等于124.15MH\(_{Z}\)。并在124.15MHZ处有±1.5MH\(_{Z}\)的微调范围。
②实际电路举例之二:
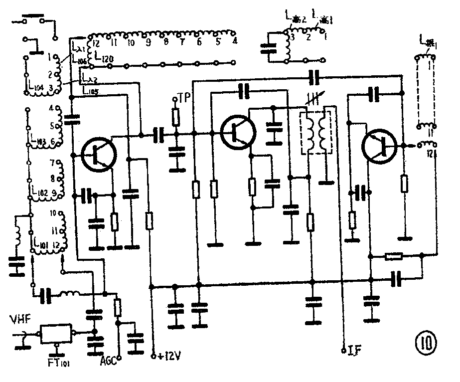
日本夏普12P—J6A型黑白电视机,是按日本制式生产的,要求它能接收我国的第二频道电视节目。从表(一)中可以看出:日本技术标准的VHF频段第一频道为90—96MH\(_{Z}\),频率最低。所以应该用该机的第一频道,改为我国的第二频道。该机调谐器的电路如图(10)。

图中FT101是滤波器,按照原设计,90MH\(_{Z}\)以下的频率,将要被它滤除。要接收我国的第二电视频道,必须将该滤波器重新调整或从电路中拆除。然后,增加各线圈的匝数,将高放输入电路的L入1由4匝改为15匝、L\(_{入2}\)由4匝改为10匝,高放输出电路的L高1由4匝改为15匝、L\(_{高2}\)由4匝改为10匝,本机振荡电路的L振1由9匝改为13匝,稍加调整即可。
如果原来的线圈不能用,必须重新绕制时,要注意使用和原线圈线径一样的漆包线,绕成和原线圈直径相同的线圈,稍有出入可以通过调整来解决。有时需要增加的圈数太多,原来的位置容纳不下,这时要根据具体情况采取措施。如果该机采用的是串联结构的线圈,可以使用磁心来增加电感量,减少线圈匝数。这时线圈的匝数与磁心质量和线圈直径有关,可根据实际情况来决定。也可以用改变调谐电容的办法来解决,但实际改机中很少使用。
2.电子调谐器
电子调谐器在VHF频段,由于频率覆盖的限制,一般分成两个频段(Ⅰ、Ⅲ)。又因各国电视频率分配不同,所以各国电视机VHF Ⅰ、Ⅲ频段的频率覆盖范围也不一样,见表(一)。如果要求某一进口电视机接收的我国电视频道信号,不在该电视机的频率覆盖范围之内,就需要对该机调谐器进行改动。
改频和测试的方法与机械式相同。但是要注意把控制电子调谐器的调谐电压和波段开关,放在相应的位置上。例如把西欧制式的电视机,改成能接收我国的第五频道电视节目,应把频段开关放在VHFⅠ频段位置,调谐电压放在接近最高端(如28伏)。然后再改变各有关调谐电路的电感线圈,使高频特性符合我国电视频道的要求。
如果要求这类机器,在同一频段内能接收两个或多个电视频道,则还要注意频段内的统调。方法是:有自动频率控制电路(AFC)的,应首先把它断开,待调整好以后再恢复,免除它的影响。把调谐电压,先置于接收我国第五频道的高电压位置,调整振荡线圈使其振荡频率为第五频道的图象载频加上该机的图象中频之和。接着再把调谐电压调到较低位置(如3V),检查频段低端的高频特性和振荡频率。如果相差不多,则认为合格。若相差较多,可拨动电感线圈对低频端进行补偿。然后,再放回到第五频道位置上,调整补偿电容进行补偿,使其在各频道都符合要求。一般情况下,只改动少量线圈,对原机的统调影响不大。
若需要改频的电视机,其频率覆盖范围小于我国同一频段的频率覆盖范围,例如西欧制式的电视机,由于它的VHFⅠ频段的覆盖系数(即西欧VHFⅠ频段最高频率与其最低频率之比)68MH\(_{Z}\)/47MHZ=1.44小于我国的VHFⅠ频段的覆盖系数92MH\(_{Z}\)/48.5=1.9,采用这种简单的方法改频,就解决不了对频率覆盖的要求。
西德产根德5010型彩色电视机,属于西欧制式,VHFⅠ频段的频率覆盖范围是47—68MH\(_{Z}\),要求改为接收我国的第五频道(84—92MHZ)信号。该机VHF调谐器有关电路如图(11)。图中各开关二极管。在VHFⅠ频段不导通,高放输入电路由C\(_{58}\)、L642、C\(_{61}\)、C63、L\(_{843}\)组成。它是一个T形带通滤波器如图(12),其通频带范围约为40—70MHZ。改频时,首先要把这个带通滤器的通频带改变到所需的频带范围上。为此把L\(_{642}\)L643各减少2匝,再稍加拨动,其带宽可由原40-70MH\(_{Z}\)变化到60—95MHZ。然后再把高放输出电路和混频输入电路的调谐线圈L\(_{593}\)和L594各由9匝改为5匝。由于第五频道是VHFⅠ频段的最高频道,所以要把调谐电压置于比最高电压略低的位置进行调整,使高频特性移到84—92MH\(_{Z}\)。再把本机振荡线圈L644由10匝改为7匝,稍加拨动使振荡频率位于124.15MH\(_{Z}\)处。(中央广播事业局电视服务部)

